GM Service Manual Online
For 1990-2009 cars only

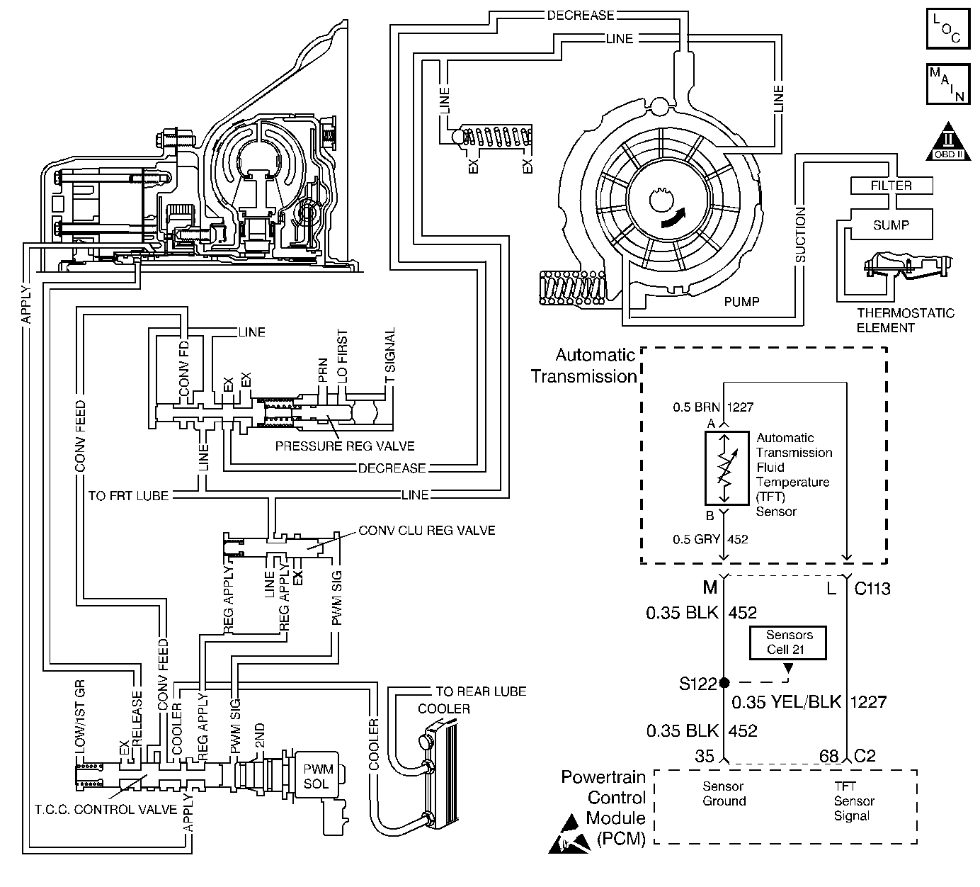
Object Number: 187957  Size: LF
Automatic Transmission Components
Automatic Transmission Controls Schematics
OBD II Symbol Description Notice

Circuit Description

The Automatic Transmission Fluid Temperature (TFT) sensor is a negative coefficient thermistor. When the transmission fluid is cold, the sensor resistance is high. As the transmission fluid warms up, the sensor resistance becomes lower. The Powertrain Control Module (PCM) uses TFT information to control Torque Converter Clutch (TCC) apply and release, line pressure, and shift timing. The TFT range is -40°C to +151°C (-40°F to +304°F).

If the PCM detects a low TFT sensor resistance (high transmission fluid temperature) for an extended period of time, then DTC P0218 sets. DTC P0218 is a type D DTC.

Conditions for Setting the DTC

    • No TFT DTCs P0711, P0712 or P0713 are set.
    • The transmission fluid temperature is greater than 130°C (266°F) for 10 minutes.

Action Taken When the DTC Sets

    • The PCM does not illuminate the Malfunction Indicator Lamp (MIL).
    • The PCM disables shift adapts.

Conditions for Clearing the DTC

    • A scan tool can clear the DTC from the PCM history. The PCM clears the DTC from the PCM history if the vehicle completes 40 warm-up cycles without a failure reported.
    • The PCM cancels the DTC default actions when the fault no longer exists and the ignition is OFF long enough in order to power down the PCM.

Diagnostic Aids

Inspect the wiring at the PCM, the transmission 20-way connector and all other circuit connecting points for the following conditions:

    • A bent terminal
    • A backed out terminal
    • A damaged terminal
    • Poor terminal tension
    • A chafed wire
    • A broken wire inside the insulation
    • Moisture intrusion
    • Corrosion

Test Description

The numbers below refer to the step numbers on the diagnostic table.

  1. This step determines if an electrical condition exists.

  2. This step checks the TFT Sensor against the Temperature vs Resistance table to diagnose the possibility of a skewed (mis-scaled) sensor.

DTC P0218 Transmission Fluid Overtemperature

Step

Action

Value(s)

Yes

No

1

Was the Powertrain On-Board Diagnostic (OBD) System Check performed?

--

Go to Step 2

Go to Powertrain On Board Diagnostic (OBD) System Check in Engine Controls

2

Have you performed the transmission fluid checking procedure?

--

Go to Step 3

Go to Transmission Fluid Check

3

Allow the transmission to cool for at least 45 minutes.

  1. Install the Scan Tool .
  2. With the engine OFF, turn the ignition switch to the RUN position.
  3. Important: Before clearing the DTCs, use the Scan Tool in order to record the Freeze Frame and Failure Records for reference. The Clear Info function will erase the data.

  4. Select Transmission Fluid Temperature on the Scan Tool .

Is the Automatic Transmission Fluid Temperature (TFT) equal to or greater than the specified value?

130°C (266°F)

Go to Step 5

Go to Step 4

4

Inspect for the following conditions:

    • The engine is overheated.
    • The vehicle is overloaded.
    • The fluid is contaminated with antifreeze.
    • The filter is clogged.
    • The filter is not properly seated.
    • Low line pressure caused by clogged or restricted cooler lines.
    • The radiator is restricted.

Was a condition found and corrected?

--

Go to Step 9

Go to Diagnostic Aids

5

Let the transmission cool to ambient temperature.

  1. Disconnect the Automatic Transmission 20-way connector (additional DTCs will set).
  2. Install J 39775 Jumper Harness to the transmission harness connector.
  3. Connect a J 39200 Digital Multimeter (DMM) from terminal L to terminal M using a J 35616-A Connector Test Adapter Kit.

Is the measured resistance within the specified range?

3164-3867 ohms @ 20°C (68°F) (If temperature and resistance are different, refer to the Temperature vs Resistance table)

Go to Step 6

Go to Step 8

6

Check circuit 1227 for a possible short to ground.

Was a condition found and corrected?

--

Go to Step 9

Go to Step 7

7

Replace the PCM.

Refer to Powertrain Control Module Replacement/Programming in Engine Controls.

Is the replacement complete?

--

Go to Step 9

--

8

Replace the TFT Sensor.

Refer to Fluid Temperature Sensor Replacement .

Is the replacement complete?

--

Go to Step 9

--

9

In order to verify your repair, perform the following procedure:

  1. Select DTC.
  2. Select Clear Info.
  3. Operate the vehicle under the following conditions:
  4. • Turn the ignition switch to the RUN position.
    • The TFT is less than 129°C (264°F) for more than 5 seconds.
  5. Select Specific DTC. Enter DTC P0218.

Has the test run and passed?

--

System OK

Go to Step 1