GM Service Manual Online
For 1990-2009 cars only

DTC C1235 RR Wheel Speed Circuit Open or Shorted 2


Object Number: 247738  Size: MF
ABS Components
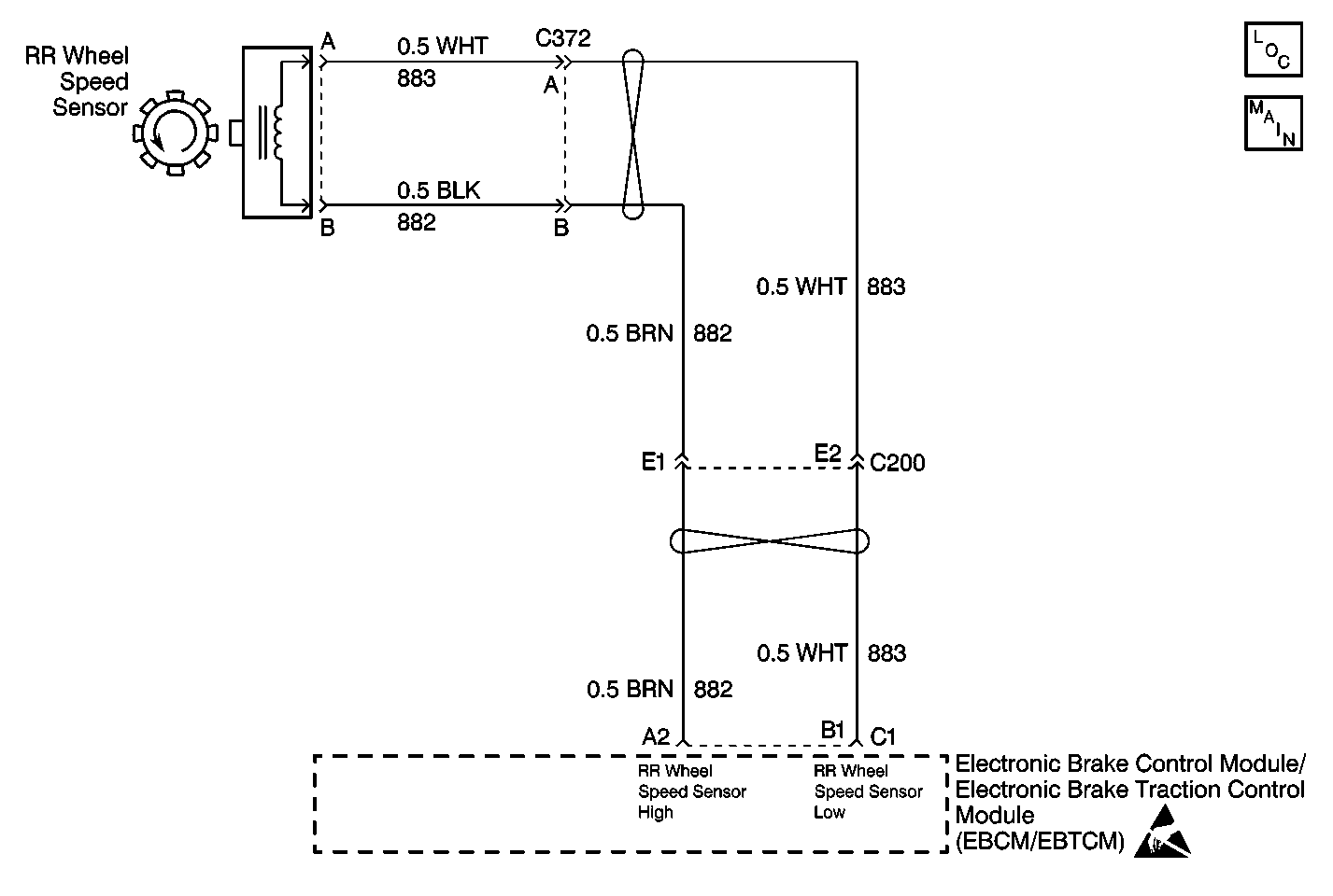
Antilock Brake System Schematics
Handling ESD Sensitive Parts Notice

Circuit Description

As a toothed ring passes by the wheel speed sensor, changes in the electromagnetic field causes the wheel speed sensor to produce an AC voltage signal. The frequency of the sinusoidal (AC) voltage signal is proportional to the wheel speed. The amplitude of the AC voltage signal is directly related to wheel speed and the proximity of the wheel speed sensor to the toothed ring. The proximity of the wheel speed sensor to the toothed ring is also referred to as the air gap.

Conditions for Setting the DTC

DTC C1235 can set anytime after initialization.

A malfunction exists if either of the right rear wheel speed sensor circuits are open or shorted to voltage or ground.

Action Taken When the DTC Sets

    • A malfunction DTC stores.
    • The ABS/ETS/TCS disables.
    • The amber ABS/ETS/TCS warning indicator(s) turn on.

Conditions for Clearing the DTC

    • The condition responsible for setting the DTC no longer exists and the Scan Tool Clear DTCs function is used.
    • 100 drive cycles pass with no DTC(s) detected.

Diagnostic Aids

The following conditions may cause an intermittent malfunction:

    • A poor connection
    • Rubbed-through wire insulation
    • A broken wire inside the insulation

Use the enhanced diagnostic function of the Scan Tool in order to measure the frequency of the malfunction. Refer to the Scan Tool manual for the procedure.

If the customer's comments reflect that the amber ABS warning indicator is on only during moist environmental changes (rain, snow, vehicle wash), inspect all the wheel speed sensor circuitry for signs of water intrusion. If the DTC is not current, clear all DTCs and simulate the effects of water intrusion by using the following procedure:

  1. Spray the suspected area with a five percent saltwater solution.
  2. Add two teaspoons of salt to twelve ounces of water to make a five percent saltwater solution.

  3. Test drive the vehicle over various road surfaces (bumps, turns, etc.) above 24 km/h (15 mph) for at least 30 seconds.
  4. If the DTC returns, replace the suspected harness.

Thoroughly inspect any circuitry that may be causing the intermittent complaint for the following conditions:

    • Backed out terminals
    • Improper mating
    • Broken locks
    • Improperly formed or damaged terminals
    • Poor terminal-to-wiring connections
    • Physical damage to the wiring harness

Resistance of the wheel speed sensor will increase with an increase in sensor temperature.

Use the following procedure in order to replace a wheel speed sensor:

  1. Inspect the wheel speed sensor terminals and harness connector for corrosion and/or water intrusion.
  2. Replace the wheel speed sensor jumper harness if evidence of corrosion or water intrusion exists.
  3. Refer to Wheel Speed Sensor Jumper Harness Replacement , Wheel Speed Sensor Jumper Harness Replacement , Wheel Speed Sensor Jumper Harness Replacement or Wheel Speed Sensor Jumper Harness Replacement .

Use the following procedure in order to replace the wheel speed sensor jumper harness:

  1. Inspect the wheel speed sensor terminals for corrosion and/or water intrusion.
  2. Replace the wheel speed sensor if evidence of corrosion or water intrusion exists.
  3. Refer to Wheel Speed Sensor Replacement , Wheel Speed Sensor Replacement or Wheel Speed Sensor Replacement .

Rear Wheel Speed Sensor Resistance

The following table contains resistance values for the rear wheel speed sensors at varying temperatures for use in diagnosis. The values are approximate and should be used as a guideline for diagnosis.

Temperature (°C)

Temperature (°F)

Resistance (Ohms)

-34 to 4

-30 to 40

800 to 1100

5 to 43

41 to 110

950 to 1300

44 to 93

111 to 200

1100 to 1600

Important: Zero the J 39200 test leads before making any resistance measurements. Refer to the J 39200 user's manual.

Important: Difficulty may occur when trying to locate intermittent malfunctions in the wheel speed sensor.

Do not disturb any of the electrical connections. Change the electrical connections only when instructed to do so by a step in the diagnostic table.

Changing the electrical connections at the correct time will ensure that an intermittent electrical connection will not be corrected until the source of the malfunction is found.

Step

Action

Value(s)

Yes

No

1

Was the Diagnostic System Check performed?

--

Go to Step 2

Go to Diagnostic System Check

2

  1. Turn the ignition switch to the OFF position.
  2. Make a 5 percent saltwater solution.
  3. Thoroughly spray the right rear wheel speed sensor jumper harness with the saltwater solution.
  4. Disconnect the 24-way EBCM/EBTCM harness connector C1.
  5. Use the J 39200 in order to measure the resistance between the 24-way EBCM/EBTCM harness connector C1 terminal A2 and the 24-way EBCM/EBTCM harness connector C1 terminal B1.

Is the resistance within the specified range?

1030-1180 ohms at 20°F (68°C)

Go to Step 3

Go to Step 11

3

Use the J 39200 in order to measure the resistance between the 24-way EBCM/EBTCM harness connector C1 terminal B1 and ground.

Is the resistance within the specified range?

OL (Infinite)

Go to Step 4

Go to Step 14

4

  1. Turn the ignition switch to the RUN position.
  2. Do not start the engine.

  3. Use the J 39200 in order to measure the voltage between the 24-way EBCM/EBTCM harness connector C1 terminal B1 and ground.

Is the voltage within the specified range?

0-1 V

Go to Step 7

Go to Step 5

5

  1. Turn the ignition switch to the OFF position.
  2. Disconnect the right rear wheel speed sensor at the right rear wheel speed sensor connector.
  3. Turn the ignition switch to the RUN position.
  4. Do not start the engine.

  5. Use the J 39200 in order to measure the voltage between the 24-way EBCM/EBTCM harness connector C1 terminal B1 and ground

Is the voltage within the specified range?

0-1 V

Go to Step 6

Go to Step 19

6

Use the J 39200 in order to measure the voltage between the 24-way EBCM harness connector C1 terminal A2 and ground.

Is the voltage within the specified range?

0-1 V

Go to Step 31

Go to Step 20

7

  1. Turn the ignition switch to the OFF position.
  2. Inspect the following terminals:
  3. • The 24-way EBCM/EBTCM connector C1 terminal A2
    • The 24-way EBCM connector C1 terminal B1.
    • The remaining terminals of the 24-way EBCM/EBTCM connector C1
  4. Inspect the above terminals for the following conditions:
  5. • Terminal damage
    • Poor terminal contact
    • Terminal corrosion
    • Damage, terminal corrosion, and poor terminal contact may cause an open circuit, a short to voltage, or a short to ground.

Are there signs of poor terminal contact, terminal corrosion, or damaged terminals?

--

Go to Step 27

Go to Step 8

8

Inspect the wiring of CKT 883 and CKT 882 for signs of wire damage.

Wire damage may cause the following conditions in CKT 883 and CKT 882:

    • An open circuit
    • A short to voltage
    • A short to ground

Are there signs of damaged wiring?

--

Go to Step 21

Go to Step 9

9

Inspect the harness connectors of CKT 883 and CKT 882 for signs of wire damage.

Wire damage may cause the following conditions in CKT 883 and CKT 882:

    • An open circuit
    • A short to voltage
    • A short to ground

Are there signs of damaged connectors?

--

Go to Step 22

Go to Step 10

10

  1. Reconnect the 24-way EBCM/EBTCM connector C1.
  2. Reconnect the right rear wheel speed sensor harness connector.
  3. Install a Scan Tool .
  4. Test drive the vehicle at a speed above 24 km/h (15 mph) for at least 30 seconds.
  5. Use the Scan Tool in order to read the DTCs.

Does DTC C1235 set as a current DTC?

--

Go to Step 30

Go to Step 31

11

  1. Disconnect the right rear wheel speed sensor directly at the right rear wheel speed sensor connector.
  2. Use the J 39200 in order to measure the resistance between the 24-way EBCM/EBTCM connector C1 terminal B1 and the right rear wheel speed sensor harness connector terminal B.

Is the resistance within the specified range?

0-2 ohms

Go to Step 12

Go to Step 23

12

Use the J 39200 in order to measure the resistance between the 24-way EBCM/EBTCM connector C1 terminal A2 and the right rear wheel speed sensor harness connector terminal A.

Is the resistance within the specified range?

0-2 ohms

Go to Step 13

Go to Step 24

13

Use the J 39200 in order to measure the resistance between the right rear wheel speed sensor connector terminal A and the right rear wheel speed sensor connector terminal B.

Is the resistance within the specified range?

1030-1180ohms at 20°C (68°F)

Go to Step 31

Go to Step 28

14

  1. Disconnect the connector C306.
  2. Use the J 39200 in order to measure the resistance between the 24-way EBCM connector C1 terminal B1 and ground.

Is the resistance within the specified range?

OL (Infinite)

Go to Step 15

Go to Step 25

15

Use the J 39200 in order to measure the resistance between the 24-way EBCM/EBTCM connector C1 terminal A2 and ground.

Is the resistance within the specified range?

OL (Infinite)

Go to Step 16

Go to Step 26

16

  1. Thoroughly respray the right rear wheel speed sensor jumper harness with the saltwater solution.
  2. Disconnect the right rear wheel speed sensor directly at the right rear wheel speed sensor.
  3. Use the J 39200 in order to measure the resistance between the right rear wheel speed sensor jumper harness connector terminal A and ground.

Is the resistance within the specified range?

OL (Infinite)

Go to Step 17

Go to Step 29

17

Use the J 39200 in order to measure the resistance between the right rear wheel speed sensor jumper harness connector terminal B and ground.

Is the resistance within the specified range?

OL (Infinite)

Go to Step 18

Go to Step 29

18

Use the J 39200 in order to measure the resistance between the right rear wheel speed sensor jumper connector terminal A and ground.

Is the resistance within the specified range?

OL (Infinite)

Go to Step 31

Go to Step 28

19

Repair the short to voltage in CKT 883.

If the short to voltage is found in the right rear wheel speed sensor jumper harness, replace the right rear wheel speed jumper harness.

Is the repair complete?

--

Go to Diagnostic System Check

--

20

Repair the short to voltage in CKT 882.

If the short to voltage is found in the right rear wheel speed sensor jumper harness, replace the right rear wheel speed jumper harness.

Is the repair complete?

--

Go to Diagnostic System Check

--

21

Repair the wiring damage in CKT 883 or CKT 882.

If the wiring damage is found in the right rear wheel speed sensor jumper harness, replace the right rear wheel speed jumper harness.

Is the repair complete?

--

Go to Diagnostic System Check

--

22

Repair the connector damage in CKT 883 or CKT 882.

If the connector damage is found in the right rear wheel speed sensor jumper harness, replace the right rear wheel speed jumper harness.

Is the repair complete?

--

Go to Diagnostic System Check

--

23

Repair the open or high resistance in CKT 883.

If the open or high resistance is found in the right rear wheel speed sensor jumper harness, replace the right rear wheel speed jumper harness.

Is the repair complete?

--

Go to Diagnostic System Check

--

24

Repair the open or high resistance in CKT 882.

If the open or high resistance is found in the right rear wheel speed sensor jumper harness, replace the right rear wheel speed jumper harness.

Is the repair complete?

--

Go to Diagnostic System Check

--

25

Repair the short to ground in CKT 883.

If the short to ground is found in the right rear wheel speed sensor jumper harness, replace the right rear wheel speed jumper harness.

Is the repair complete?

--

Go to Diagnostic System Check

--

26

Repair the short to ground in CKT 882.

If the short to ground is found in the right rear wheel speed sensor jumper harness, replace the right rear wheel speed jumper harness.

Is the repair complete?

--

Go to Diagnostic System Check .

--

27

Replace all of the terminals and the connectors that exhibit signs of poor terminal contact, corrosion, or damaged terminals.

Is the repair complete?

--

Go to Diagnostic System Check

--

28

Replace the right rear wheel speed sensor.

Is the repair complete?

--

Go to Diagnostic System Check

--

29

Replace the right rear wheel speed sensor jumper harness.

Is the repair complete?

--

Go to Diagnostic System Check

--

30

Replace the EBCM/EBTCM.

Is the repair complete?

--

Go to Diagnostic System Check

--

31

The malfunction is intermittent or not present at this time.

Inspect all of the connectors and the harnesses for damage that may cause the following conditions:

    • An open or a high resistance
    • A short to ground
    • A short to voltage

The jumper harness must be replaced if the jumper harness is damaged.

Is the repair complete?

--

Go to Diagnostic Aids

--