GM Service Manual Online
For 1990-2009 cars only

3X Reference PCM Input

From the ignition control module, the PCM uses this signal to calculate engine RPM and crankshaft position at engine speeds above 1200 RPM. The PCM also uses the pulses on this circuit to initiate injector pulses. If the PCM receives no pulses on this circuit, DTC P1374 will set and the PCM will use the 18X reference signal circuit for fuel and ignition control. The engine will continue to start and run using the 18X reference signal only.

Refer to Electronic Ignition System for further information.

18X Reference PCM Input

From the ignition control module, the PCM uses this signal to calculate engine RPM and crankshaft position at engine speeds below 1200 RPM. The PCM also uses the pulses on this circuit to initiate injector pulses. If the PCM receives no pulses on this circuit, DTC P0336 will set and the PCM will use the 3X reference signal circuit at all times for fuel and ignition control. The engine will continue to start and run using the 3X reference signal only.

Refer to Electronic Ignition System for further information.

A/C Refrigerant Pressure Sensor

The A/C refrigerant pressure sensor signal indicates high side refrigerant pressure to the PCM. The PCM uses this information to adjust the idle air control valve to compensate for the higher engine loads present with high A/C refrigerant pressures and to control the cooling fans. A fault in the A/C refrigerant pressure sensor signal will cause DTC P0530 to set. Refer to Heater, Ventilation, and Air Conditioning for a complete description and on-vehicle service.

A/C Request PCM Input

The A/C request signal indicates to the PCM that an A/C mode is selected at the A/C control head. The PCM uses this information to adjust the idle speed before turning ON the A/C clutch. If this signal is not available to the PCM, the A/C compressor will be inoperative.

Crankshaft Position (CKP) Sensor

The crankshaft position sensor provides a signal used by the ignition control module to calculate ignition sequence. The ignition control module also uses the crankshaft position sensor signals to initiate 18X and 3X reference pulses which the PCM uses as reference to calculate RPM and crankshaft position.

Camshaft Position (CMP) Sensor and CAM Signal

The camshaft position sensor sends a cam signal to the PCM which uses it as a sync pulse to trigger the injectors in proper sequence. The CAM signal is passed through the ignition control module. It is filtered and buffered by the ignition control module, but the signal is not processed in any other way. The PCM uses the CAM signal to indicate the position of the #1 piston during its power stroke. This allows the PCM to calculate true Sequential Fuel Injection (SFI) mode of operation. If the PCM detects an incorrect CAM signal while the engine is running, DTC P0341 will set.

If the CAM signal is lost while the engine is running, the fuel injection system will shift to a calculated sequential fuel injection mode based on the last fuel injection pulse, and the engine will continue to run. The engine can be restarted and will run in the calculated sequential mode as long as the fault is present with a 1 in 6 chance of injector sequence being correct.

Refer to DTC P0341 for further information.

Electronic Brake and Traction Control Module (EBTCM) / Electronic Brake Control Module (EBCM) - PCM Class 2 Serial Data

The PCM uses the Class 2 serial data line to communicate with various other components and systems within the vehicle. The PCM ensures that communication remains established by monitoring the Class 2 serial data circuit for state of health messages from the other devices using the circuit. If the PCM detects a loss of the state of health serial data message from the Electronic Brake and Traction Control Module (EBTCM), the PCM will store DTC P1602.

The PCM also receives rough road information from the EBTCM / EBCM on the Class 2 serial data circuit. The PCM uses the rough road information to enhance the misfire diagnostic by detecting crankshaft speed variations caused by driving on rough road surfaces. This allows false misfire information to be rejected. The EBTCM / EBCM calculates rough road information by monitoring the ABS wheel speed sensors. If a malfunction occurs which does not allow the EBTCM / EBCM to transmit correct rough road information to the PCM while a misfire DTC is requesting the MIL, DTC P1380 will set. If a loss of communications occurs which causes the PCM to not receive rough road information while a misfire DTC is requesting the MIL, DTC P1381 will set.

Under certain conditions, the PCM has the ability to request the EBTCM to shut OFF traction control via Class 2 serial data. The following DTCs will cause traction control to be disabled, an ABS/TCS DTC to be set, and the Traction OFF lamp to be illuminated:

    • DTC P0101 - Mass Air Flow System Performance
    • DTC P0102 - Mass Air Flow Sensor Circuit Low Frequency
    • DTC P0103 - Mass Air Flow Sensor Circuit High Frequency
    • DTC P0171 - Fuel Trim System Lean
    • DTC P0172 - Fuel Trim System Rich
    • DTC P0300 - Engine Misfire Detected
    • DTC P0336 - 18x Reference Signal Circuit
    • DTC P0341 - Camshaft Position Sensor Performance
    • DTC P1200 - Injector Control Circuit
    • DTC P1374 - 3X Reference Circuit

Refer to ABS/TCS in Antilock Brake System and Traction System for information regarding ABS/TCS operation.

For information concerning the various devices that use the Class 2 serial data circuit, refer to Serial Data in Electrical Diagnosis .

Engine Coolant Temperature (ECT) Sensor


Object Number: 42212  Size: SH

The engine coolant temperature sensor is a thermistor (a resistor which changes value based on temperature) mounted in the engine coolant stream. Low coolant temperature produces a high resistance (100,000 ohms at -40°C/-40°F) while high temperature causes low resistance (70 ohms at 130°C/266°F).

The PCM supplies a 5 volt signal to the engine coolant temperature sensor through a resistor in the PCM and measures the voltage. The voltage will be high when the engine is cold, and low when the engine is hot. By measuring the voltage, the PCM calculates the engine coolant temperature. The scan tool displays engine coolant temperature in degrees. After engine startup, the temperature should rise steadily to about 90°C (194°F) then stabilize when thermostat opens. If the engine has not been run for several hours (overnight), the engine coolant temperature and intake air temperature displays should be close to each other.

Engine coolant temperature affects most systems the PCM controls. A hard fault in the engine coolant sensor circuit should set DTC³P0117 or DTC P0118; an intermittent fault should set a DTC P1114 or P1115. This section also contains a specification table to check for sensor resistance values relative to temperature.

EGR Pintle Position Sensor

The PCM monitors the EGR valve pintle position input to ensure that the valve responds properly to commands from the PCM and to detect a fault if the pintle position sensor circuit is open or shorted. If the PCM detects an excessively low EGR Feedback signal voltage (pintle position feedback open or shorted), DTC P0405 will set.

The Linear EGR valve is controlled by using an ignition positive driver and ground circuit within the PCM. The driver has the ability to detect an electrical malfunction in the ignition positive or ground circuit. If an electrical malfunction occurs, DTC P0403 will set.

When the ignition switch is turned ON, the PCM learns the EGR closed valve pintle position. When the PCM commands the EGR valve closed, the learned EGR closed valve pintle position is compared to the Actual EGR position. If the Actual EGR position indicates that the EGR valve is still open, DTC P1404 will set.

When the PCM commands the EGR valve open, Actual EGR Position is compared with Desired EGR Position. If Actual EGR Position is 15% less than Desired EGR position when the PCM is commanding the EGR valve opened, DTC P0404 will set.

Engine Oil Level Switch

The Engine Oil Level (EOL) switch is a simple float switch that is grounded when the engine oil level is OK. When the ignition is first turned ON, the PCM commands the Low Oil Level lamp ON for a brief period of time to test the bulb (approximately 3 seconds). The PCM also checks the engine oil level switch circuit at startup. If the engine has bee running, the PCM performs a test routine based on engine coolant temperature to ensure that the engine oil has drained back into the sump before checking the state of the engine oil level switch. If the engine coolant temperature is between 15°C (59°F) and 130°C (266°F), the PCM compares the engine coolant temperature at the last key OFF to the engine coolant temperature at the current key ON. If the difference between the recorded temperature values is at least 12°C (54°F), the PCM will test the engine oil level.

Engine Oil Pressure Switch

The PCM applies battery voltage through a pull up resistor to the Engine Oil Pressure switch circuit. The PCM monitors the applied voltage on the Engine Oil Pressure switch circuit. If the ignition switch is turned ON with the engine not running or engine oil pressure is below 35 kPa (5 psi), the Engine Oil Pressure switch grounds the PCM voltage input. The PCM sends the engine oil pressure information via Class 2 serial data to the Instrument Panel Cluster (IPC). The IPC controls the Engine Oil Pressure Indicator.

Fuel Level Sensor PCM Input

The fuel level sensor input to the PCM is used to determine if the fuel level in the tank is correct to run the EVAP diagnostic tests. To ensure sufficient volume in the tank to begin the various diagnostic tests, the fuel level must be between 15% and 85%. Refer to Evaporative Emission Control System Operation Description for a complete description of the EVAP system.

The PCM also sends the fuel level sensor information via Class 2 to the instrument Panel Cluster (IPC). The IPC controls the fuel level gauge.

Fuel Tank Pressure Sensor

The fuel tank pressure sensor is used to detect vacuum decay and excess vacuum during the enhanced EVAP diagnostic routine. Refer to Evaporative Emission Control System Operation Description for a complete description of the EVAP system.

HVAC Serial Data Circuit

The PCM uses the Class 2 serial data circuit to communicate with various other devices and systems in the vehicle. The PCM ensures that communication remains established by monitoring the serial data circuit for state of health messages from the other devices using the circuit. If the PCM detects a loss of the state of health serial data message from the HVAC Controller, DTC P1605 will set.

For information concerning the various devices that use the Class 2 serial data circuit, refer to Serial Data in Electrical Diagnosis .

Heated Oxygen Sensors


Object Number: 14490  Size: SH

The fuel control Heated Oxygen Sensor (HO2S 1) is mounted in the exhaust manifolds where it can monitor the oxygen content of the exhaust gas stream. The oxygen present in the exhaust gas reacts with the sensor to produce a voltage output. This voltage should constantly fluctuate from approximately 100 mV (high oxygen content - lean mixture) to 900 mV (low oxygen content - rich mixture). The heated oxygen sensor voltage can be monitored with a scan tool. By monitoring the voltage output of the oxygen sensor, the PCM calculates what fuel mixture command to give to the injectors (lean mixture-low HO2S voltage = rich command, rich mixture-high HO2S voltage = lean command).

The HO2S 1 circuit, if open, should set a DTC P0134 and the scan tool will display a constant voltage between 400 - 500 mV. A constant voltage below 300 mV in the sensor circuit (circuit grounded) should set DTC P0131, while a constant voltage above 800 mV in the circuit should set DTC P0132. A fault in the HO2S 1 heater circuit should cause DTC P0135 to set. The PCM can also detect HO2S response problems. If the response time of an HO2S is determined to be too slow, the PCM will store a DTC that indicates degraded HO2S performance.

To control emissions of Hydrocarbons (HC), Carbon Monoxide (CO), and Oxides of Nitrogen (NOx), a three-way catalytic converter is used. The catalyst within the converter promotes a chemical reaction which oxidizes the HC and CO present in the exhaust gas, converting them into harmless water vapor and carbon dioxide. The catalyst also reduces NOx, converting it to nitrogen. The PCM has the ability to monitor this process using the HO2S 1 and the HO2S 2 heated oxygen sensors.

The HO2S 1 sensor produces an output signal which indicates the amount of oxygen present in the exhaust gas entering the three-way catalytic converter. The HO2S 2 sensor produces an output signal which indicates the oxygen storage capacity of the catalyst; this in turn indicates the catalyst's ability to convert exhaust gases efficiently. If the catalyst is operating efficiently, the HO2S 1 signal will be far more active than that produced by the HO2S 2 sensor. The catalyst monitor sensors operate the same as the fuel control sensors.

Although the HO2S 2 sensors main function is catalyst monitoring, it also plays a limited role in fuel control. If the sensor output indicates a voltage either above or below the 450 millivolt bias voltage for an extended period of time, the PCM will make a slight adjustment to fuel trim to ensure that fuel delivery is correct for catalyst monitoring.

A problem with the HO2S 2 signal circuit should set DTC P0137, P0138 or P0140, depending on the specific condition. A fault in the heated oxygen sensor heater element or its ignition feed or ground will result in slower oxygen sensor response. This may cause erroneous Catalyst monitor diagnostic results. A fault in the HO2S 2 heater circuit should cause DTC P0141 to set.

Intake Air Temperature Sensor


Object Number: 12347  Size: SH

The Intake Air Temperature (IAT) sensor (3) is a thermistor which changes value based on the temperature of air entering the engine. Low temperature produces a high resistance (100,000 ohms at -40°C/-40°F), while high temperature causes low resistance (70 ohms at 130°C/266°F). The PCM supplies a 5 volt signal to the sensor through a resistor in the PCM and measures the voltage. The voltage will be high when the incoming air is cold, and low when the air is hot. By measuring the voltage, the PCM calculates the incoming air temperature.

The IAT sensor signal is used to adjust spark timing according to incoming air density. The scan tool displays temperature of the air entering the engine, which should read close to ambient air temperature when engine is cold, and rise as underhood temperature increases. If the engine has not been run for several hours (overnight) the IAT sensor temperature and engine coolant temperature should read close to each other. A failure in the IAT sensor circuit should set DTC P0112 or DTC P0113.

Reference Low

This is a ground circuit for the digital RPM counter inside the PCM, but the wire is connected to engine ground only through the ignition control module. Although this circuit is electrically connected to the PCM, it is not connected to ground at the PCM. The PCM compares voltage pulses on the 18X and 3X reference input circuits to any on this circuit, ignoring pulses that appear on both. If the circuit is open, or connected to ground at the PCM, it may cause poor engine performance and possibly a MIL with no DTC set.

Knock Sensors

The knock sensors detect abnormal vibration (spark knocking) in the engine. The sensors are mounted in the engine block near the cylinders. The knock sensors produce an AC voltage signal under all engine operating conditions. The PCM adjusts the Ignition Control (IC) spark timing based on the amplitude and frequency of the KS signal being received.

The PCM contains integrated Knock Sensor (KS) diagnostic circuitry. The PCM uses the circuitry to diagnose the KS sensors and related wiring. The PCM calculates an average voltage of each knock sensor's signals and takes instantaneous signal voltage readings. The PCM uses the instantaneous signal voltage readings to determine the state of the knock sensor circuitry. If the knock sensor system is operating normally, the PCM should monitor instantaneous KS signal voltage readings varying outside a voltage range above and below the calculated average voltage. If the PCM malfunctions in a manner which will not allow proper diagnosis of the KS circuit DTC P0325 will set.

DTCs P0327 and P0332 are designed to diagnose the knock sensors, and related wiring, so problems encountered with the KS system should set a DTC.

Refer to Knock Sensor (KS) System Description for a complete description of the knock sensor system.

Mass Air Flow Sensor


Object Number: 15006  Size: MH

The Mass Air Flow (MAF) sensor measures the amount of air which passes through the throttle body. The PCM uses this information to determine the operating condition of the engine, to control fuel delivery. A large quantity of air indicates acceleration, while a small quantity indicates deceleration or idle.

The scan tool displays the MAF value in grams per second (gm/s). At idle, MAF should read between 4 gm/s -7 gm/s on a fully warmed up engine. Values should change rather quickly on acceleration, but values should remain fairly stable at any given RPM. A MAF sensor malfuction or MAF signal circuit problem should set DTC P0101, DTC P0102, or DTC P0103.

Manifold Absolute Pressure Sensor (VIN K)

The Manifold Absolute Pressure (MAP) sensor responds to changes in intake manifold pressure. The PCM supplies a 5 volt reference and ground for the MAP sensor. The MAP sensor provides a signal to the PCM relative to pressure changes in the manifold. The MAP sensor signal voltage to the PCM varies from between 1 volt at idle (low manifold absolute pressure - high vacuum) to above 4 volts with the key ON, engine not running or at wide-open throttle (high manifold absolute pressure - low vacuum).

If the PCM detects a voltage that is lower than the possible range of the MAP sensor, DTC P0107 will be set. A signal voltage higher than the possible range of the sensor will set DTC P0108. An intermittent low or high voltage will set DTC P1107 or P1106 respectively.

Manifold Absolute Pressure Sensor (VIN 1)

The Manifold Absolute Pressure (MAP) sensor responds to changes in intake manifold pressure. The PCM supplies a 5 volt reference and ground for the MAP sensor. The MAP sensor circuit provides a signal to the PCM relative to pressure changes in the manifold. With the key ON, engine not running the MAP sensor signal voltage to the PCM varies between 1.5 to 2.5 volts. With the engine running, the MAP sensor voltage to the PCM varies from below 2 volts at idle (low manifold absolute pressure - high vacuum) to above 4 volts at wide-open throttle (high manifold absolute pressure - low vacuum).

If the PCM detects a voltage that is lower than the possible range of the MAP sensor, DTC P0107 will be set. A signal voltage higher than the possible range of the sensor will set DTC P0108. An intermittent low or high voltage will set DTC P1107 or P1106 respectively.

Standard Body Module Serial Data CKT

The PCM uses the Class 2 serial data circuit to communicate with the vehicle Body Control Module (BCM) and other devices. The PCM ensures that communication remains established by monitoring the serial data circuit for state of health messages from the the other devices using the circuit.. If the PCM detects a loss of the state of health serial data message from the BCM, DTC P1610 will set.

For information concerning the various devices that use the Class 2 serial data circuit, refer to Serial Data in Electrical Diagnosis.

TCC Brake Switch

The TCC brake switch signal indicates when the brake pedal is applied. The TCC brake switch information is used by the PCM mainly to control the Transaxle torque converter clutch. Refer to Automatic Transaxle-4T65-E for a complete description, diagnosis, and on-vehicle service.

Transaxle Temperature Sensor

The transaxle fluid temperature sensor is a thermistor which changes value based on the temperature of the Transaxle fluid. A high transaxle fluid temperature may cause the vehicle to operate in Hot Mode. While in Hot Mode, shift points may be altered, 4th gear disabled, and TCC forced ON in 2nd gear.

A failure in the TFT sensor or associated wiring should cause DTC P0712 or P0713 to set. In this case, a value based on engine coolant temperature will be substituted for the TFT sensor value, and the Transaxle will operate normally. Refer to Automatic Transaxle Diagnosis-4T65-E for a complete description, diagnosis, and on-vehicle service.

Throttle Position Sensor


Object Number: 14476  Size: SH

The Throttle Position (TP) sensor is a potentiometer connected to the throttle shaft on the throttle body. By monitoring the voltage on the signal line, the PCM calculates throttle position. As the throttle valve angle is changed (accelerator pedal moved), the TP sensor signal also changes. At a closed throttle position, the output of the TP sensor is low. As the throttle valve opens the TP sensor voltage increases so that at Wide Open Throttle (WOT), the TP sensor voltage should be above 4 volts. The PCM calculates fuel delivery based on throttle valve angle (driver demand).

A broken or loose TP sensor may cause intermittent bursts of fuel from an injector and unstable idle because the PCM thinks the throttle is moving. A hard failure in the TP sensor 5 volts reference or signal circuits should set either a DTC P0122 or DTC P0123. A hard failure with the TP sensor ground circuit may set DTCs P0123 and P0117. Once a DTC is set, the PCM will use an artificial default value based on engine RPM and mass air flow for throttle position and some vehicle performance will return. A high idle may result when either DTC P0122 or DTCP0123 is set.

The PCM can detect intermittent TP sensor faults. DTC P1121 or DTC P1122 will set if an intermittent high or low circuit failure is being detected. The PCM can also detect a shifted TP sensor. The PCM monitors throttle position and compares the actual TP sensor reading to a predicted TP value calculated from engine speed. If the PCM detects an out of range condition, DTC P0121 will be set.

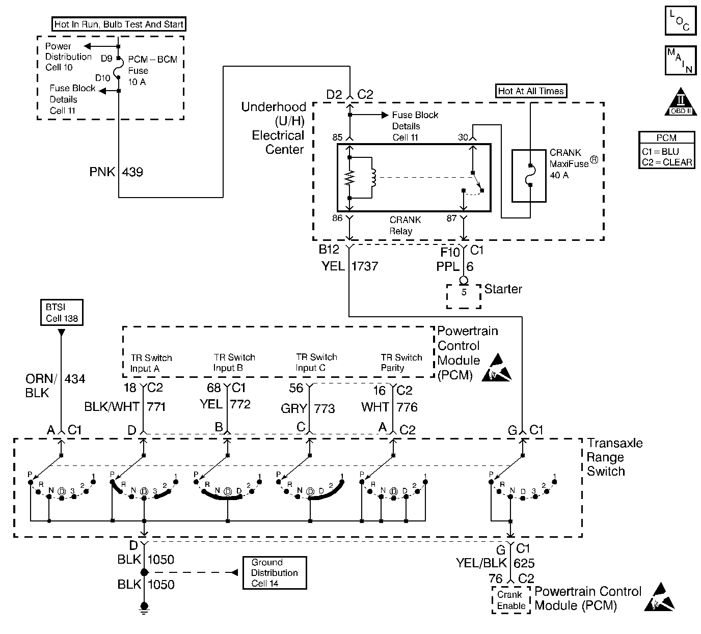
Transaxle Range Switch


Object Number: 12351  Size: MH

The Transaxle Range Switch is part of the Transaxle Park/Neutral Position (PNP) switch mounted on the transaxle manual shaft. The 4 inputs from the transaxle range switch indicate to the PCM which position is selected by the Transaxle selector lever. This information is used for transmission shift control, ignition timing, EVAP canister purge, EGR and IAC valve operation. The combination of the four transaxle range input states determine the PCM commanded shift pattern. The input voltage level at the PCM is high (B+) when the transaxle range switch is open and low when the switch is closed to ground. The state of each input is represented on the scan tool as High voltage level, Low voltage level. The four parameters represent trasaxle range switch Parity, A, B, and C inputs respectively. Valid transaxle range input combinations are shown in the Transaxle Range Switch Valid Input Combinations table.


Object Number: 154497  Size: LF
Engine Controls Components
Transaxle Range Switch
OBD II Symbol Description Notice

Transaxle Range Switch Valid Input Combinations

Gear Selector Position

Scan Tool Trans Range PABC Display

X=High

0=Low

P

A

B

C

Park (P)

Low

Low

High

High

Reverse (R)

High

Low

Low

High

Neutral (N)

Low

High

Low

High

Drive4 (OD)

High

High

Low

Low

Drive3 (3)

Low

Low

Low

Low

Drive2 (2)

High

Low

High

Low

Drive 1 (1)

Low

High

High

Low