GM Service Manual Online
For 1990-2009 cars only
Makes
🢒
Buick
🢒
1999
🢒
Regal
🢒
Body and Accessories
🢒
Doors
🢒 Power Window Schematics
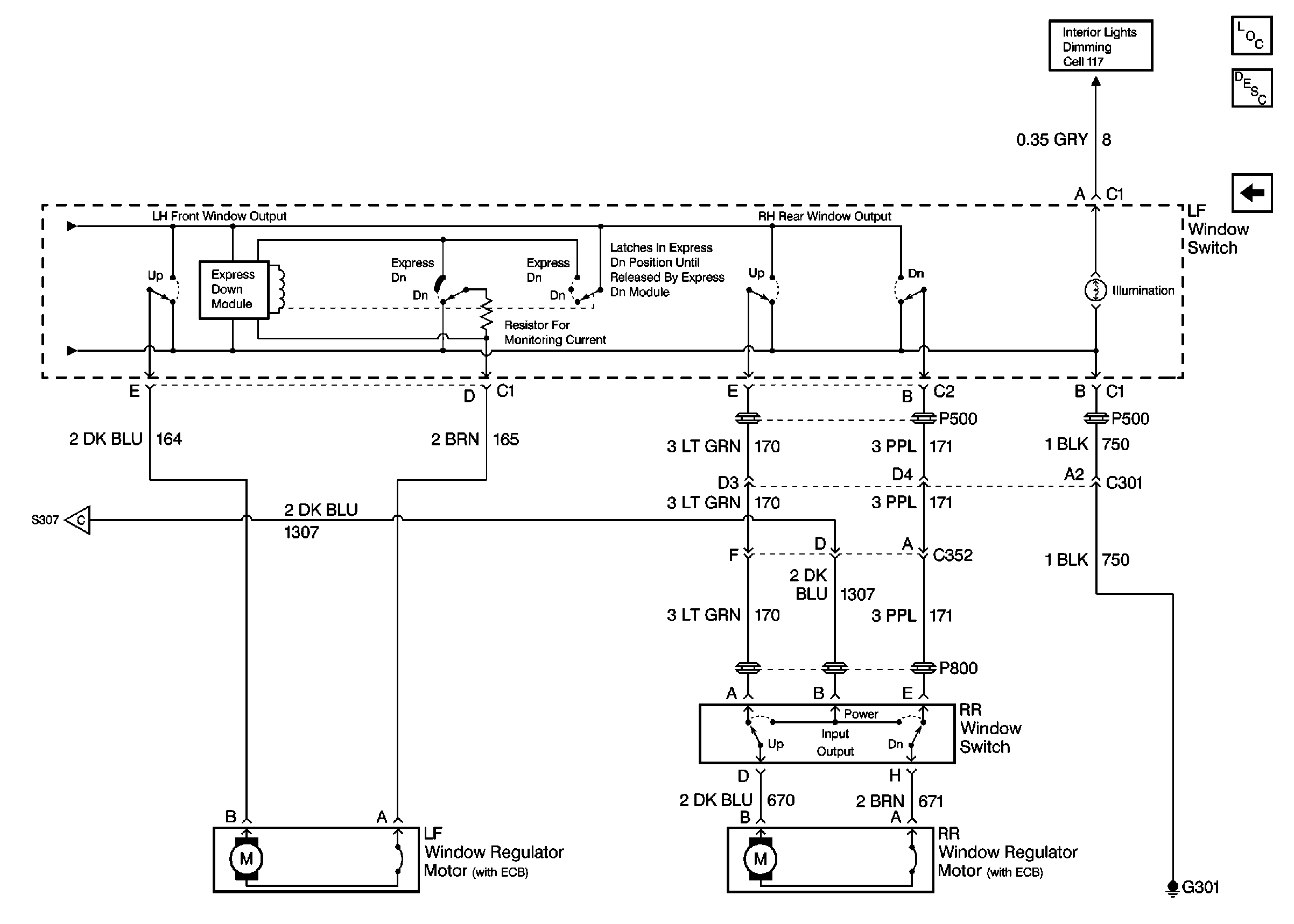
Figure
1:
Power Windows Schematic (Cell 120: Window Switches/Regulator Motors)
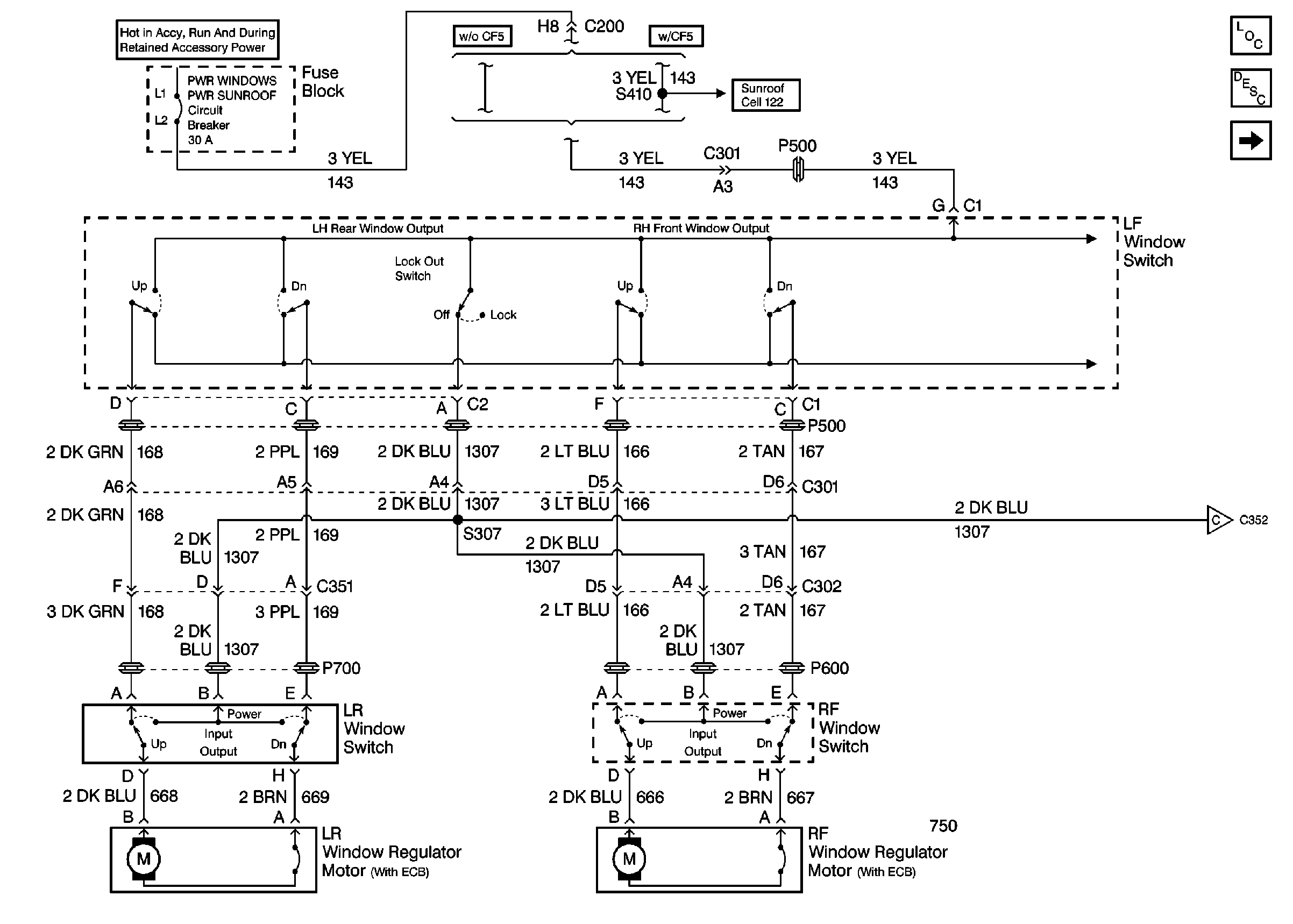
Figure
2:
Cell 120: Window Switches/Regulator Motors
Power Door Systems Components
Power Windows Circuit Description
Power Windows Schematic (Cell 120: Window Switches/Regulator Motors)
Interior Lights Schematics
Power Windows Schematic (Cell 120: Window Switches/Regulator Motors)
Power Windows Schematic (Cell 120: Window Switches/Regulator Motors)