GM Service Manual Online
For 1990-2009 cars only
Makes
🢒
Buick
🢒
1999
🢒
Regal
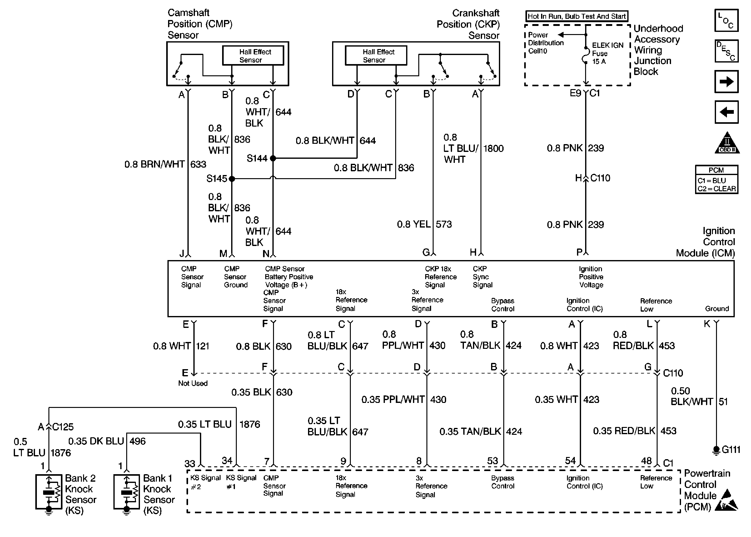
🢒 Ignition System, Knock Sensor
Ignition System, Knock Sensor
Ignition System, Knock Sensor
Engine Controls Components
Information Sensors/Switches Description
Fuel Control
Power, Ground, MIL, DLC
OBD II Symbol Description Notice
Powertrain Control Module Connector End Views