GM Service Manual Online
For 1990-2009 cars only
Makes
🢒
Buick
🢒
1999
🢒
Regal
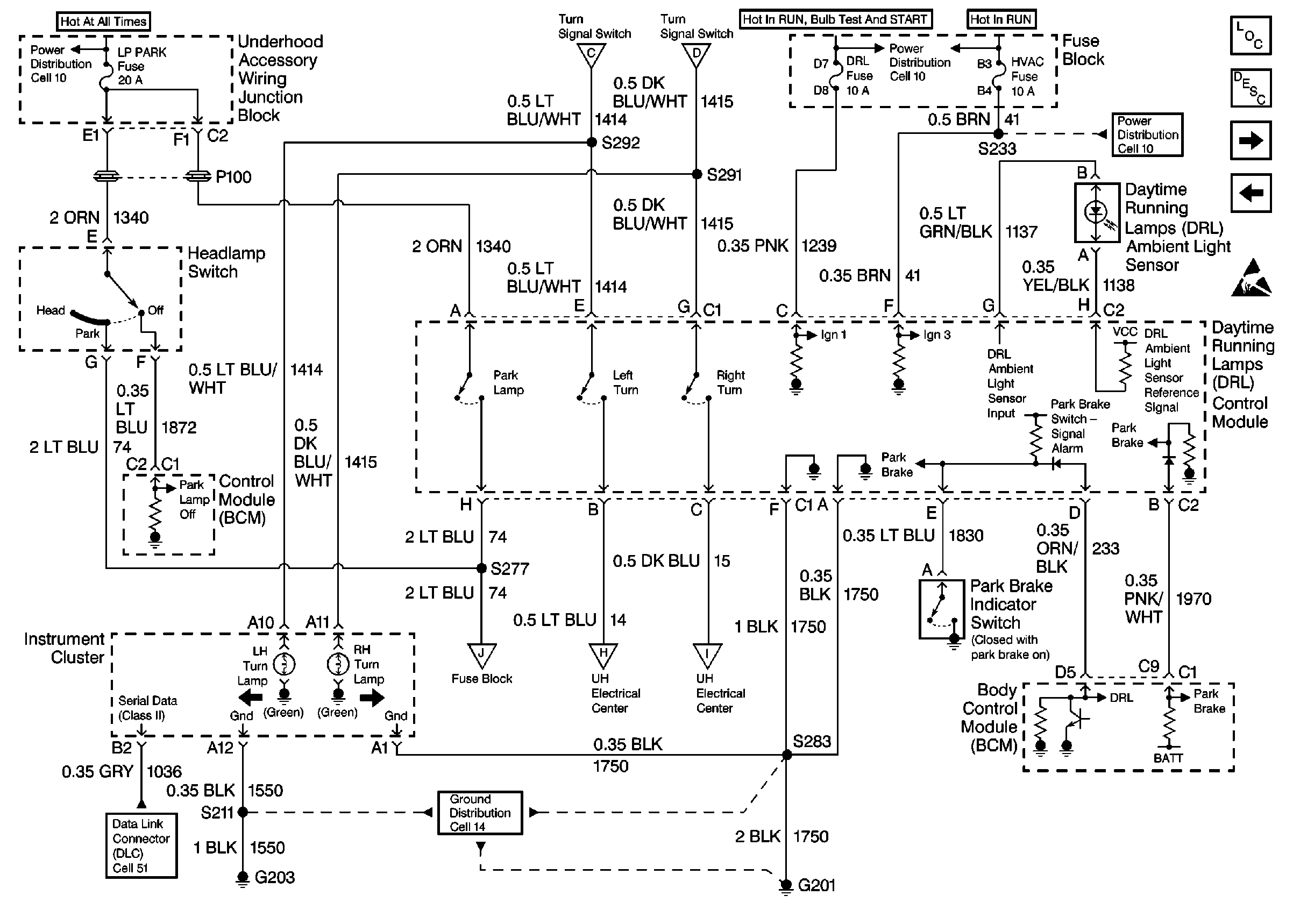
🢒 Cell 110: DRL Ambient Sensor and Module, BCM
Cell 110: DRL Ambient Sensor and Module, BCM
Cell 110: DRL Ambient Sensor and Module, BCM
Exterior Lights Circuit Description
Cell 110: Park/Rear License Lamp, Tail/Stop/Turn Lamps
Cell 110: Turn Signal Switch, CHMSL Lamp
Cell 110: Turn Signal Switch, CHMSL Lamp
Cell 110: Turn Signal Switch, CHMSL Lamp
Cell 11: LOW BLOWER, CRUISE and HVAC Fuses
Cell 11: LOW BLOWER, CRUISE and HVAC Fuses
Cell 14: G201
Cell 110: Power, Headlamps
Cell 110: Power, Headlamps
Cell 110: Power, Headlamps
Handling ESD Sensitive Parts Notice
Lighting Systems Components