GM Service Manual Online
For 1990-2009 cars only
Makes
🢒
Buick
🢒
1999
🢒
Regal
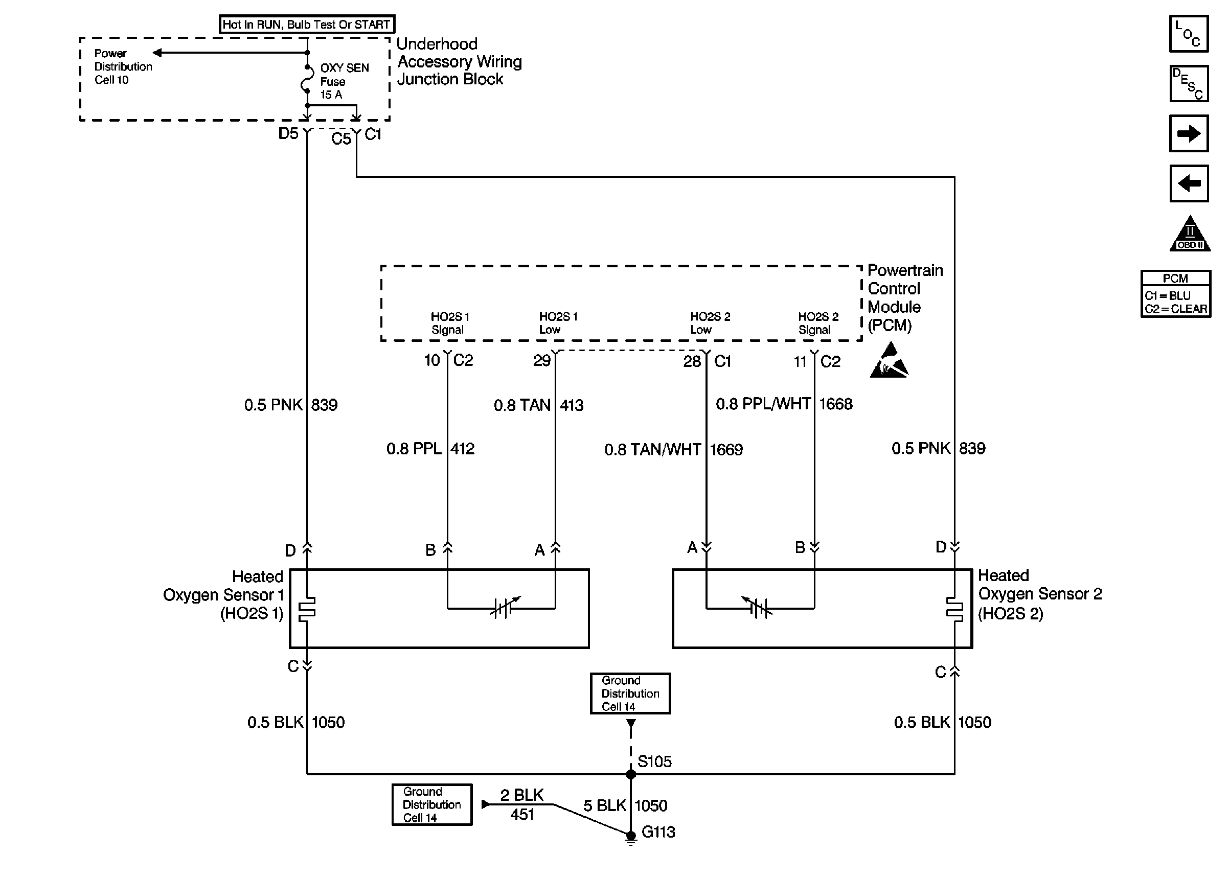
🢒 Cell 21: Engine Data Sensors-HO2S 1 and HO2S 2
Cell 21: Engine Data Sensors-HO2S 1 and HO2S 2
Cell 21: Engine Data Sensors-HO2S 1 and HO2S 2
Cell 21: Engine Data Sensors-EGR, EVAP Purge, EVAP Vent and MAF
OBDII Symbol Description Notice
Cell 21: Engine Data Sensors-A/C Refrig Press, ECT, IAT, MAP and TP
Cell 10: Underhood Accessory Wiring Junction Block
Cell 14: G100, G111, G113, and G117
Handling Electrostatic Discharge Sensitive Parts Notice