GM Service Manual Online
For 1990-2009 cars only
Makes
🢒
Buick
🢒
1999
🢒
Regal
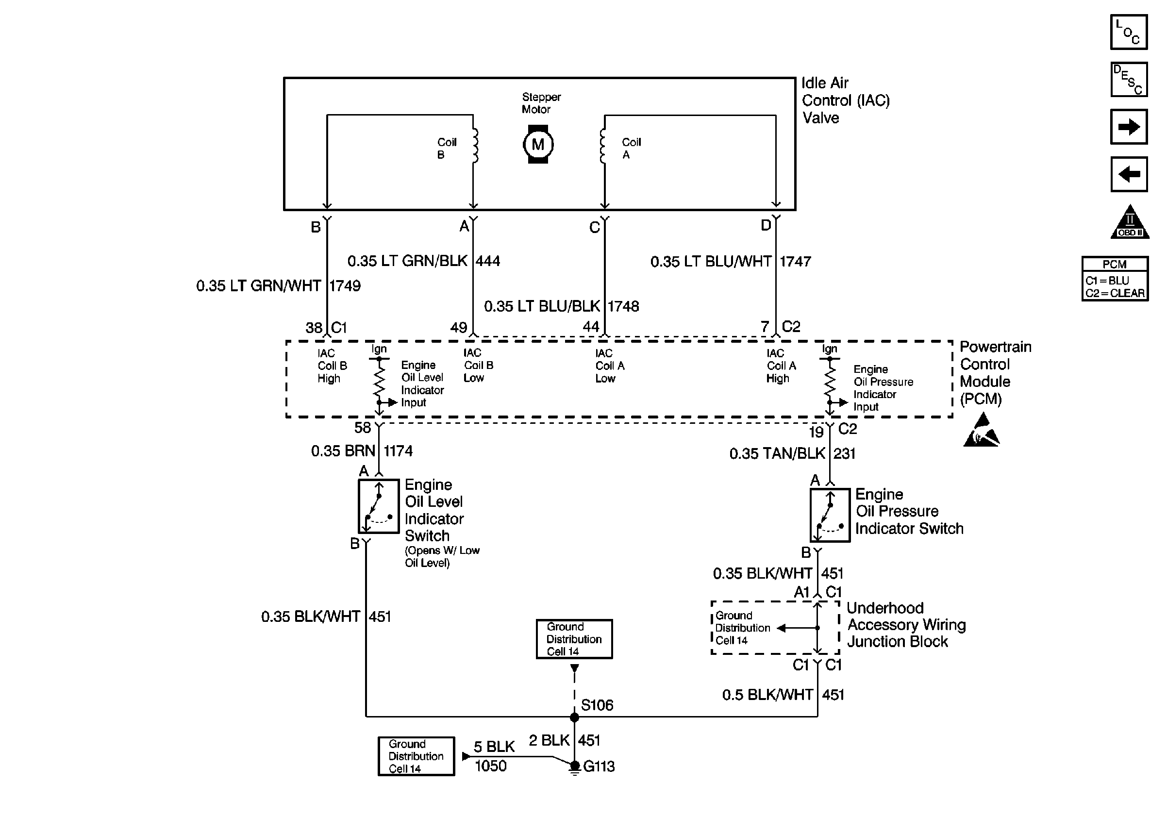
🢒 Cell 21: Engine Oil Level, Engine Oil Pressure and IAC
Cell 21: Engine Oil Level, Engine Oil Pressure and IAC
Cell 21: Engine Oil Level, Engine Oil Pressure and IAC
Cell 21: Cruise, VSS
OBDII Symbol Description Notice
Cell 21: Engine Data Sensors-EGR, EVAP Purge, EVAP Vent and MAF
Cell 14: G100, G111, G113, and G117
Cell 14: G100, G111, G113, and G117
Handling Electrostatic Discharge Sensitive Parts Notice