GM Service Manual Online
For 1990-2009 cars only
Makes
🢒
Buick
🢒
1999
🢒
Regal
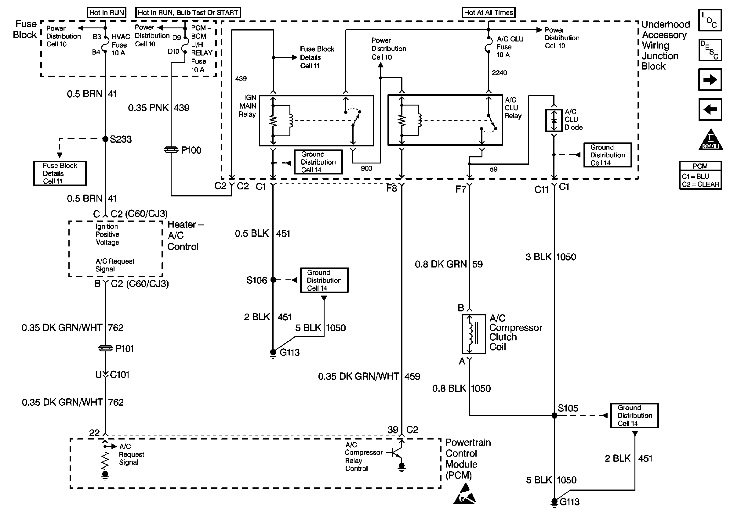
🢒 Cell 21: A/C Compressor Controls
Cell 21: A/C Compressor Controls
Cell 21: A/C Compressor Controls
Cell 21: Coolant Fans
OBDII Symbol Description Notice
Cell 21: Automatic Transmission and TCC Switch (2 of 2)
Cell 10: Accessory Time Delay Relay, and Ignition Switch
Cell 10: Ignition Switch
Cell 11: LOW BLOWER, CRUISE and HVAC Fuses
Cell 11: TURN SIGNALS CORN LPS, AIR BAG, CLUSTER, DRL and PCM-BCM U/H RELAY Fuses
Cell 10: Underhood Accessory Wiring Junction Block
Cell 10: Underhood Accessory Wiring Junction Block
Cell 14: G100, G111, G113, and G117
Cell 14: G113, and G117
Cell 14: G100, G111, G113, and G117
Cell 14: G100, G111, G113, and G117
Handling Electrostatic Discharge Sensitive Parts Notice