GM Service Manual Online
For 1990-2009 cars only

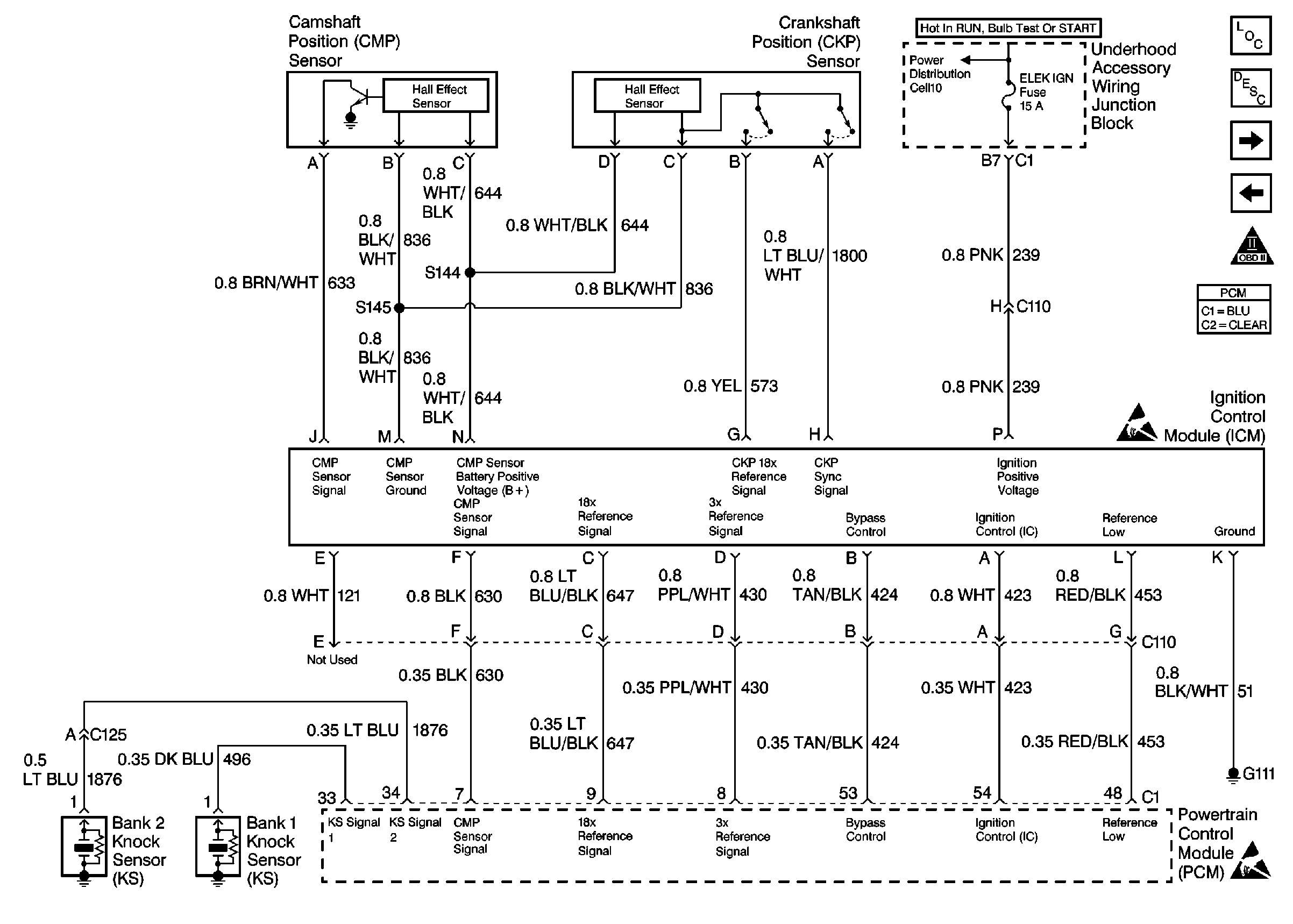
Refer to Engine Controls Schematics

Cell 21: Ignition System and Knock Sensors


Object Number: 349353  Size: FS
Cell 21: Fuel Controls - VIN K
OBDII Symbol Description Notice
Cell 21: Power, Ground, MIL and DLC
Cell 10: Underhood Accessory Wiring Junction Block
.

Circuit Description

The Ignition Control Module (ICM) sends signals that the PCM requires for fuel control and spark advance calculations. At the start of engine crank, the ICM controls spark advance (Bypass mode.) When the second 3X reference pulse is recognized by the PCM, the PCM applies 5 volts to the Bypass circuit, commanding the ICM to switch spark advance to PCM control (IC mode). If the PCM detects an open in the Bypass circuit, DTC P1352 will set. The engine will start and may run in Bypass mode timing.

Conditions for Running the DTC

The engine is running.

Conditions for Setting the DTC

The PCM detects an open circuit in the Bypass circuit.

Action Taken When the DTC Sets

    • The PCM will illuminate the MIL during the second consecutive trip in which the diagnostic test has been run and failed.
    • The PCM will store conditions which were present when the DTC set as Freeze Frame and Fail Records data.

Conditions for Clearing the MIL/DTC

    • The PCM will turn the MIL OFF during the third consecutive trip in which the diagnostic has been run and passed.
    • The history DTC will clear after 40 consecutive warm-up cycles have occurred without a malfunction.
    • The DTC can be cleared by using the scan tool Clear Info function or by disconnecting the PCM battery feed.

Diagnostic Aids

Check for the following conditions:

    • Poor connection at the PCM.
        Inspect harness connectors for backed out terminals, improper mating, broken locks, improperly formed or damaged terminals, and poor terminal to wire connection.
    • Damaged harness.
        Inspect the wiring harness for damage. If the harness appears to be OK, disconnect the ICM, turn the ignition ON and observe a digital multimeter connected between the IC circuit and B+ while moving connectors and wiring harnesses related to the ICM. A change in voltage will indicate the location of the malfunction.

Reviewing the Fail Records vehicle mileage since the diagnostic test last failed may help determine how often the condition that caused the DTC to be set occurs. This may assist in diagnosing the condition.

DTC P1352 - Bypass Circuit Open

Step

Action

Value(s)

Yes

No

1

Was the Powertrain On-Board Diagnostic (OBD) System Check performed?

--

Go to Step 2

Go to Powertrain On Board Diagnostic (OBD) System Check

2

  1. Turn OFF the ignition switch.
  2. Disconnect the PCM.
  3. Connect a J 39200 DMM between the IC and Reference Low Circuits.
  4. Turn ON the ignition switch.
  5. Probe the BYPASS circuit with a J 35616-200 test lamp connected to B+.

Does the DMM display a resistance above the specified value?

5000 ohms

Go to Step 4

Go to Step 3

3

  1. Turn OFF the ignition switch.
  2. Leave the PCM disconnected.
  3. Disconnect the Ignition Control Module connector.
  4. Check for an open in the BYPASS circuit.
  5. If a problem is found, repair as necessary. Refer to Wiring Repairs .

Was a problem found?

--

Go to Step 8

Go to Step 5

4

  1. Check for poor terminal connections at the PCM.
  2. If a problem is found, repair as necessary. Refer to Repairing Connector Terminals .

Was a problem found?

--

Go to Step 8

Go to Step 7

5

  1. Check for poor terminal connections at the Ignition Control Module.
  2. If a problem is found, repair as necessary. Refer to Repairing Connector Terminals .

Was a problem found?

--

Go to Step 8

Go to Step 6

6

Replace the Ignition Control Module. Refer to Ignition Control Module Replacement .

Is action complete?

--

Go to Step 8

--

7

Important: Replacement PCM must be reprogrammed. Refer to Powertrain Control Module Replacement/Programming .

Replace the PCM.

Is action complete?

--

Go to Step 8

--

8

  1. Review and record scan tool Fail Records data.
  2. Clear DTCs.
  3. Operate the vehicle within Fail Records conditions.
  4. Using the scan tool, monitor Specific DTC Info for DTC P1352.

Does the scan tool indicate DTC 1352 failed this ignition?

--

Go to Step 2

System OK