GM Service Manual Online
For 1990-2009 cars only
Makes
🢒
Buick
🢒
2000
🢒
Regal
🢒
Engine
🢒
Engine Cooling
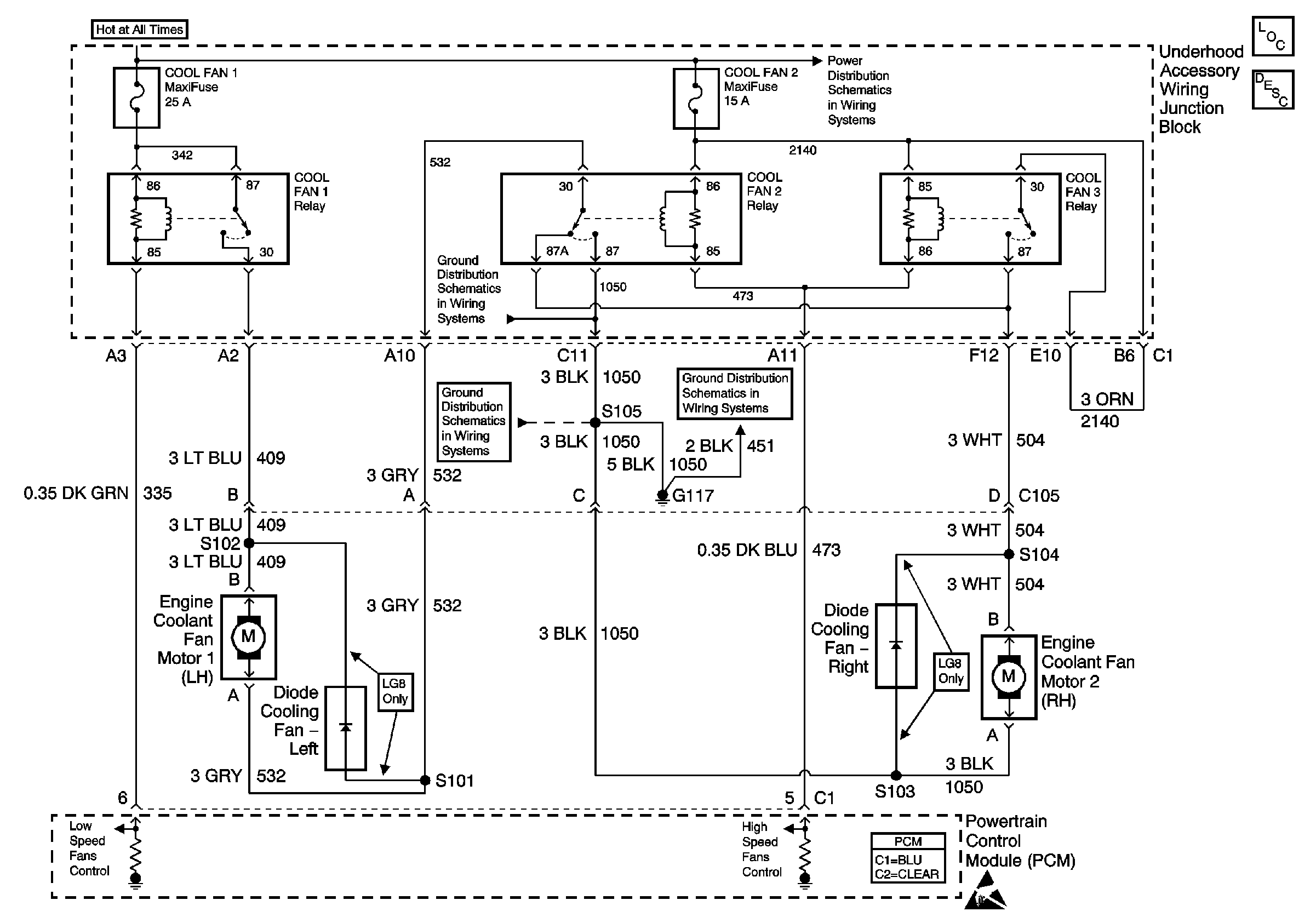
🢒 Cooling Fan Schematics
Cooling System Component Views
Engine Cooling Fan Description - Electric
G113 and G117
G100, G113 and G113
G100, G113 and G113
UAWJB
Handling ESD Sensitive Parts Notice