GM Service Manual Online
For 1990-2009 cars only

Refer to Engine Controls Schematic

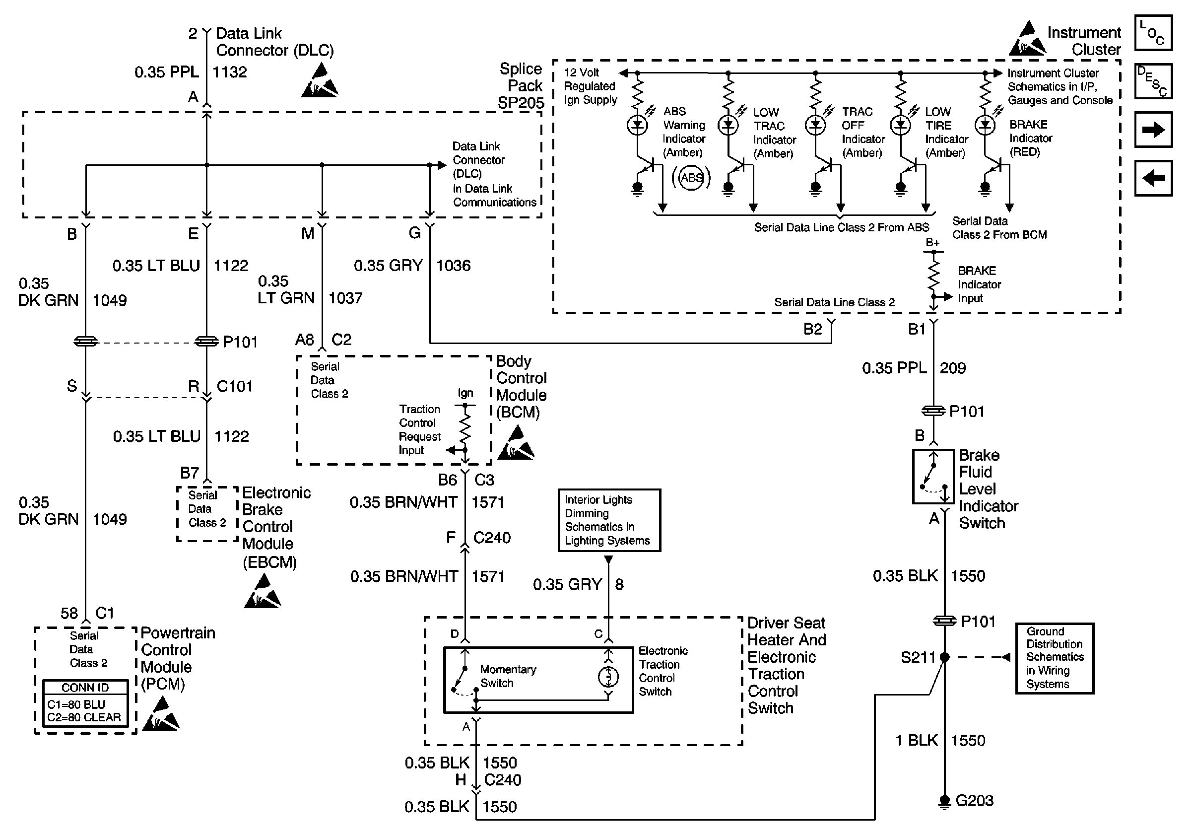
IPC Class 2 Serial Data Inputs, EBCM Traction Control Request and Electronic Traction Control Switch


Object Number: 590201  Size: FS
Handling ESD Sensitive Parts Notice
Handling ESD Sensitive Parts Notice
Handling ESD Sensitive Parts Notice
Handling ESD Sensitive Parts Notice
Handling ESD Sensitive Parts Notice
Serial Data Class 2
Headlamp Switch, Radio Control Switches, HVAC, Ashtray, Instrument Cluster, and Electronic Traction Control Switch Lamps
IPC Class 2 Serial Data MIL Outputs and Engine Coolant Level Indicator Input
G203
Antilock Brake System Component Views
ABS Description
EBCM MSVA Input, Torque Requested and Torque Delivered Inputs
EBCM Power and Grounds

Circuit Description

The PCM receives rough road information from the EBCM on the UART serial data circuit (CKT 800). The PCM uses the rough road information to enhance the misfire diagnostic by distinguishing crankshaft speed variations caused by driving on rough road surfaces from variations caused by true misfires. The EBCM transmits rough road information based on inputs from the wheel speed sensors. If a loss of communication occurs which causes the PCM not to receive rough road information while DTC P0300 is requesting the MIL, DTC P1381 will set.

Conditions for Running the DTC

    • Engine load is less than 87 percent.
    • Engine speed is less than 5000 RPM.
    • Vehicle speed is greater than 10 mph.
    • A misfire DTC is occurring and requesting the MIL to be illuminated.

Conditions for Setting the DTC

The PCM is detecting a loss of communication with the EBCM for at least 5 seconds.

Action Taken When the DTC Sets

The PCM stores conditions which were present when the DTC set as Failure Records only. This information will not be stored as Freeze Frame Records.

Conditions for Clearing the MIL/DTC

    • The DTC becomes history when the conditions for setting the DTC are no longer present.
    • The history DTC clears after 40 malfunction free warm-up cycles.
    • The PCM receives a clear code command from the scan tool.

Diagnostic Aids

Inspect for the following conditions:

Many situations may lead to an intermittent condition. Perform each inspection or test as directed.

Important: :  Remove any debris from the connector surfaces before servicing a component. Inspect the connector gaskets when diagnosing or replacing a component. Ensure that the gaskets are installed correctly. The gaskets prevent contaminate intrusion.

    • Loose terminal connection
       -  Use a corresponding mating terminal to test for proper tension. Refer to Testing for Intermittent Conditions and Poor Connections , and to Connector Repairs in Wiring Systems for diagnosis and repair.
       -  Inspect the harness connectors for backed out terminals, improper mating, broken locks, improperly formed or damaged terminals, and faulty terminal to wire connection. Refer to Testing for Intermittent Conditions and Poor Connections , and to Connector Repairs in Wiring Systems for diagnosis and repair.
    • Damaged harness--Inspect the wiring harness for damage. If the harness inspection does not reveal a problem, observe the display on the scan tool while moving connectors and wiring harnesses related to the sensor. A change in the scan tool display may indicate the location of the fault. Refer to Wiring Repairs in Wiring Systems for diagnosis and repair.
    •  Inspect the powertrain control module (PCM) and the engine grounds for clean and secure connections. Refer to Wiring Repairs in Wiring Systems for diagnosis and repair.

If the condition is determined to be intermittent, reviewing the Snapshot or Freeze Frame/Failure Records may be useful in determining when the DTC or condition was identified.

Test Description

Numbers below refer to the step numbers on the Diagnostic Table.

  1. Ensures that the EBCM is capable of transmitting serial data on the UART serial data circuit.

  2. Test the UART serial data circuit at the EBCM for correct voltage.

DTC P1381 - Misfire Detected - No EBCM/PCM Serial Data

Step

Action

Values

Yes

No

1

Did you perform the Powertrain On Board Diagnostic (OBD) System Check?

--

Go to Step 2

Go to Powertrain On Board Diagnostic (OBD) System Check

2

  1. Turn ON the ignition, with the engine OFF.
  2. Attempt to display ABS data on the scan tool.

Can ABS data be displayed?

--

Go to Step 3

Go to Step 4

3

  1. Test and inspect the serial data circuit for an open or a poor connection between the PCM and the EBCM.
  2. If a problem is found, repair as necessary. Refer to Wiring Repairs in Wiring Systems.

Did you find and correct the condition?

--

Go to Step 7

Go to Step 4

4

  1. Turn OFF the ignition.
  2. Disconnect the EBCM.
  3. Turn ON the ignition, with the engine OFF.
  4. Using a DMM measure voltage on the UART serial data circuit at the EBCM harness connector.

Does voltage vary within the specified values?

1-5V

Go to Step 5

Go to Step 6

5

  1. Inspect for a poor connection at the EBCM.
  2. If a problem is found, repair as necessary. Refer to Wiring Repairs in Wiring Systems.

Did you find and correct the condition?

--

Go to Step 7

Go to Step 6

6

  1. Check for an open in the serial data circuit to the EBCM. Refer to UART Data Line for a complete mechanization.
  2. If a problem is found, repair as necessary. Refer to Wiring Repairs in Wiring Systems.

Did you find and correct the condition?

--

Go to Step 7

Go to Diagnostic System Check - ABS in Antilock Brake Systems

7

  1. Turn ON the ignition, with the engine OFF.
  2. Attempt to display ABS data on the scan tool.

Can ABS data be displayed?

--

System OK

Go to Step 4