GM Service Manual Online
For 1990-2009 cars only

Refer to Engine Controls Schematics

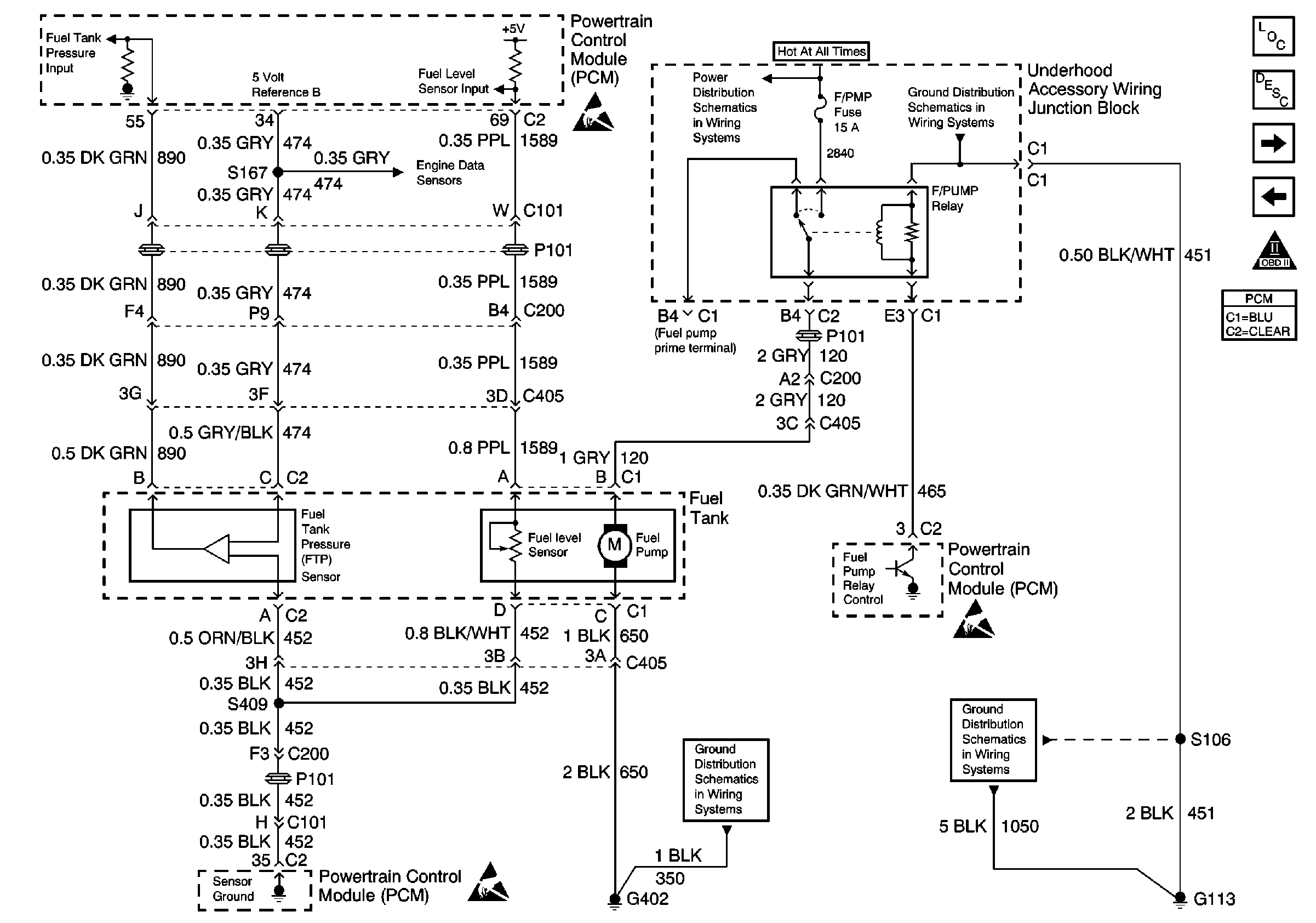
Fuel Tank Input/Output (L36 Only)


Object Number: 589893  Size: FS
G100, G113 and G113
Handling ESD Sensitive Parts Notice
UAWJB
G402 cont.
G100, G113 and G113
G100, G113 and G113
G100, G113 and G113
Instrument Panel, Gages, and Console Component Views
Instrument Cluster Circuit Description
Fuel Tank Input/Output (L67 Only)
Crankshaft and Camshaft Position Sensors
OBD II Symbol Description Notice
or

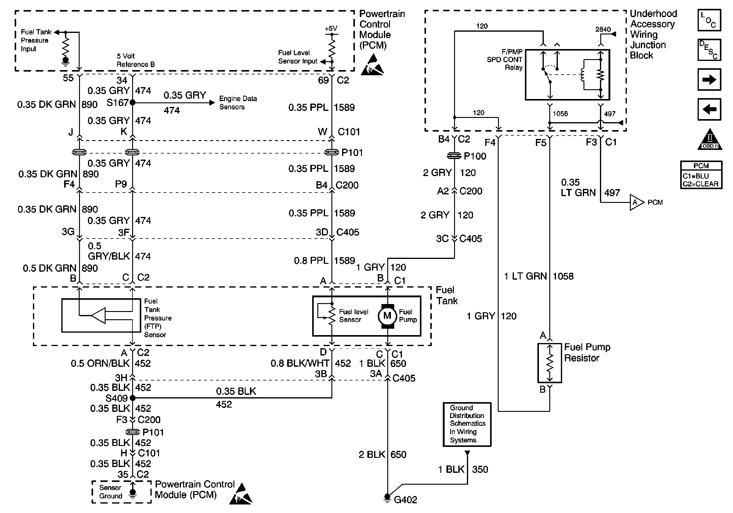
Fuel Tank Input/Output (L67 Only)


Object Number: 589900  Size: FS
Handling ESD Sensitive Parts Notice
Handling ESD Sensitive Parts Notice
G402 cont.
EBCM Input and Supercharger Boost Control Solenoid (L67 Only)
Instrument Panel, Gages, and Console Component Views
Instrument Cluster Circuit Description
EBCM Input and Supercharger Boost Control Solenoid (L67 Only)
Fuel Tank Input/Output (L36 Only)
OBD II Symbol Description Notice
.

Circuit Description

The powertrain control module (PCM) provides ignition positive voltage to control the fuel pump relay. The PCM has the ability to detect an electrical malfunction on the relay control circuit. When the ignition is first turned ON, the PCM energizes the fuel pump relay which applies power to the fuel pump. The fuel pump relay will remain ON as long as the engine is running or cranking and the PCM is receiving reference pulses. If no reference pulses are present, the PCM de-energizes the fuel pump relay within 2 seconds after the ignition is turned ON or the engine is stopped. With the engine stopped, the fuel pump can be turned ON by using the scan tool output controls function. If an electrical malfunction is detected, the PCM will set DTC P0230.

Conditions for Running the DTC

    • The ignition is ON.
    • System voltage is between 9.0-18.0 volts.

Conditions for Setting the DTC

    • The PCM detects an electrical malfunction on the fuel pump relay control circuit.
    • The condition is present for less than 1 second.

Action Taken When the DTC Sets

    • The PCM will not illuminate the malfunction indicator lamp (MIL).
    • The PCM will store conditions which were present when the DTC set as Failure Records data only. This information will not be stored as Freeze Frame data.

Conditions for Clearing the MIL/DTC

    • A History DTC will clear after 40 consecutive warm-up cycles have occurred without a malfunction.
    • The DTC can be cleared by using the scan tool Clear Info function.

Diagnostic Aids

An intermittent may be caused by:

    •  A poor connection
    • Rubbed through the wire insulation
    •  A wire broken inside of the insulation

Check for the following conditions:

    • Poor connections at the PCM or fuel pump relay -- Inspect harness connectors for:
       -  Backed out terminals
       - Improper mating
       - Broken locks
       -  Improperly formed or damaged terminals
       - Poor terminal to wire connection
    • Damaged harness -- Inspect the wiring harness for damage.

Reviewing the Freeze Frame and Failure Records vehicle mileage since the diagnostic test last failed may help determine how often the condition that caused the DTC to be set occurs. This may assist in diagnosing the condition.

Test Description

The numbers below refer to the step numbers on the diagnostic table.

  1. Listen for an audible click when the relay operates. Command both the ON and OFF states. Repeat the commands as necessary.

  2. This step verifies that the PCM is providing voltage to the relay.

  3. This step tests for an open in the ground circuit to the relay.

  4. Tests if voltage is constantly being applied to the relay.

  5. The PCM utilizes an Electrically Erasable Programmable Read Only Memory (EEPROM). When the PCM is replaced, the new PCM must be programmed.

Step

Action

Values

Yes

No

1

Did you perform the Powertrain On Board Diagnostic (OBD) System Check?

--

Go to Step 2

Go to Powertrain On Board Diagnostic (OBD) System Check

2

  1. Turn ON the ignition, with the engine OFF.
  2. With a scan tool, command the fuel pump relay ON and OFF.

Does the relay turn ON and OFF with each command?

--

Go to Diagnostic Aids

Go to Step 3

3

  1. Turn OFF the ignition.
  2. Disconnect the relay.
  3. Turn ON the ignition, with the engine OFF.
  4. Probe the control circuit of the relay with a test lamp connected to a good ground.
  5. With a scan tool, command the relay ON and OFF.

Does the test lamp turn ON and OFF with each command?

--

Go to Step 4

Go to Step 5

4

  1. Connect a test lamp between the control circuit of the relay and the ground circuit of the relay.
  2. With a scan tool, command the relay ON and OFF.

Does the test lamp turn ON and OFF with each command?

--

Go to Step 8

Go to Step 10

5

Does the test lamp remain illuminated with each command?

--

Go to Step 7

Go to Step 6

6

Test the control circuit of the relay for a short to ground or an open. Refer to Wiring Repairs in Wiring Systems.

Did you find and correct the condition?

--

Go to Step 13

Go to Step 9

7

Test the control circuit of the relay for a short to voltage. Refer to Wiring Repairs in Wiring Systems.

Did you find and correct the condition?

--

Go to Step 13

Go to Step 9

8

Inspect for poor connections at the relay. Refer to Testing for Intermittent Conditions and Poor Connections and Connector Repairs in Wiring systems.

Did you find and correct the condition?

--

Go to Step 13

Go to Step 11

9

Inspect for poor connections at the PCM. Refer to Testing for Intermittent Conditions and Poor Connections and Connector Repairs in Wiring Systems.

Did you find and correct the condition?

--

Go to Step 13

Go to Step 12

10

Repair the ground circuit of the relay. Refer to Wiring Repairs in Wiring Systems.

Is the action complete?

--

Go to Step 13

--

11

Replace the relay.

Is the action complete?

--

Go to Step 13

--

12

Important: The replacement PCM must be programmed.

Replace the PCM. Refer to Powertrain Control Module Replacement/Programming .

is the action complete?

--

Go to Step 13

--

13

  1. Use the scan tool in order to clear the DTCs.
  2. Operate the vehicle within the Conditions for Running the DTC as specified in the supporting text.

Does the DTC reset?

--

Go to Step 2

System OK