GM Service Manual Online
For 1990-2009 cars only

Removal Procedure

Tools Required

J 37088-A Fuel Line Quick Connect Separator

    Notice: 

       • Use care when servicing the fuel system components, especially the fuel injector electrical connectors, the fuel injector tips, and the injector O-rings. Plug the inlet and the outlet ports of the fuel rail in order to prevent contamination.
       • Do not use compressed air to clean the fuel rail assembly as this may damage the fuel rail components.
       • Do not immerse the fuel rail assembly in a solvent bath in order to prevent damage to the fuel rail assembly.


    Object Number: 489615  Size: SH
  1. Relieve the fuel pressure from the Fuel System. Refer to Fuel Pressure Relief .
  2. Clean the fuel rail assembly and connections.
  3. Remove the fuel feed and return pipe quick connect retainers (4).
  4. Remove the fuel feed (3) and return pipes (1) from the fuel rail. Refer to In-Line Fuel Filter Replacement .

  5. Object Number: 180061  Size: SH
  6. Remove the vacuum lines from the throttle body.

  7. Object Number: 211486  Size: SH
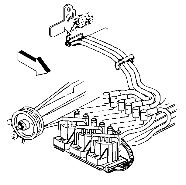
  8. Remove the ignition coil wires from the ignition coil and retainer clips on top of the supercharger.
  9. Remove the generator and rear generator mounting bracket. Refer to Generator Replacement and Generator Brace Replacement in Engine Electrical.

  10. Object Number: 198404  Size: SH
  11. Remove the fuel injector electrical connectors from the fuel injectors.

  12. Object Number: 207599  Size: SH
  13. Remove the vacuum line from the fuel pressure regulator.
  14. Remove the injector electrical harness clips holding the harness to the front of the fuel rail.

  15. Object Number: 66405  Size: SH
  16. Remove the supercharger boost control solenoid (2). Refer to Boost Control Solenoid Replacement .
  17. Remove the supercharger bypass valve actuator (1). Refer to Supercharger Bypass Valve Actuator Replacement .

  18. Object Number: 12256  Size: SH
  19. Remove the fuel rail hold-down bolts from the fuel rail.
  20. Important: When servicing the fuel rail assembly, precautions must be taken to prevent dirt and other contaminants from entering the fuel passages. It is recommended that the fittings be capped, and the holes be plugged during servicing.

  21. Remove the fuel rail with equal force on both sides of the fuel rail.

Installation Procedure

Caution: In order to reduce the risk of fire and personal injury that may result from a fuel leak, always install the fuel injector O-rings in the proper position. If the upper and lower O-rings are different colors (black and brown), be sure to install the black O-ring in the upper position and the brown O-ring in the lower position on the fuel injector. The O-rings are the same size but are made of different materials.

Notice: 

   • Use care when servicing the fuel system components, especially the fuel injector electrical connectors, the fuel injector tips, and the injector O-rings. Plug the inlet and the outlet ports of the fuel rail in order to prevent contamination.
   • Do not use compressed air to clean the fuel rail assembly as this may damage the fuel rail components.
   • Do not immerse the fuel rail assembly in a solvent bath in order to prevent damage to the fuel rail assembly.


    Object Number: 12275  Size: SH
  1. The O-rings must be replaced on all components that are replaced.
  2. Lightly oil the fuel injector O-rings with clean motor oil (2).

  3. Object Number: 12256  Size: SH
  4. Place the fuel rail assembly on the supercharger.
  5. Seat the fuel injectors by HAND.
  6. Notice: Use the correct fastener in the correct location. Replacement fasteners must be the correct part number for that application. Fasteners requiring replacement or fasteners requiring the use of thread locking compound or sealant are identified in the service procedure. Do not use paints, lubricants, or corrosion inhibitors on fasteners or fastener joint surfaces unless specified. These coatings affect fastener torque and joint clamping force and may damage the fastener. Use the correct tightening sequence and specifications when installing fasteners in order to avoid damage to parts and systems.

  7. Install the fuel rail hold-down bolts.
  8. Tighten
    Tighten the fuel rail hold-down bolts to 10 N·m (7 lb ft).

  9. install the fuel rail hold down stud.
  10. Tighten
    Tighten the fuel rail hold-down stud to 25 N·m (18 lb ft).


    Object Number: 66405  Size: SH
  11. Install the supercharger bypass valve actuator (1). Refer to Supercharger Bypass Valve Actuator Replacement .
  12. Install the supercharger boost control solenoid (2). Refer to Boost Control Solenoid Replacement .
  13. Install the generator and rear generator mounting bracket. Refer to Generator Replacement and Generator Brace Replacement in Engine Electrical.

  14. Object Number: 207599  Size: SH
  15. Install the fuel injector electrical harness clips holding the harness to the front of the fuel rail.

  16. Object Number: 198404  Size: SH
  17. Install the fuel injector electrical connectors to the fuel injectors.

  18. Object Number: 211486  Size: SH
  19. Install the ignition coil wires to the coils and retainer clips on top of the supercharger.

  20. Object Number: 207599  Size: SH
  21. Install the vacuum line to the fuel pressure regulator.

  22. Object Number: 180061  Size: SH
  23. Install the vacuum lines to the throttle body.

  24. Object Number: 489615  Size: SH
  25. Install the fuel feed (3) and return (1) pipes to the fuel rail. Refer to Plastic Collar Quick Connect Fitting Service .
  26. Reconnect the negative battery cable. Refer to Battery Negative Cable Disconnection and Connection in Engine Electrical.
  27. 16.1. Turn ON the ignition for 2 seconds.
    16.2. Turn OFF the ignition for 10 seconds.
    16.3. Turn ON the ignition.
    16.4. Check for fuel leaks.

    Object Number: 49593  Size: SH
  28. Install the fuel injection sight shield. Refer to Fuel Injector Sight Shield Replacement .
  29. Tighten
    Tighten the nut to 2 N·m (18 lb in).