GM Service Manual Online
For 1990-2009 cars only
Figure 1:

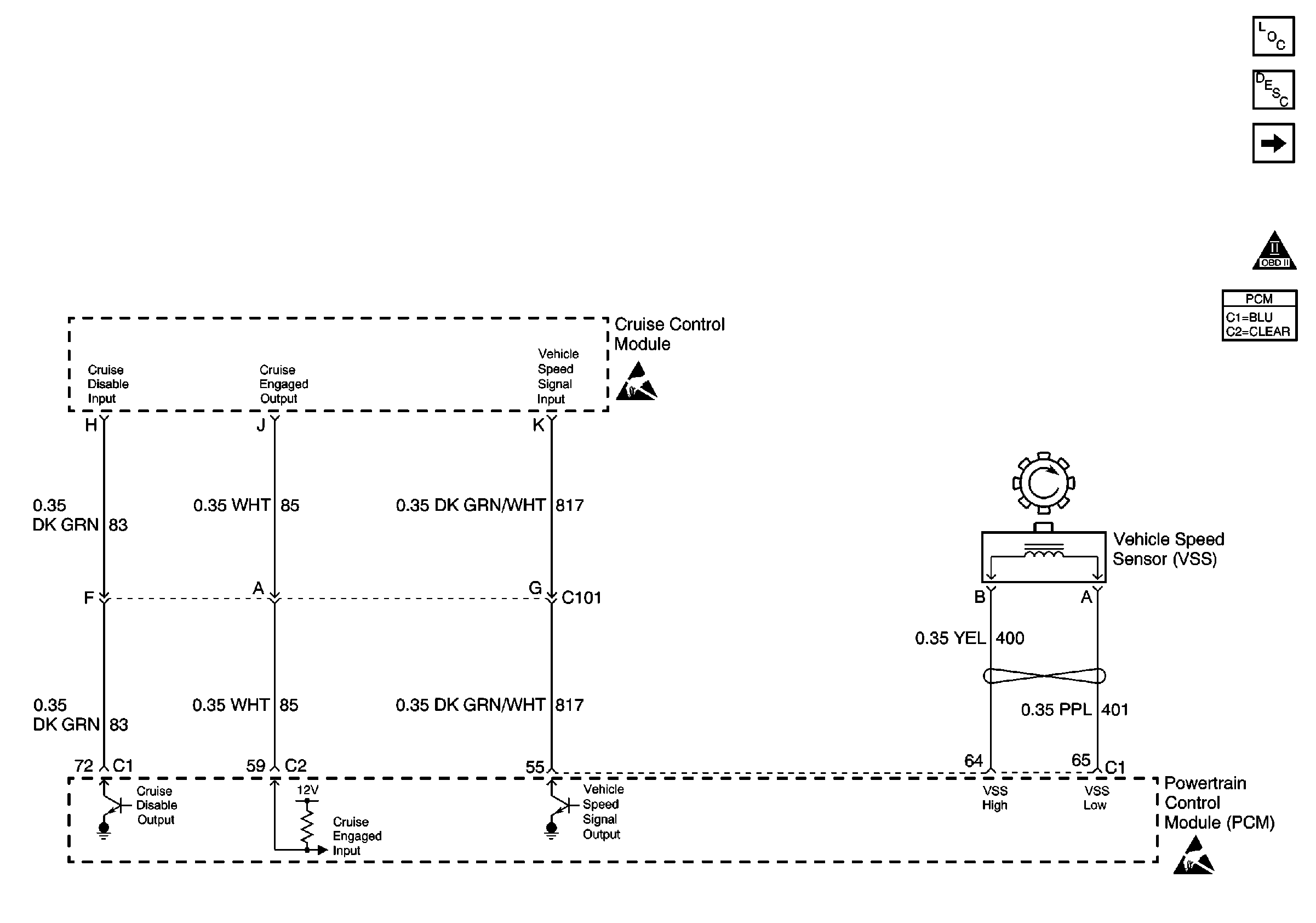
Cruise Control Module Outputs and VSS


Object Number: 590166  Size: FS
Handling ESD Sensitive Parts Notice
Handling ESD Sensitive Parts Notice
OBD II Symbol Description Notice
Transmission Component Location
Electronic Component Description
Automatic Transaxle Input/Output and Stop Lamp Switch
Figure 2:

Automatic Transaxle Input/Output and Stop Lamp Switch


Object Number: 590167  Size: FS
UAWJB, Stop Lamp Switch, EVAP, MAF Secondary Air Injection Bypass Valve Solenoid
UAWJB, Stop Lamp Switch, EVAP, MAF Secondary Air Injection Bypass Valve Solenoid
UAWJB, Automatic Transaxle, ICM, HO2S1 and HO2S2
Handling ESD Sensitive Parts Notice
Transmission Component Location
Electronic Component Description
Transmission Fluid Pressure Inputs
Cruise Control Module Outputs and VSS
OBD II Symbol Description Notice
Figure 3:

Transmission Fluid Pressure Inputs


Object Number: 590168  Size: FS
Handling ESD Sensitive Parts Notice
Handling ESD Sensitive Parts Notice
Transmission Component Location
Electronic Component Description
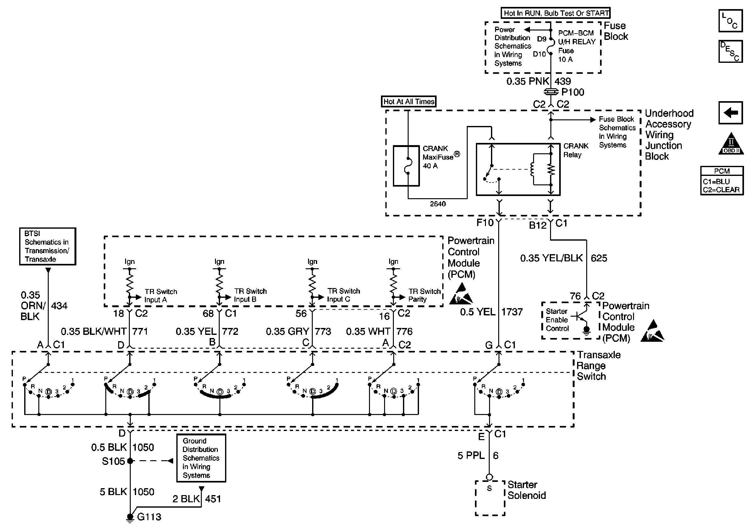
Transaxle Range Switch Inputs
Automatic Transaxle Input/Output and Stop Lamp Switch
OBD II Symbol Description Notice
Figure 4:

Transaxle Range Switch Inputs


Object Number: 590182  Size: FS
Power Feed and Stop Lamp Switch
G113 and G117
Fuse Block, UAWJB, PCM, BCM, Cluster, Turn Signal Switch, and SDM Module
UAWJB
Handling ESD Sensitive Parts Notice
Handling ESD Sensitive Parts Notice
Transmission Component Location
Electronic Component Description
Transmission Fluid Pressure Inputs
OBD II Symbol Description Notice