GM Service Manual Online
For 1990-2009 cars only
Makes
🢒
Buick
🢒
2000
🢒
Regal
🢒
Body and Accessories
🢒
Lighting Systems
🢒 Interior Lights Dimming Schematics
Figure
1:
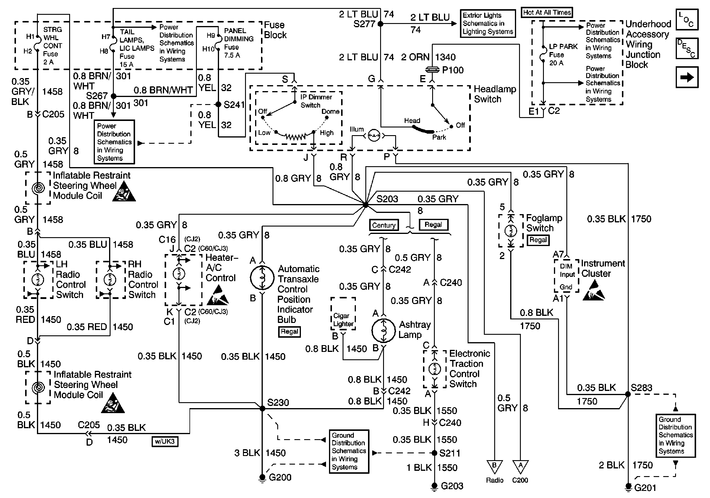
Headlamp Switch, Radio Control Switches, HVAC, Ashtray, Instrument Cluster, and Electronic Traction Control Switch Lamps
Front Park Lamps, Tail Lamps, License Lamps, and Panel Dimming Fuses
Front Park Lamps, Tail Lamps, License Lamps, and Panel Dimming Fuses
SIR Caution
Handling ESD Sensitive Parts Notice
SIR Caution
G200
BCM, Headlamp Switch, Park Lamp Relay, Headlamp Relay and Ambient Light SenSor
Battery, UAWJB, Fuse Block, Headlamp Switch, Parklamp and Headlamp Relay
Battery, UAWJB, Fuse Block, Headlamp Switch, Parklamp and Headlamp Relay
Handling ESD Sensitive Parts Notice
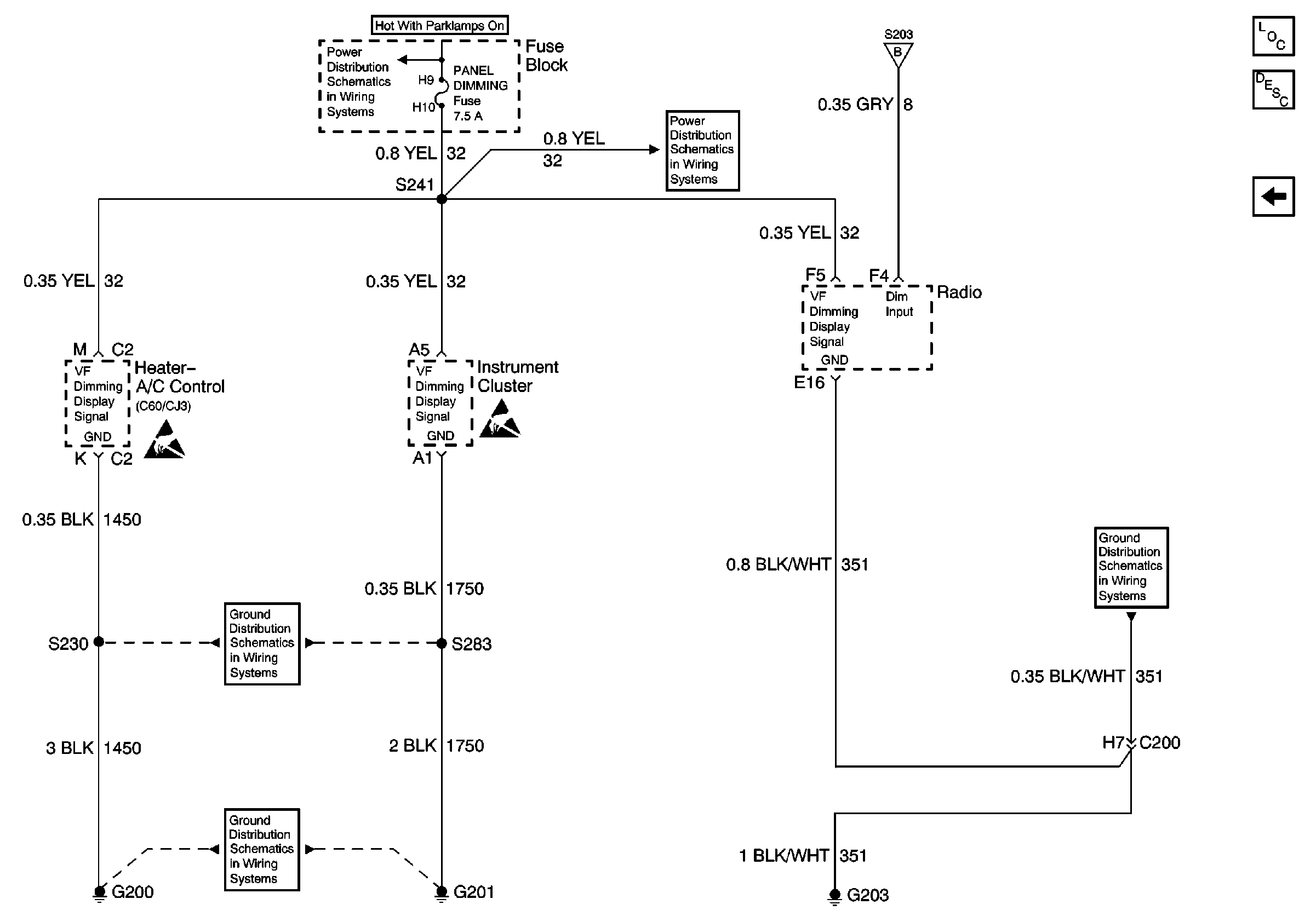
Heater-A/C Control, Instrument Cluster and Radio
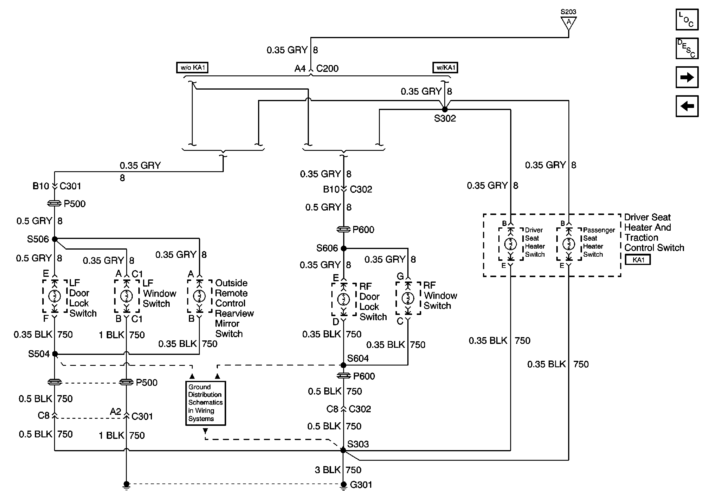
Door Lock, Window, and Seat Heater Switches
G201
Lighting Systems Components
Interior Lights Dimming Circuit Description
Door Lock, Window, and Seat Heater Switches
Figure
2:
Door Lock, Window, and Seat Heater Switches
G301
Headlamp Switch, Radio Control Switches, HVAC, Ashtray, Instrument Cluster, and Electronic Traction Control Switch Lamps
Lighting Systems Components
Interior Lights Dimming Circuit Description
Heater-A/C Control, Instrument Cluster and Radio
Headlamp Switch, Radio Control Switches, HVAC, Ashtray, Instrument Cluster, and Electronic Traction Control Switch Lamps
Figure
3:
Heater-A/C Control, Instrument Cluster and Radio
Front Park Lamps, Tail Lamps, License Lamps, and Panel Dimming Fuses
Handling ESD Sensitive Parts Notice
G200
G200
Handling ESD Sensitive Parts Notice
Front Park Lamps, Tail Lamps, License Lamps, and Panel Dimming Fuses
Headlamp Switch, Radio Control Switches, HVAC, Ashtray, Instrument Cluster, and Electronic Traction Control Switch Lamps
G203
Lighting Systems Components
Interior Lights Dimming Circuit Description
Door Lock, Window, and Seat Heater Switches