GM Service Manual Online
For 1990-2009 cars only
Makes
🢒
Buick
🢒
2000
🢒
Regal
🢒
Body and Accessories
🢒
Lighting Systems
🢒 Headlights Schematics
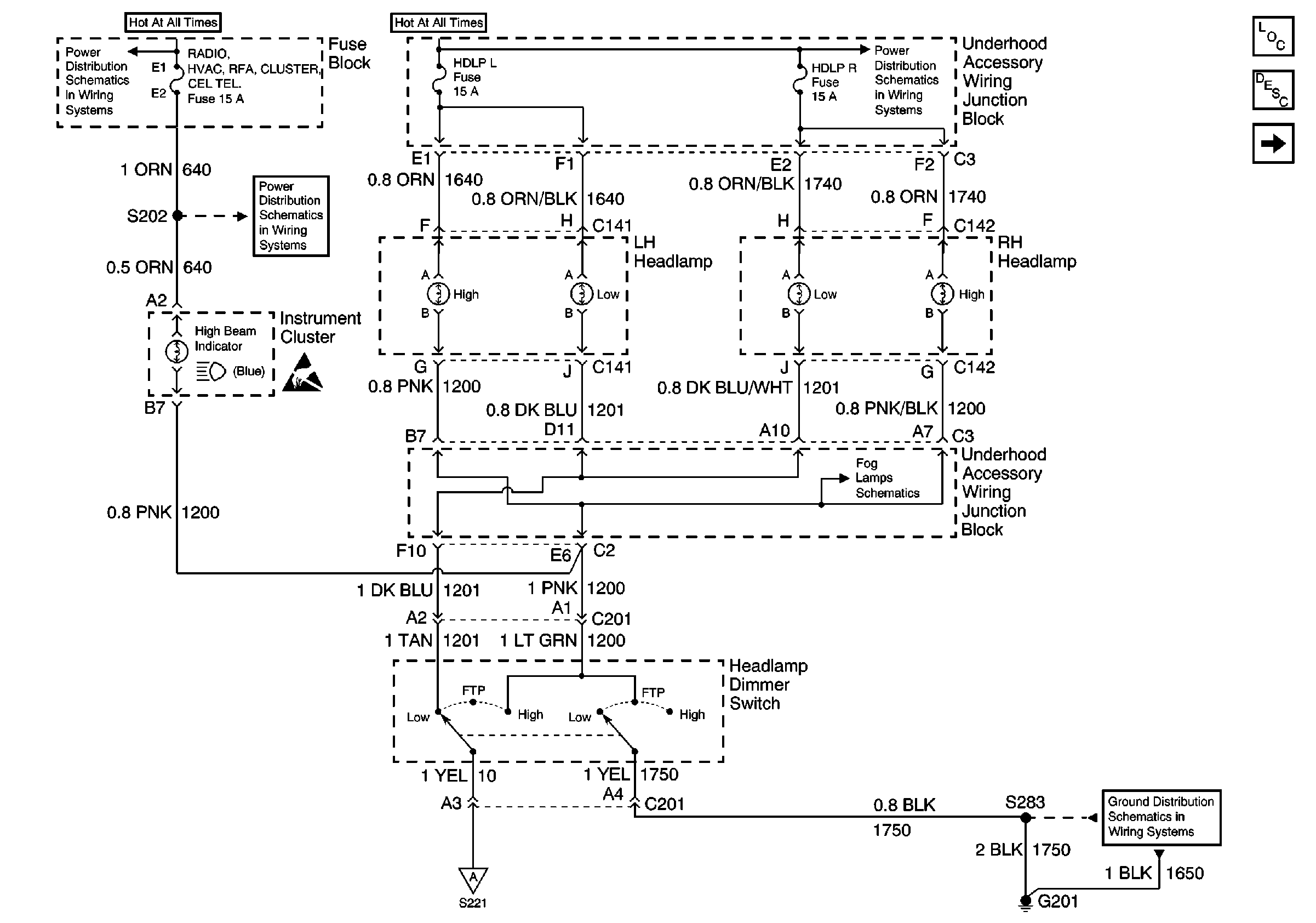
Figure
1:
Headlamps, Instrument Cluster and Headlamp Dimmer Switch
Battery, UAWJB, Fuse Block, Headlamp Switch, Parklamp and Headlamp Relay
Radio, HVAC, RFA, Cluster, Cel Tel, BCM Power, INADV Power Bus, Radio PRM Sound, and Cigar Lighter/Data Link Fuses
Handling ESD Sensitive Parts Notice
Headlamp Relay, BCM and Headlamp Switch
UAWJB, Fuse Block, Headlamps, EBCM, and Generator
Headlamp Switch, Instrument Cluster and Headlamp Dimmer Switch
G201
Lighting Systems Components
Headlights/Daytime Running Lights (DRL) Circuit Description
Headlamp Relay, BCM and Headlamp Switch
Figure
2:
Headlamp Relay, BCM and Headlamp Switch
Battery, UAWJB, Fuse Block, Headlamp Switch, Parklamp and Headlamp Relay
BCM, Headlamp Switch, Park Lamp Relay, Headlamp Relay and Ambient Light SenSor
Headlamps, Instrument Cluster and Headlamp Dimmer Switch
Handling ESD Sensitive Parts Notice
G201
Lighting Systems Components
Headlights/Daytime Running Lights (DRL) Circuit Description
Headlamps, Instrument Cluster and Headlamp Dimmer Switch