GM Service Manual Online
For 1990-2009 cars only
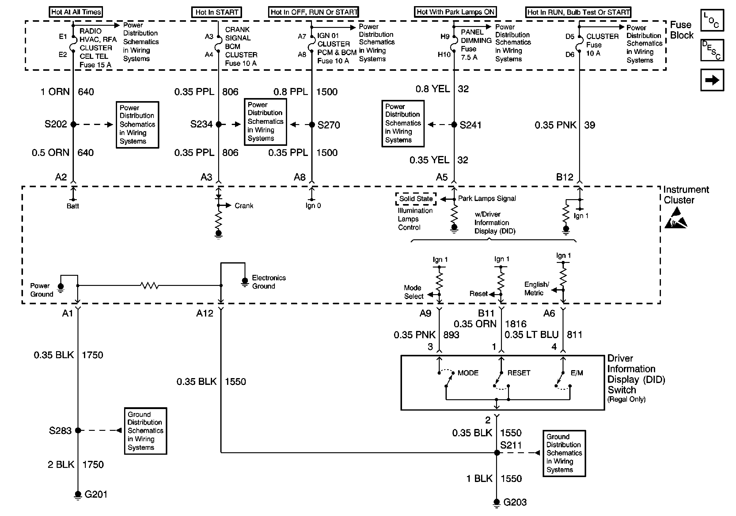
Figure 1:

IPC Power and Grounds


Object Number: 594220  Size: FS
Radio, HVAC, RFA, Cluster, Cel Tel, BCM Power, INADV Power Bus, Radio PRM Sound, and Cigar Lighter/Data Link Fuses
Fuse Block Outside Rearview Mirror, Cluster, BCM, PCM, and BTSI Fuse
Front Park Lamps, Tail Lamps, License Lamps, and Panel Dimming Fuses
Fuse Block, UAWJB, PCM, BCM, Cluster, Turn Signal Switch, and SDM Module
Instrument Panel, Gages, and Console Component Views
Instrument Cluster Circuit Description
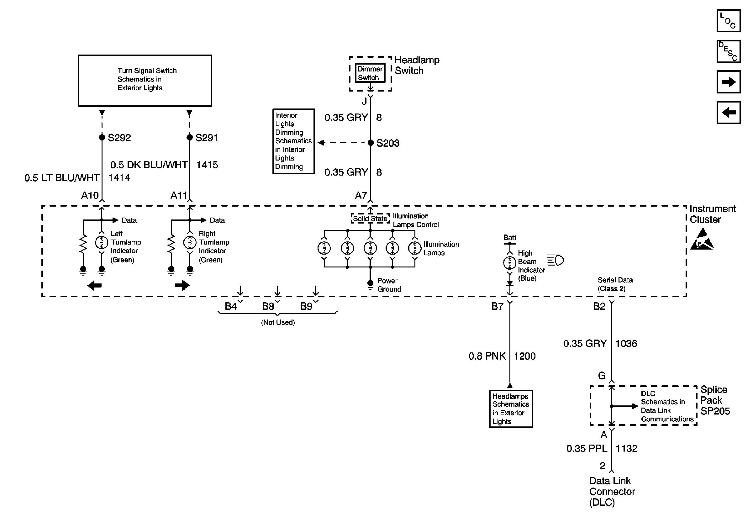
IPC Turn Signal Input, Headlamp Switch Input and High Beam Indicator Input
Radio, HVAC, RFA, Cluster, Cel Tel, BCM Power, INADV Power Bus, Radio PRM Sound, and Cigar Lighter/Data Link Fuses
Fuse Block Outside Rearview Mirror, Cluster, BCM, PCM, and BTSI Fuse
Front Park Lamps, Tail Lamps, License Lamps, and Panel Dimming Fuses
Handling ESD Sensitive Parts Notice
G201
G203
Figure 2:

IPC Turn Signal Input, Headlamp Switch Input and High Beam Indicator Input


Object Number: 594222  Size: FS
Hazard Lamp/ Turn Signal Lamp Flasher, Turn Signal Switch, CHMSL And Stop Lamp Switch
Headlamp Switch, Radio Control Switches, HVAC, Ashtray, Instrument Cluster, and Electronic Traction Control Switch Lamps
Instrument Panel, Gages, and Console Component Views
Instrument Cluster Circuit Description
IPC Class 2 Serial Data MIL Outputs and Engine Coolant Level Indicator Input
IPC Power and Grounds
Handling ESD Sensitive Parts Notice
Headlamps, Instrument Cluster and Headlamp Dimmer Switch
Serial Data Class 2
Figure 3:

IPC Class 2 Serial Data MIL Outputs and Engine Coolant Level Indicator Input


Object Number: 594223  Size: FS
Instrument Panel, Gages, and Console Component Views
Instrument Cluster Circuit Description
IPC Class 2 Serial Data MIL Outputs and Brake Fluid Level Indicator Input
IPC Turn Signal Input, Headlamp Switch Input and High Beam Indicator Input
Handling ESD Sensitive Parts Notice
Handling ESD Sensitive Parts Notice
G101
G200
SIR Caution
Figure 4:

IPC Class 2 Serial Data MIL Outputs and Brake Fluid Level Indicator Input


Object Number: 594224  Size: FS
Instrument Panel, Gages, and Console Component Views
Instrument Cluster Circuit Description
IPC Class 2 Serial Data MIL Outputs
IPC Class 2 Serial Data MIL Outputs and Engine Coolant Level Indicator Input
Handling ESD Sensitive Parts Notice
G203
Figure 5:

IPC Class 2 Serial Data MIL Outputs


Object Number: 610444  Size: FS
Instrument Panel, Gages, and Console Component Views
Instrument Cluster Circuit Description
IPC Class 2 Serial Data MIL Outputs and Brake Fluid Level Indicator Input
Handling ESD Sensitive Parts Notice