GM Service Manual Online
For 1990-2009 cars only
Makes
🢒
Buick
🢒
2000
🢒
Regal
🢒
Body and Accessories
🢒
Stationary Windows
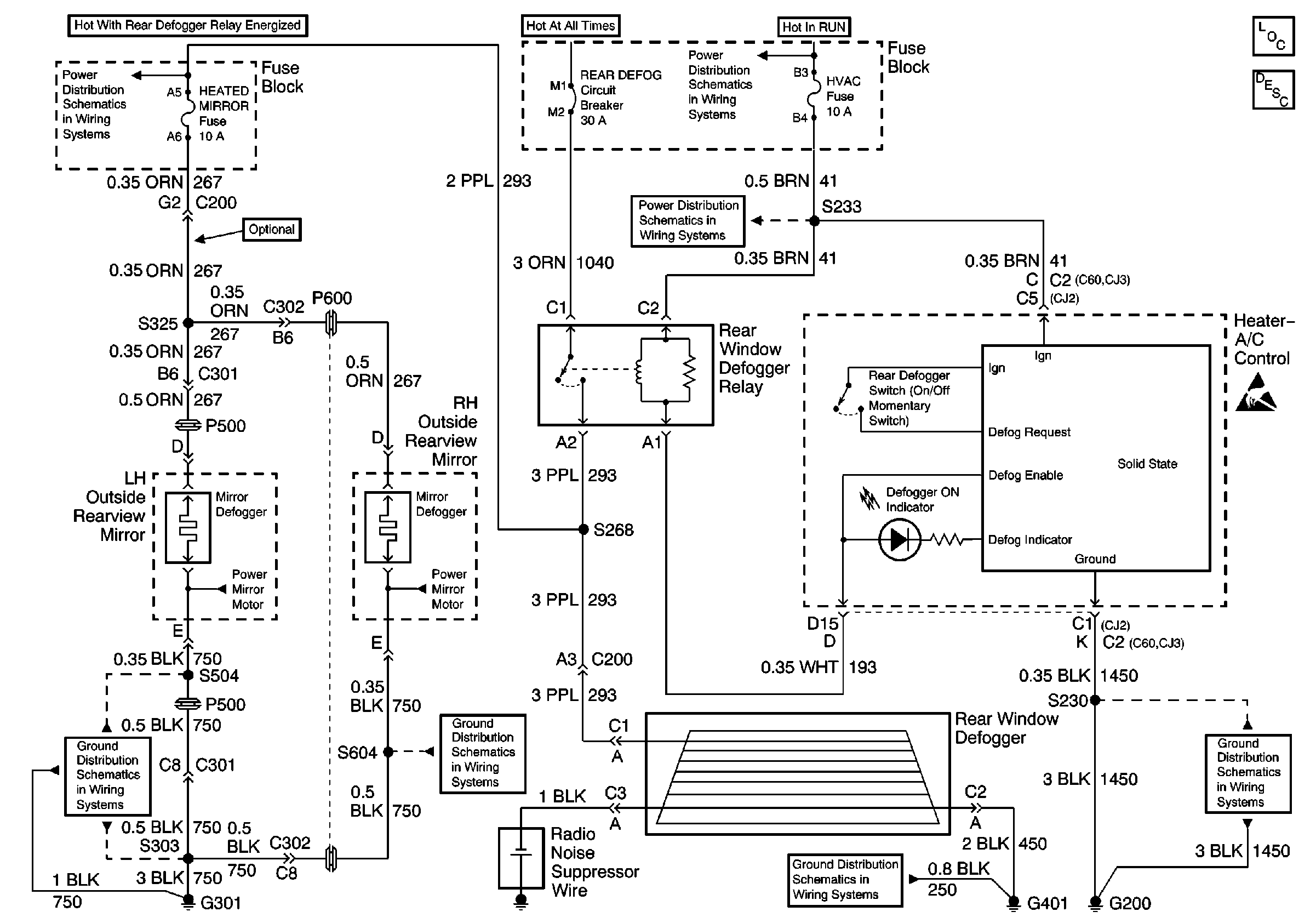
🢒 Defogger Schematics
Stationary Windows Components
Rear Window Defogger Circuit Description
Fuse Block Outside Rearview Mirror, Cluster, BCM, PCM, and BTSI Fuse
Power Windows, Power Sunroof, Rear Defogger, and Power Seats Circuit Breakers
Power Windows, Power Sunroof, Rear Defogger, and Power Seats Circuit Breakers
G301
G301
G401
G200