GM Service Manual Online
For 1990-2009 cars only
Figure 1:

Power/Grounds, and Serial Data


Object Number: 591330  Size: FS
UAWJB, RAP Relay, Ignition Switch, and Fuse Block
UAWJB, Ignition Switch, and Fuse Block
Power Door Systems Components
Power Door Locks Circuit Description
Inputs
G200
Handling ESD Sensitive Parts Notice
Handling ESD Sensitive Parts Notice
G203
Figure 2:

Inputs


Object Number: 591338  Size: FS
Power Door Systems Components
Power Door Locks Circuit Description
Outputs
Power/Grounds, and Serial Data
Handling ESD Sensitive Parts Notice
G301
Handling ESD Sensitive Parts Notice
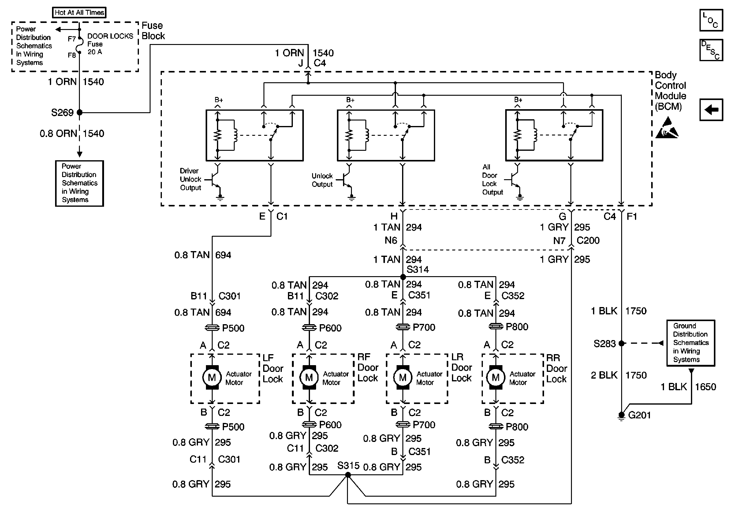
Figure 3:

Outputs


Object Number: 591341  Size: FS
High Blower, Hazard, Stoplamps, Door Locks, Power Mirrors, and Heated Seats Fuses
High Blower, Hazard, Stoplamps, Door Locks, Power Mirrors, and Heated Seats Fuses
Power Door Systems Components
Power Door Locks Circuit Description
Inputs
Handling ESD Sensitive Parts Notice
G201