GM Service Manual Online
For 1990-2009 cars only

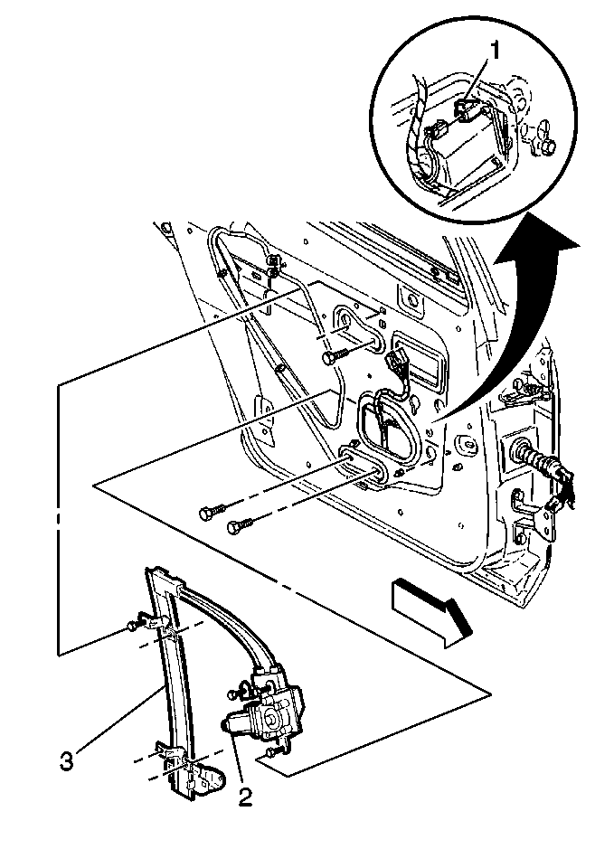
Removal Procedure

  1. Remove the rear door water deflector. Refer to Rear Side Door Water Deflector Replacement .
  2. Remove the rear door window. Refer to Front Side Door Window Replacement .

  3. Object Number: 316137  Size: MH
  4. Remove the rear door window regulator rail lower mounting screws.
  5. Important: The window regulator screws are seated into key slots in the inner door panel and is unnessessary to remove thescrews completely from the window regulator.

  6. Loosen the rear door window regulator mounting screws.
  7. Lower the rear door window regulator motor into the rear door to gain access to the electrical connector.
  8. Disconnect the rear door window regulator motor electrical connector.
  9. Remove the rear door window regulator from the rear door.

Installation Procedure


    Object Number: 316137  Size: MH
  1. Position the rear door window regulator into the rear door.
  2. Connect the rear door window regulator motor electrical connector.
  3. Position the rear door window regulator motor inside the rear door and install it into the key slots in the inner door panel.
  4. Position the rear door window regulator rail assembly inside the rear door and install it into the key slots in the inner door panel.
  5. Notice: Use the correct fastener in the correct location. Replacement fasteners must be the correct part number for that application. Fasteners requiring replacement or fasteners requiring the use of thread locking compound or sealant are identified in the service procedure. Do not use paints, lubricants, or corrosion inhibitors on fasteners or fastener joint surfaces unless specified. These coatings affect fastener torque and joint clamping force and may damage the fastener. Use the correct tightening sequence and specifications when installing fasteners in order to avoid damage to parts and systems.

  6. Install the rear door window regulator rail lower mounting screws.
  7. Tighten
    Tighten the screws to 10 N·m (89 lb in).

    Important: In order to ensure proper orientation of the window regulator to the door, tighten the remaining window regulator screws in the specified sequence; lower rear, upper rear, lower front, upper front.

  8. Hand tighten the remaining rear door window regulator screws.
  9. Tighten
    Tighten the screws to 10 N·m (89 lb in).

  10. Install the rear door window. Refer to Rear Side Door Window Replacement .
  11. Install the rear door water deflector. Refer to Rear Side Door Water Deflector Replacement .