GM Service Manual Online
For 1990-2009 cars only

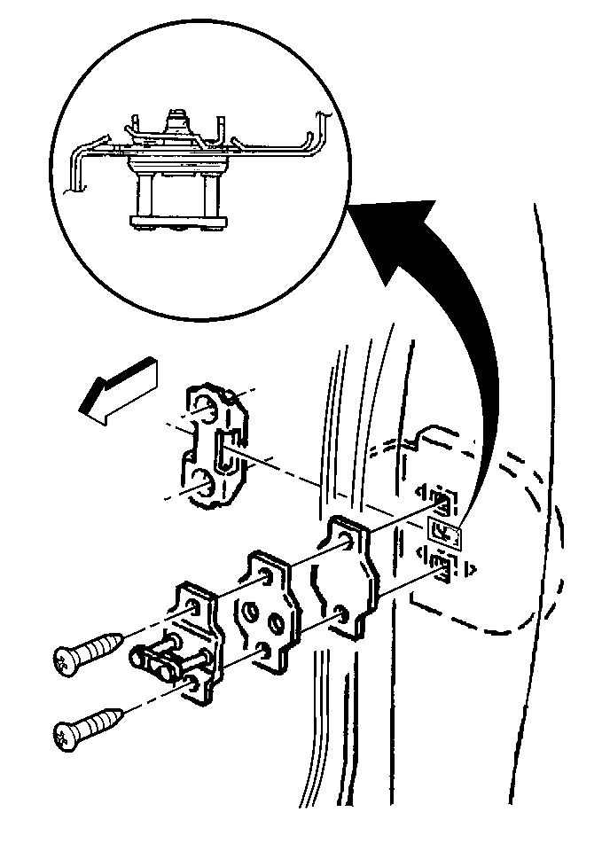
Removal Procedure

Each lock striker is a dual-pin type that attaches to an anchor plate in the body lock pillar. The door is held in the closed position when the lock snaps over and engages the striker.


    Object Number: 308345  Size: MH
  1. Mark the position of the striker.
  2. Remove the screws.
  3. Remove the door lock striker.
  4. Remove the spacers as equipped.
  5. Remove the washer.

Installation Procedure

  1. Install the washer.
  2. Install any spacers that were removed.
  3. Install the striker to the location marked.

  4. Object Number: 308345  Size: MH

    Notice: Use the correct fastener in the correct location. Replacement fasteners must be the correct part number for that application. Fasteners requiring replacement or fasteners requiring the use of thread locking compound or sealant are identified in the service procedure. Do not use paints, lubricants, or corrosion inhibitors on fasteners or fastener joint surfaces unless specified. These coatings affect fastener torque and joint clamping force and may damage the fastener. Use the correct tightening sequence and specifications when installing fasteners in order to avoid damage to parts and systems.

  5. Install the door lock striker screws.
  6. Tighten
    Tighten the door lock striker screws to 25 N·m (18 lb ft).

  7. Inspect the striker-to-lock engagement. If the adjustment is needed refer to Door Lock Striker Adjustment .