GM Service Manual Online
For 1990-2009 cars only
Makes
🢒
Buick
🢒
2000
🢒
Regal
🢒 Inputs
Inputs
Inputs
HVAC Components
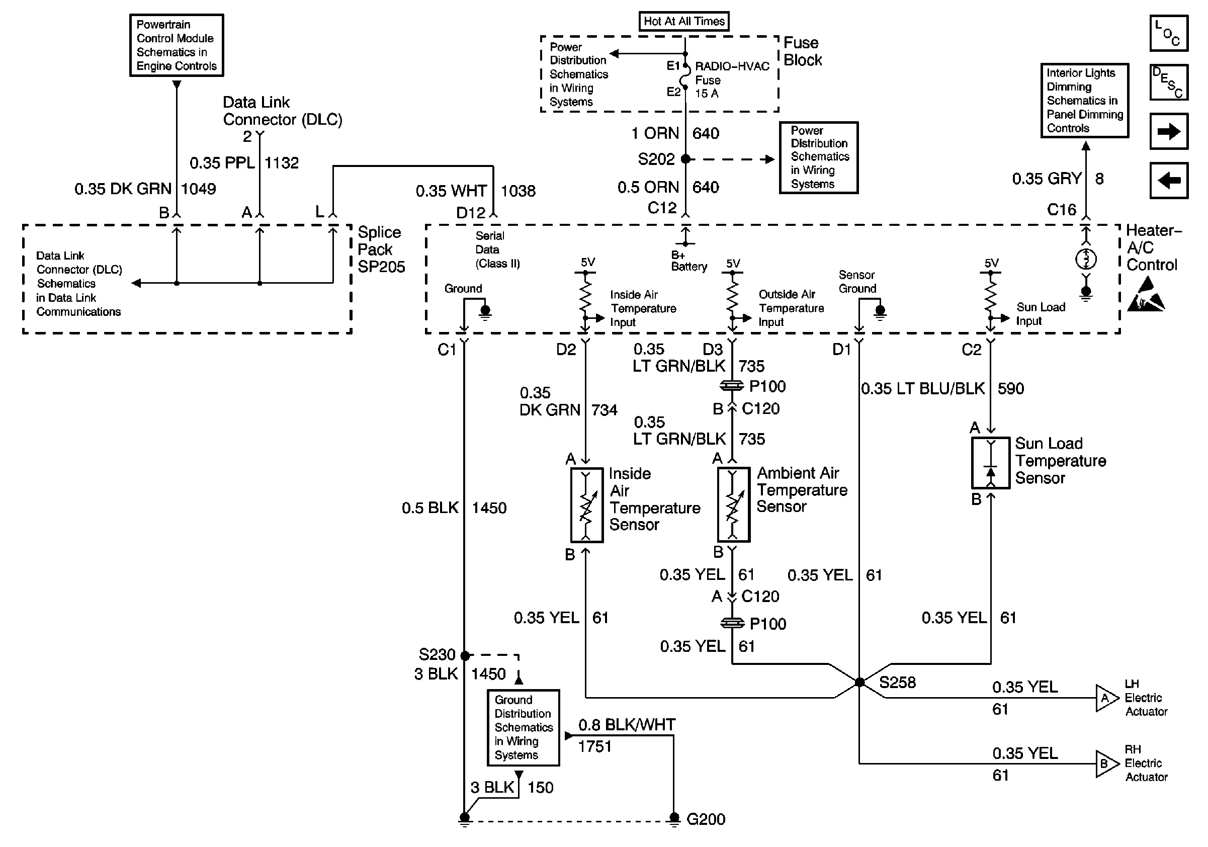
HVAC Air Delivery/Temperature Control Circuit Description
Temperature Controls
Outputs
Radio/HVAC/RFA/Cluster/DATA Link, Cigar LTR./AUX Power and CD Changer Fuses
Ground G200
A/C Pressure Switch, TPS, MAP, ECT and IAT
DLC Schematic