GM Service Manual Online
For 1990-2009 cars only
Makes
🢒
Buick
🢒
2000
🢒
Regal
🢒 Horns Schematic
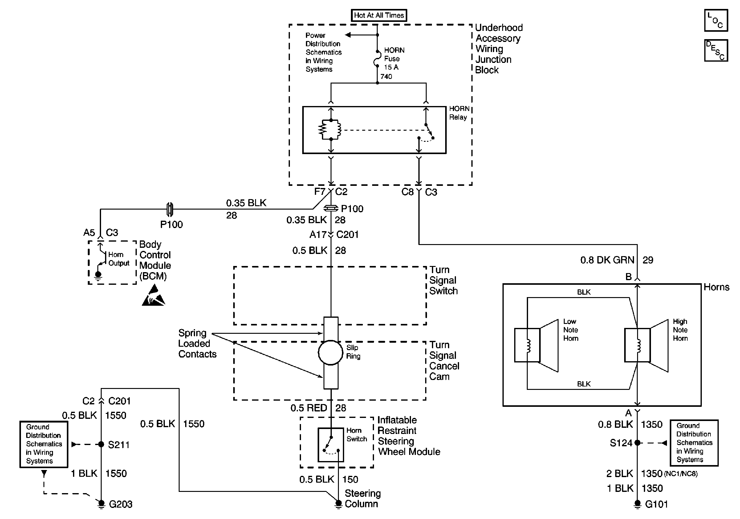
Horns Schematic
UAWJB
Handling ESD Sensitive Parts Notice
G203
SIR Handling Caution
G101
Horns Components
Horns Circuit Description