GM Service Manual Online
For 1990-2009 cars only
Makes
🢒
Buick
🢒
2001
🢒
Regal
🢒
Engine
🢒
Engine Electrical
🢒 Starting and Charging Schematics
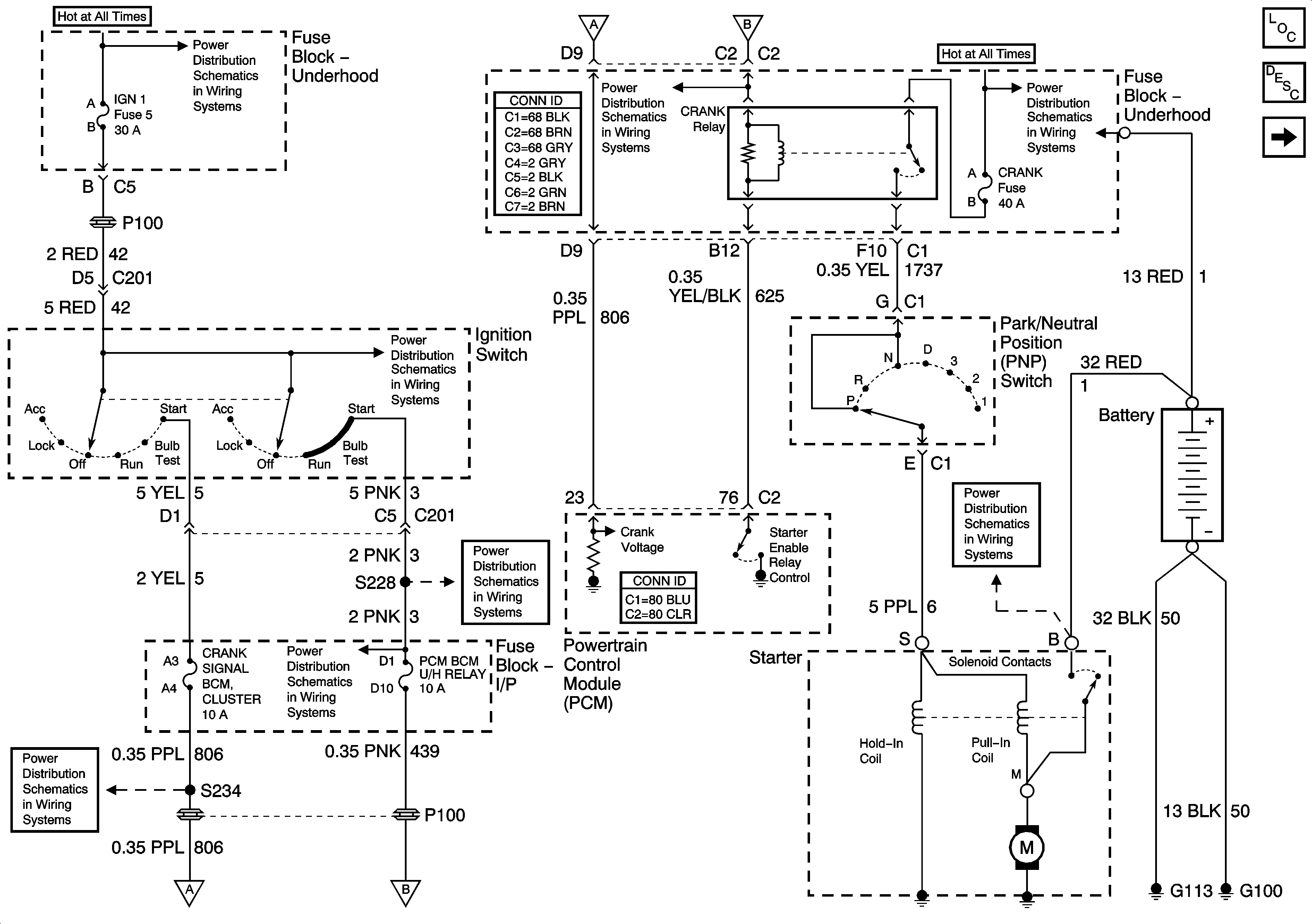
Figure
1:
Starting
Master Electrical Component List
Starting System Description and Operation
Charging
IGN 1
Power Bussing for Fuse Block Underhood Page 1 of 2
Power Bussing for Fuse Block Underhood Page 1 of 2
IGN 1
Cluster, BCM, PCM, BTSI
PCM, BCM, Cluster, Turn, SDM
IGN 1
Power Bussing for Fuse Block Underhood Page 1 of 2
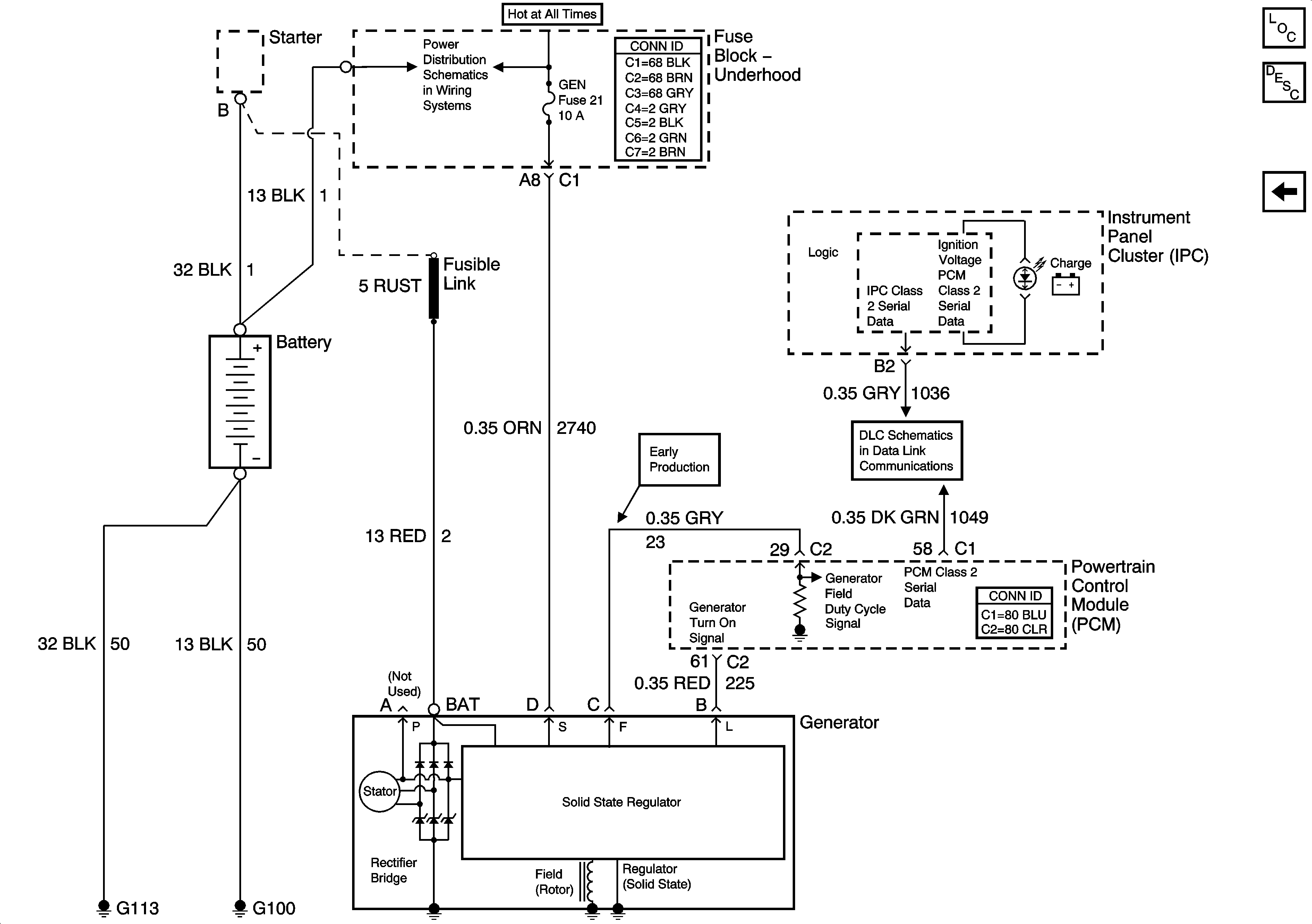
Figure
2:
Charging
Master Electrical Component List
Starting System Description and Operation
Starting
Power Bussing for Fuse Block Underhood Page 1 of 2
Power Bussing for Fuse Block Underhood Page 1 of 2
DLC