GM Service Manual Online
For 1990-2009 cars only

Removal Procedure

  1. Disable the SIR system. Refer to Disabling the SIR System in SIR.
  2. Remove the steering wheel. Refer to Steering Wheel Replacement .

  3. Object Number: 294334  Size: SH
  4. Pivot the tilt lever back and forth, while pulling the lever from the column.
  5. Remove the tilt lever from the steering column.

  6. Object Number: 415298  Size: SH
  7. Remove the 2 TORX ® head screws (1) from the lower trim cover (2).

  8. Object Number: 328807  Size: SH
  9. Remove the lower trim cover from the upper trim cover.
  10. Tilt the lower trim cover down.
  11. Slide the lower trim cover backward in order to disengage the locking tabs.

  12. Object Number: 814153  Size: SH
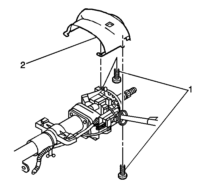
  13. Remove the 2 TORX ® head screws (1) from the upper trim cover (2).
  14. Remove the upper trim cover (2) from the steering column.

Installation Procedure


    Object Number: 814153  Size: SH
  1. Install the upper trim cover (2) onto the steering column.
  2. Notice: Use the correct fastener in the correct location. Replacement fasteners must be the correct part number for that application. Fasteners requiring replacement or fasteners requiring the use of thread locking compound or sealant are identified in the service procedure. Do not use paints, lubricants, or corrosion inhibitors on fasteners or fastener joint surfaces unless specified. These coatings affect fastener torque and joint clamping force and may damage the fastener. Use the correct tightening sequence and specifications when installing fasteners in order to avoid damage to parts and systems.

  3. Screw the 2 TORX ® head screws (1) into the upper trim cover (2).
  4. Tighten
    Tighten the 2 TORX ® head screws to 1.5 N·m (13 lb in).


    Object Number: 328807  Size: SH
  5. Install the lower trim cover onto the upper trim cover.
  6. Match the tab slots on the lower trim cover with the locking tabs on the upper trim cover.
  7. Tilt the lower trim cover up.
  8. Slide the lower trim cover forward until the locking tabs snap into the tab slots.

  9. Object Number: 415298  Size: SH
  10. Screw the 2 TORX ® head screws (1) into the lower trim cover (2).
  11. Tighten
    Tighten the 2 TORX ® head screws to 3.5 N·m (31 lb in).


    Object Number: 294334  Size: SH
  12. Install the tilt lever. Refer to Tilt Lever Replacement - On Vehicle .
  13. Install the steering wheel. Refer to Steering Wheel Replacement .
  14. Enable the SIR system. Refer to Enabling the SIR System in SIR.