GM Service Manual Online
For 1990-2009 cars only
Makes
🢒
Buick
🢒
2001
🢒
Regal
🢒 Regal Power, PNP and Ground
Regal Power, PNP and Ground
Regal Power, PNP and Ground
Master Electrical Component List
Stationary Window Description
Century Power, PNP and Ground
Power Bussing for Fuse Block Underhood Page 1 of 2
Headlamps, Generator
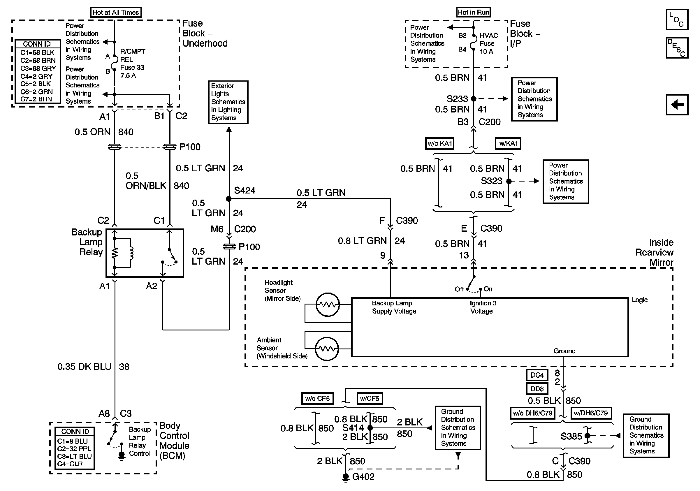
Back Up Lights - Regal
IGN 2
Blower, Cruise, HVAC
Blower, Cruise, HVAC
G402, Page 1 of 2
G402, Page 1 of 2