GM Service Manual Online
For 1990-2009 cars only
Makes
🢒
Buick
🢒
2001
🢒
Regal
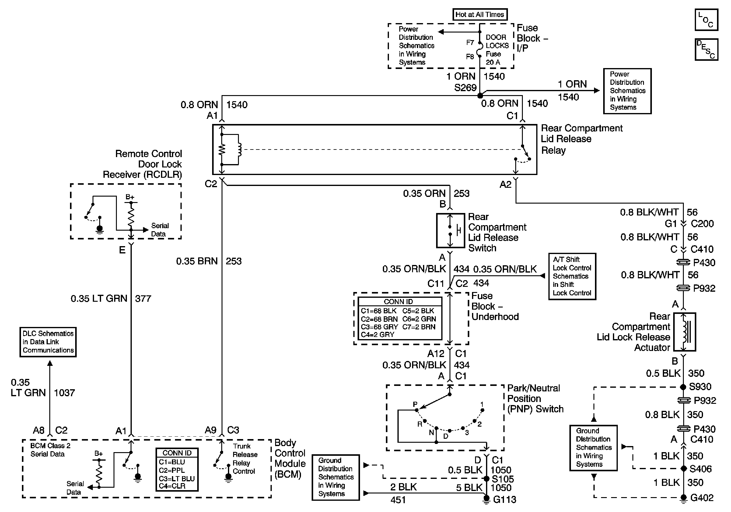
🢒 Rear Release System
Rear Release System
Master Electrical Component List
Luggage Compartment Description and Operation
DLC
Batt 2
Batt 2
Shift Lock Controls
G113
G402, Page 2 of 2