GM Service Manual Online
For 1990-2009 cars only
Makes
🢒
Buick
🢒
2002
🢒
Regal
🢒
Body and Accessories
🢒
Wiring Systems
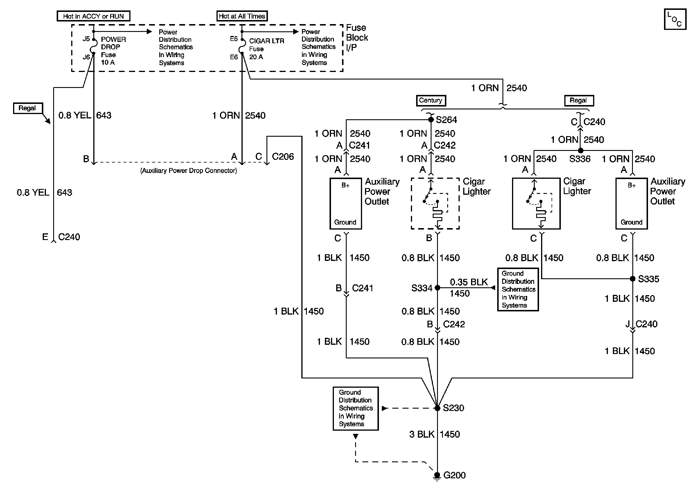
🢒 Cigar Lighter/Power Outlet Schematics
Master Electrical Component List
BCM, Power Drop, Steering Wheel Switches
Batt 1 Fuse
G200 (Page 2 of 2)
G200 (Page 1 of 2)