GM Service Manual Online
For 1990-2009 cars only
Makes
🢒
Buick
🢒
2002
🢒
Regal
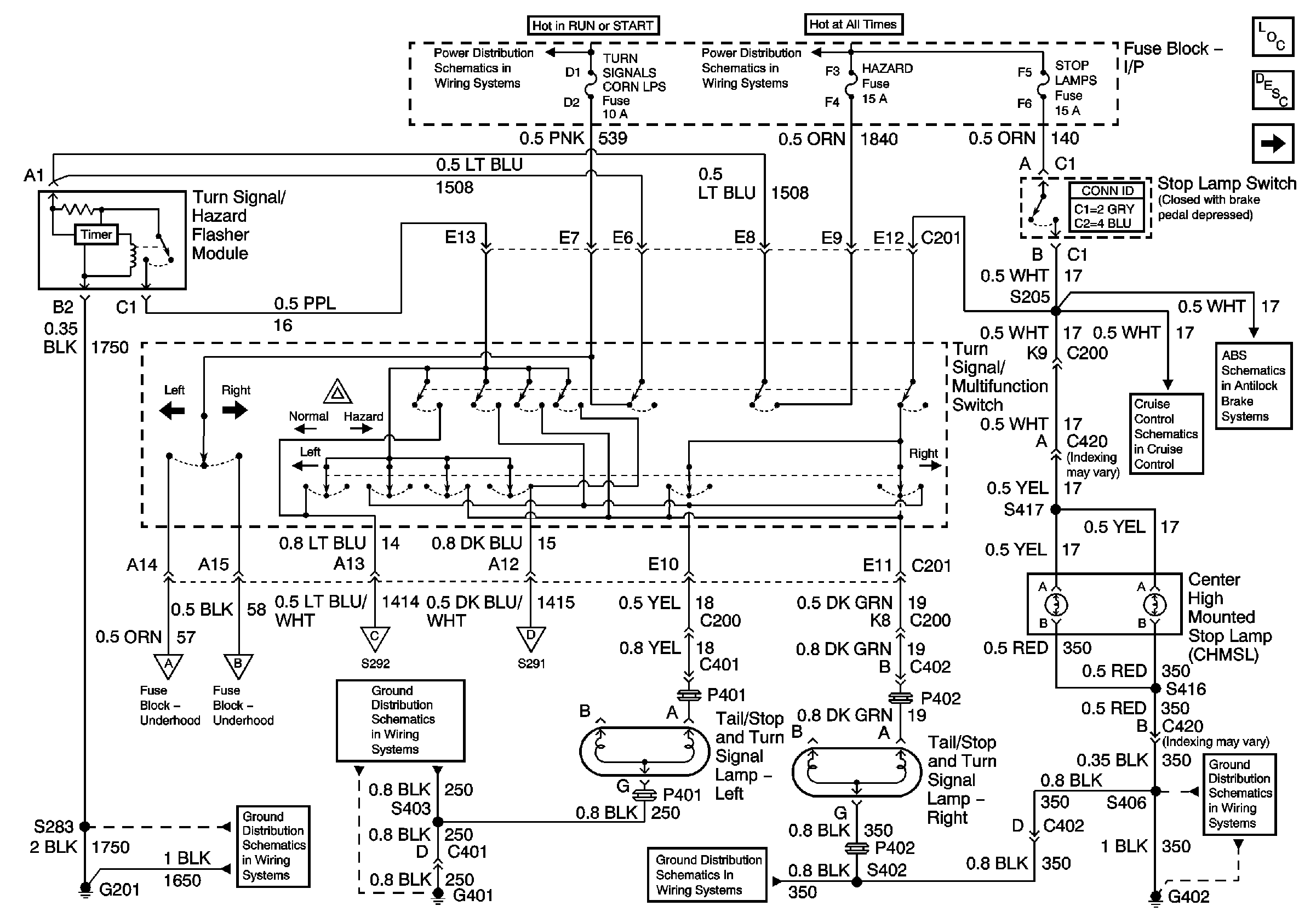
🢒 Stop Lamp and Rear Turn Lamps
Stop Lamp and Rear Turn Lamps
Stop Lamps and Rear Turn Lamps
Master Electrical Component List
Exterior Lighting Systems Description and Operation
Front Turn Lamps and Cornering Lamps
PCM, BCM, Cluster, Turn, SDM
Batt 2
Cruise Control
Stop Lamp and Torque Signals
Front Turn Lamps and Cornering Lamps
Front Turn Lamps and Cornering Lamps
Front Turn Lamps and Cornering Lamps
Front Turn Lamps and Cornering Lamps
G201
G401
G402 (Page 2 of 2)
G402 (Page 2 of 2)