GM Service Manual Online
For 1990-2009 cars only
Makes
🢒
Buick
🢒
2002
🢒
Regal
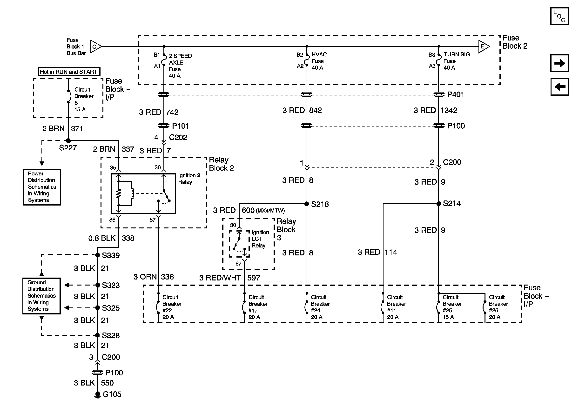
🢒 Power Distribution System Schematics - Fuse Block 2, Fuse Block I/P
Power Distribution System Schematics - Fuse Block 2, Fuse Block I/P
Fuse Block 2, 2 SPEED AXLE, HVAC, TURN SIG Fuses
Master Electrical Component List
Power Distribution System Schematics - Ignition Switch
Power Distribution System Schematics - Fuse Block 1, Fuse Block I/P
Power Distribution System Schematics - Fuse Block I/P, C.B. 6
Ground Distribution Schematics - S323, S337, S339, S357 and S358
Power Distribution System Schematics - Battery and Starting System
Power Distribution System Schematics - IGN, ABS, ABS RLY, PRK BRK Fuse