GM Service Manual Online
For 1990-2009 cars only
Makes
🢒
Buick
🢒
2003
🢒
Regal
🢒
Body and Accessories
🢒
Wiring Systems
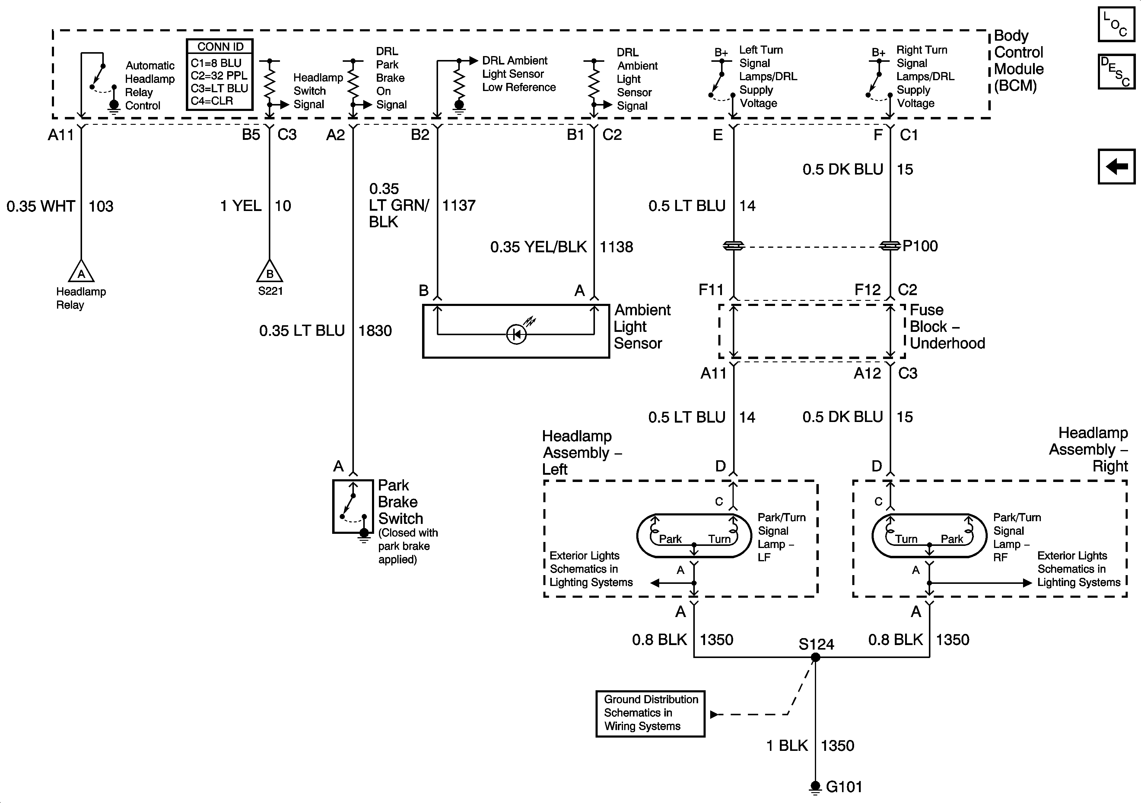
🢒 Headlights/Daytime Running Lights (DRL) Schematics
Figure
1:
Headlamps
Master Electrical Component List
Exterior Lighting Systems Description and Operation
Daytime Running Lamps
Fuse Block-Underhood B+ Buss
Daytime Running Lamps
Daytime Running Lamps
G201
Fog Lights Schematics
Fuse Block-Underhood LP PARK Fuse, Fuse Block-I/P FRT PARK LP, FOG LP, Fuse, and PWR WINDOWS, SUNROOF Circuit Breaker
Fuse Block-Underhood LP PARK Fuse, Fuse Block-I/P FRT PARK LP, FOG LP, Fuse, and PWR WINDOWS, SUNROOF Circuit Breaker
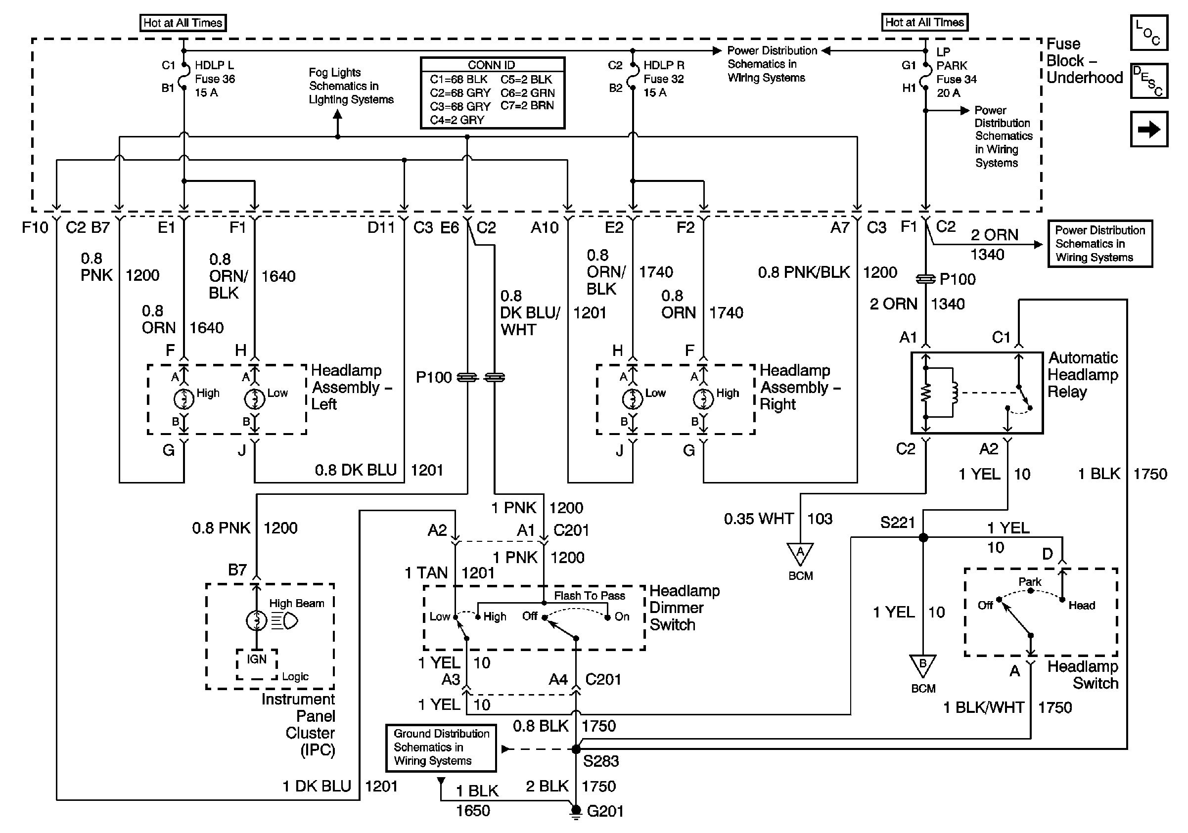
Figure
2:
Daytime Running Lamps (DRL)
Master Electrical Component List
Exterior Lighting Systems Description and Operation
Headlamps
Headlamps
Headlamps
Front Turn Lamps, Cornering Lamps, and DRL
Front Turn Lamps, Cornering Lamps, and DRL
G101 and G111