GM Service Manual Online
For 1990-2009 cars only
Makes
🢒
Buick
🢒
2003
🢒
Regal
🢒 Engine Electrical System - Charging System LG5
Engine Electrical System - Charging System LG5
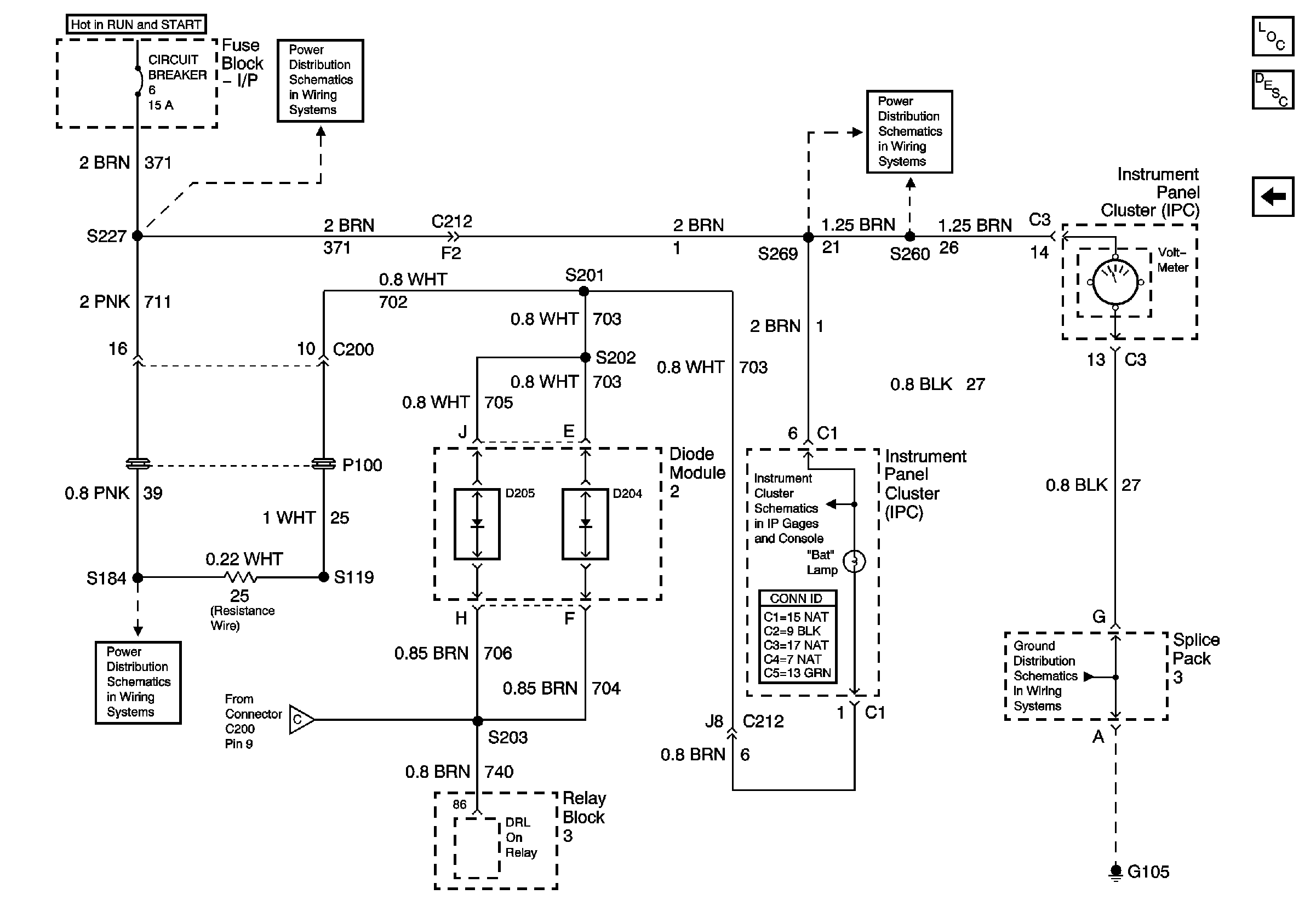
Charging Circuit LG5 (2 of 2)
Master Electrical Component List
Starting System Description and Operation
Engine Electrical System - Charging System LG5
Engine Electrical System - Charging System LG5
Power Distribution System Schematics - Fuse Block I/P, C.B. 6
Power Distribution System Schematics - Feed From Circuit Breaker 6
Power Distribution System Schematics - Feed From Circuit Breaker 6
Ground Distribution Schematics - Splice Pack 3 and S361
Isuzu IPC System Schematics - DRL, Serv, Trans, Low Cool, BAT,HBeam LP