GM Service Manual Online
For 1990-2009 cars only
Makes
🢒
Buick
🢒
2003
🢒
Regal
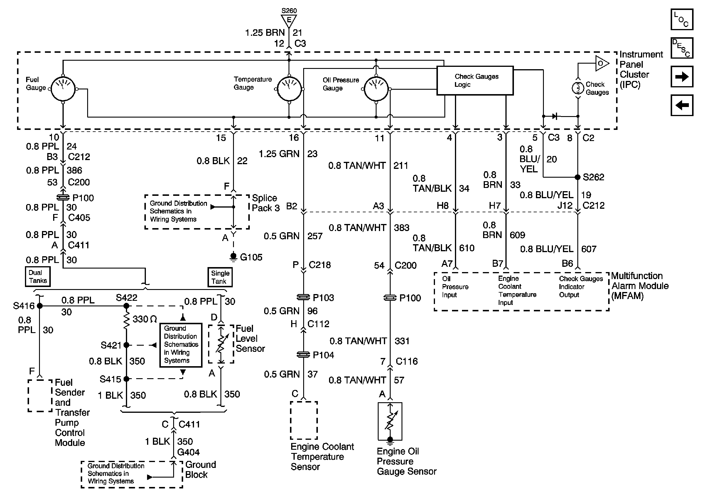
🢒 Isuzu IPC System Schematics - Fuel, Temp, Oil Press and Chk Gages
Isuzu IPC System Schematics - Fuel, Temp, Oil Press and Chk Gages
Fuel, Temperature, Oil Pressure and Check Gages
Master Electrical Component List
Instrument Cluster Description and Operation
Isuzu IPC System Schematics - DRL, Serv, Trans, Low Cool, BAT,HBeam LP
Isuzu IPC System Schematics - Air Susp Dump Lamp, Speedometer, VM
Ground Distribution Schematics - Splice Pack 3 and S361
Ground Distribution Schematics - G404, G405, G406, S402, S415, S421
Ground Distribution Schematics - G404, G405, G406, S402, S415, S421
Isuzu IPC System Schematics - IPC Power Distribution
Isuzu IPC System Schematics - DRL, Serv, Trans, Low Cool, BAT,HBeam LP