GM Service Manual Online
For 1990-2009 cars only
Makes
🢒
Buick
🢒
2003
🢒
Regal
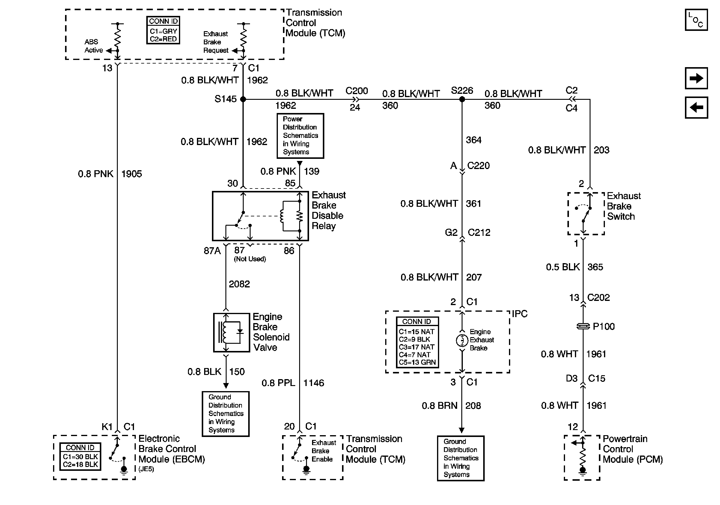
🢒 Automatic Transmission Schematics - TCM, Exhaust BRK Disable Relay
Automatic Transmission Schematics - TCM, Exhaust BRK Disable Relay
Exhaust Brake (MX4)
Master Electrical Component List
Automatic Transmission Schematics- TCM, PCM and Data Link Connector
Automatic Transmission Schematics- TCM, ENG SP Sen, VSS and TSS
Ground Distribution Schematics - S107
Power Distribution System Schematics - Feed from Circuit Breaker 9
Ground Distribution Schematics - Splice Pack 2