GM Service Manual Online
For 1990-2009 cars only
Makes
🢒
Buick
🢒
2003
🢒
Regal
🢒 Horns Schematics
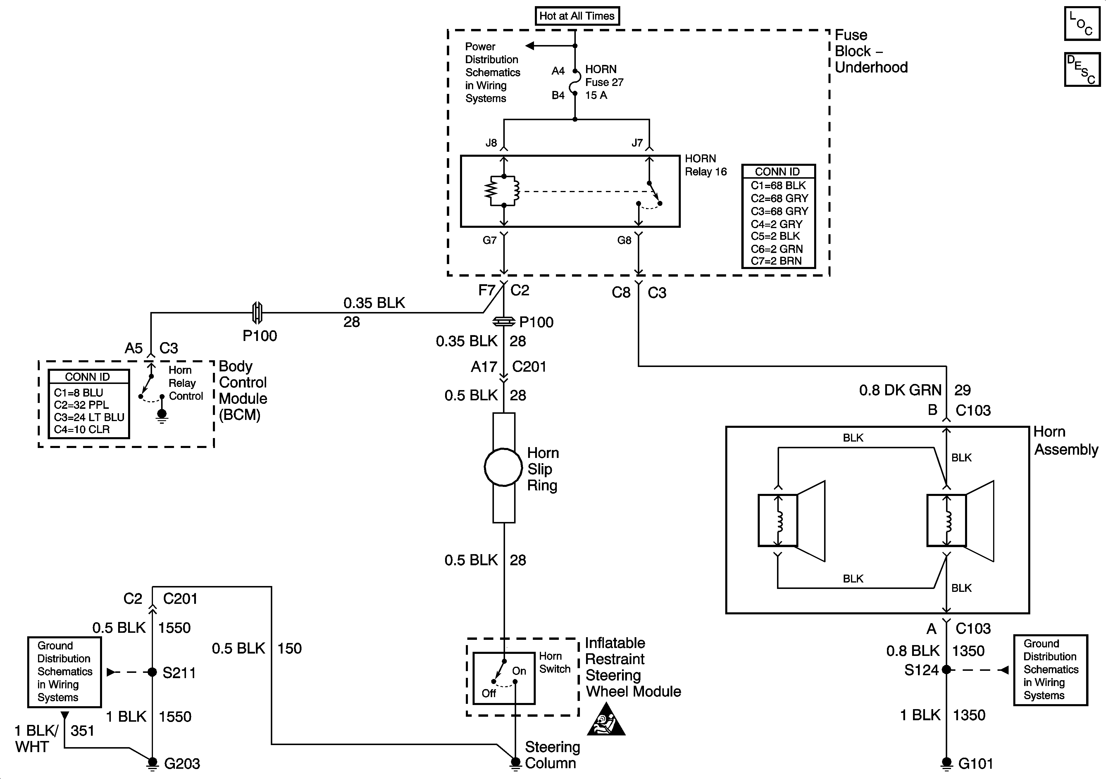
Horns Schematics
Master Electrical Component List
Horns System Description and Operation
Fuse Block-Underhood B+ Buss
G203, Page 1 of 2
SIR Caution for Zoning
G101 and G111