GM Service Manual Online
For 1990-2009 cars only
Makes
🢒
Buick
🢒
2003
🢒
Regal
🢒 Power Sunroof Schematics
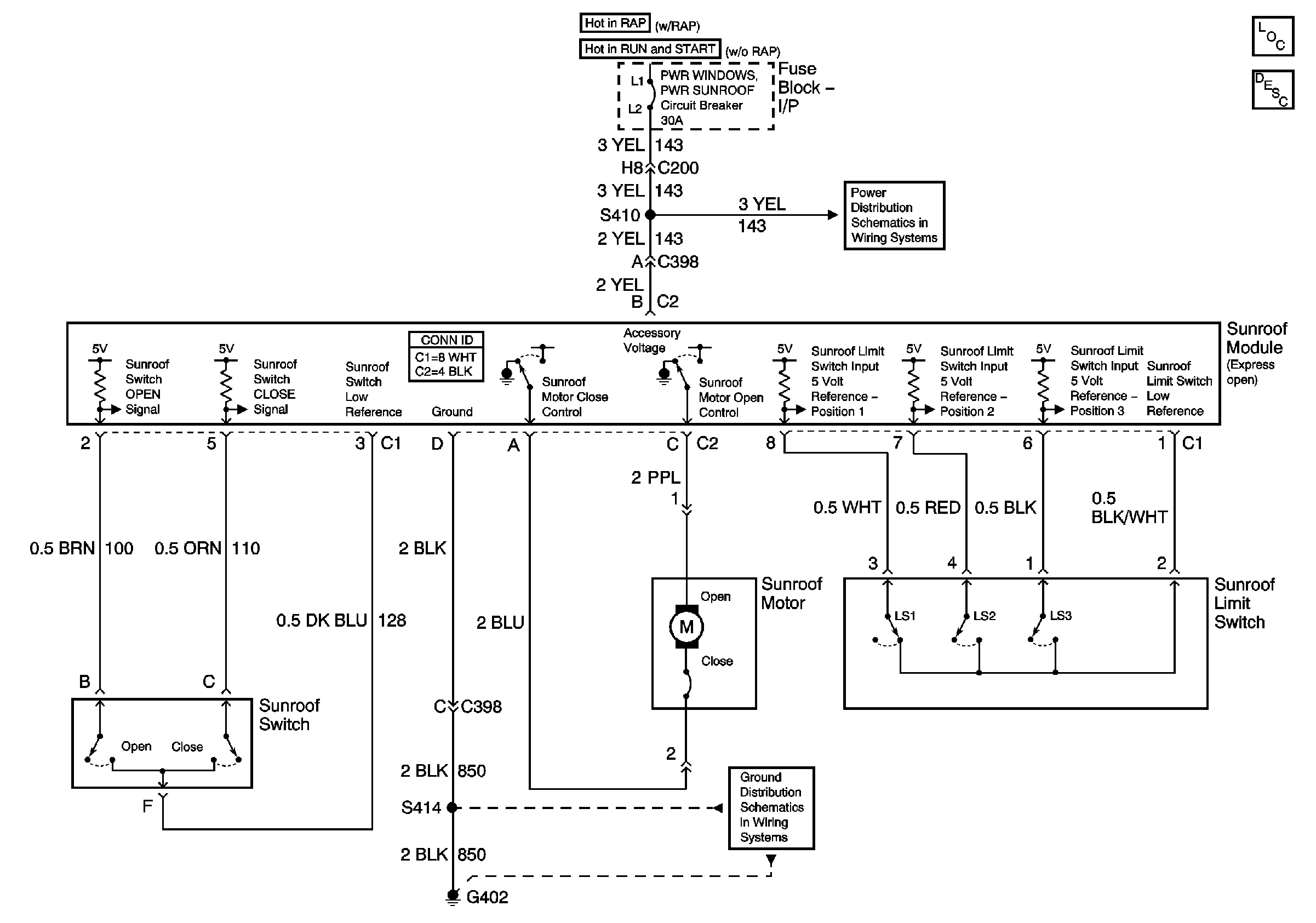
Power Sunroof Schematics
Master Electrical Component List
Sunroof Description and Operation
Fuse Block-Underhood LP PARK Fuse, Fuse Block-I/P FRT PARK LP, FOG LP, Fuse, and PWR WINDOWS, SUNROOF Circuit Breaker
G402, Page 1 of 2