GM Service Manual Online
For 1990-2009 cars only
Makes
🢒
Buick
🢒
2003
🢒
Regal
🢒 Driver
Driver
Driver
Master Electrical Component List
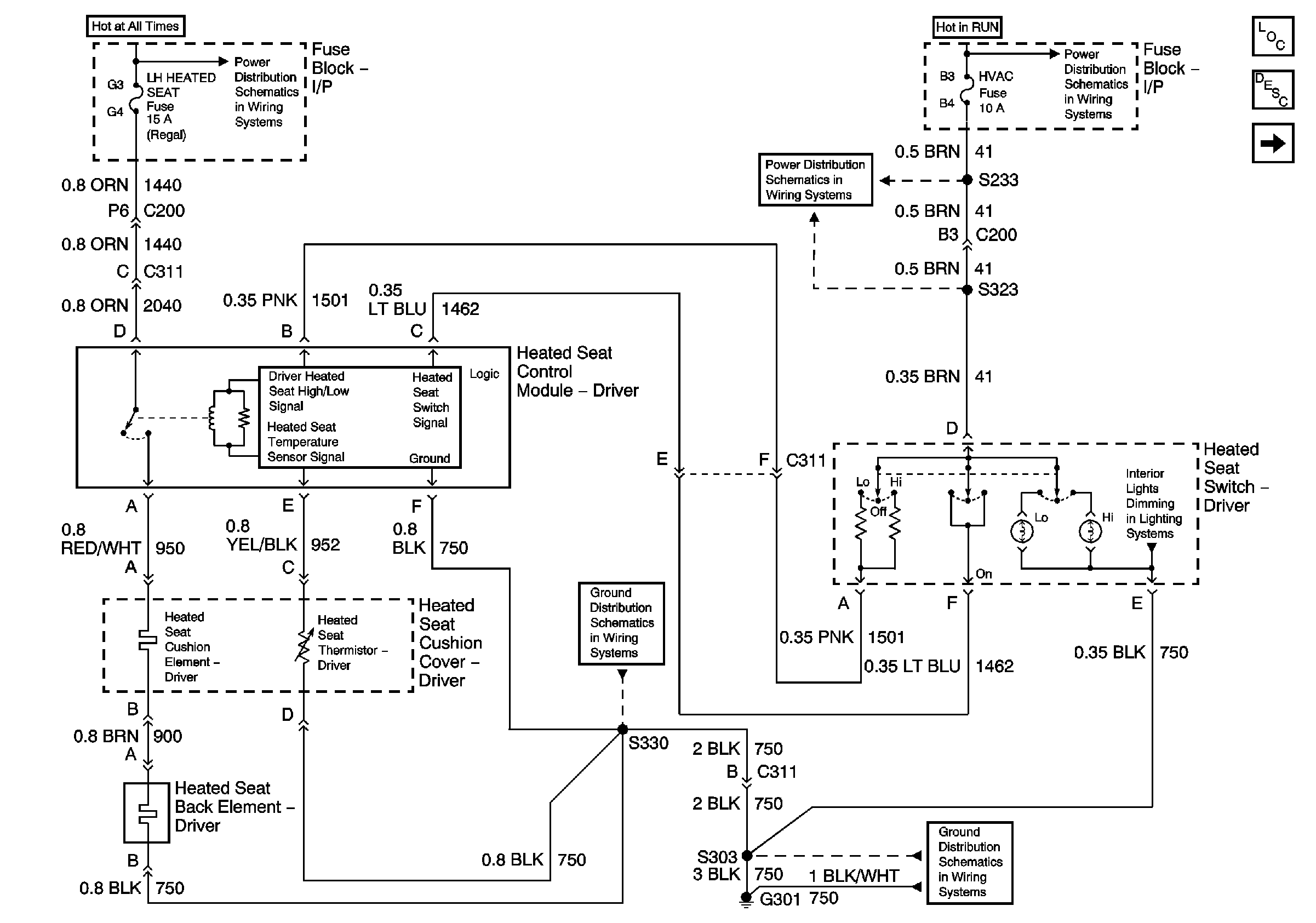
Heated Seats Description and Operation
Passenger
Fuse Block-Underhood Batt 3 Fuse, Fuse Block-I/P ONSTAR, LH HEATED SEAT, RH HEATED SEAT, Fuses, REAR DEFOG and POWER SEAT Circuit Breakers
Fuse Block-I/P LOW BLOWER, CRUISE, and HVAC Fuses
Fuse Block-I/P LOW BLOWER, CRUISE, and HVAC Fuses
Door and Seat Swtiches
G301, Page 2 of 2
G301, Page 1 of 2