GM Service Manual Online
For 1990-2009 cars only
Figure 1:

Fuse Block - Underhood B+ Buss


Object Number: 854478  Size: FS
Master Electrical Component List
Fuse Block - Underhood BAT 1 Fuse, Fuse Block - I/P RADIO, HVAC, RFA, CLSTR, ALDL, BCM PWR, ACCY POWER BUS, RADIO PREM. SOUND, and LTR Fuses
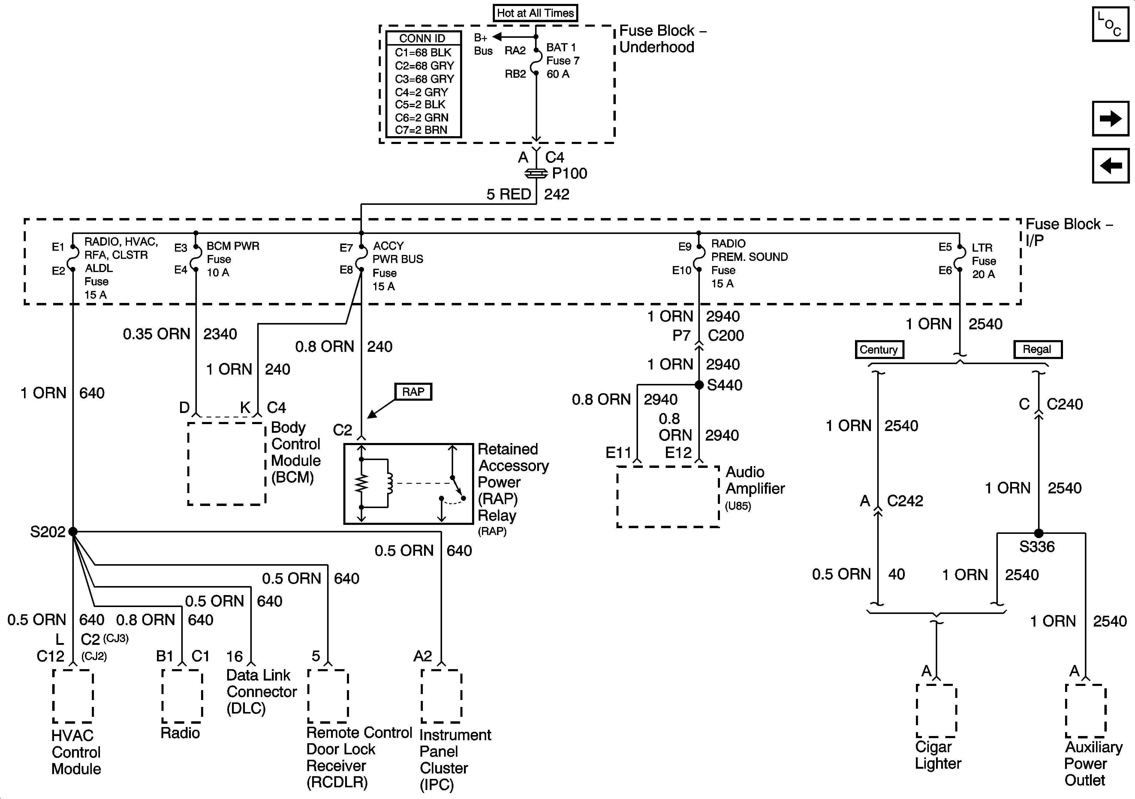
Figure 2:

Fuse Block - Underhood BAT 1 Fuse, Fuse Block -- I/P RADIO, HVAC, RFA, CLSTR ALDL, BCM PWR, ACCY PWR BUS, RADIO PREM. SOUND, and LTR Fuses


Object Number: 1219564  Size: FS
Master Electrical Component List
Fuse Block - Underhood BAT 2 Fuse, Fuse Block - I/P HI/BLWR, HAZRD, STOP LAMPS, DR/LCK, and PWR/MIR Fuses
Fuse Block - Underhood B+ Bus
Fuse Block - Underhood B+ Bus
Figure 3:

Fuse Block - Underhood BAT 2 Fuse, Fuse Block - I/P HI/BLWR, HAZRD, STOP LAMPS, DR/LCK, and PWR/MIR Fuses


Object Number: 1343592  Size: FS
Master Electrical Component List
Fuse Block - Underhood BAT 3 Fuse, Fuse Block - I/P ONSTAR, HTD SEAT Fuses, R/DEFOG and PWR/SEAT Circuit Breakers
Fuse Block - Underhood BAT 1 Fuse, Fuse Block - I/P RADIO, HVAC, RFA, CLSTR, ALDL, BCM PWR, ACCY POWER BUS, RADIO PREM. SOUND, and LTR Fuses
Fuse Block - Underhood B+ Bus
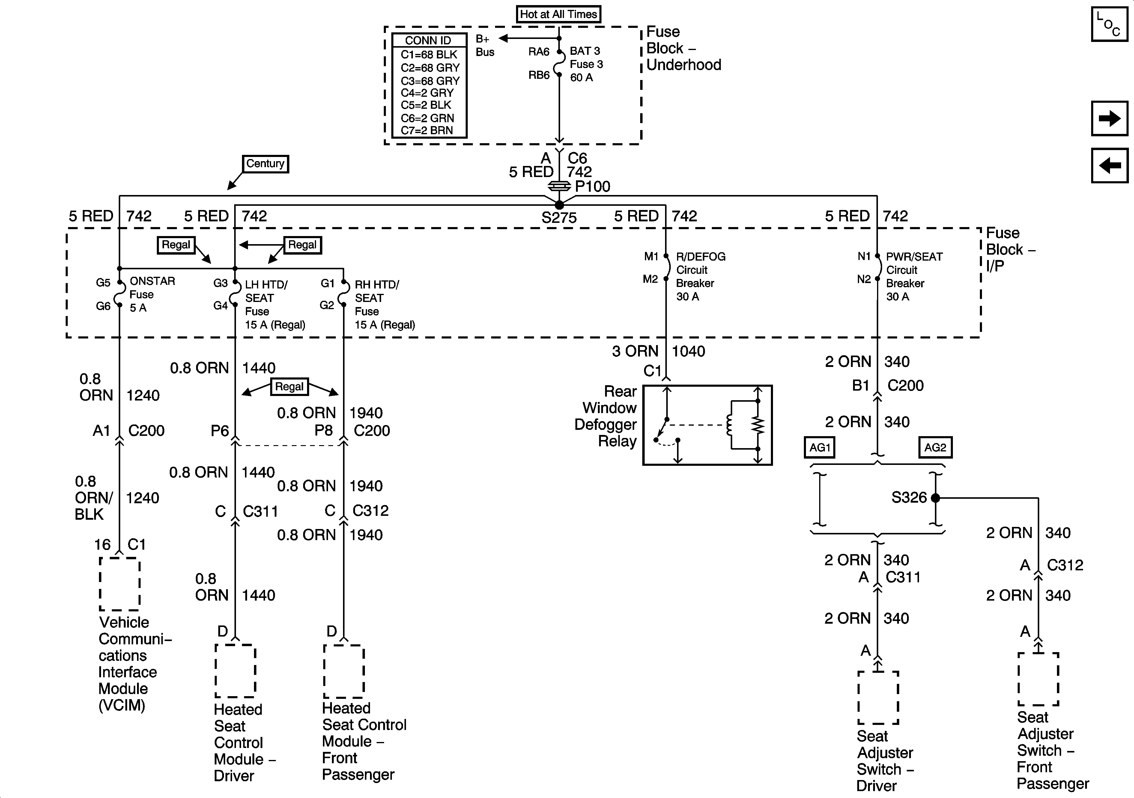
Figure 4:

Fuse Block - Underhood BAT 3 Fuse , Fuse Block - I/P ONSTAR, HTD/SEAT Fuses, R/DEFOG, and PWR/SEAT Circuit Breakers


Object Number: 1219569  Size: FS
Master Electrical Component List
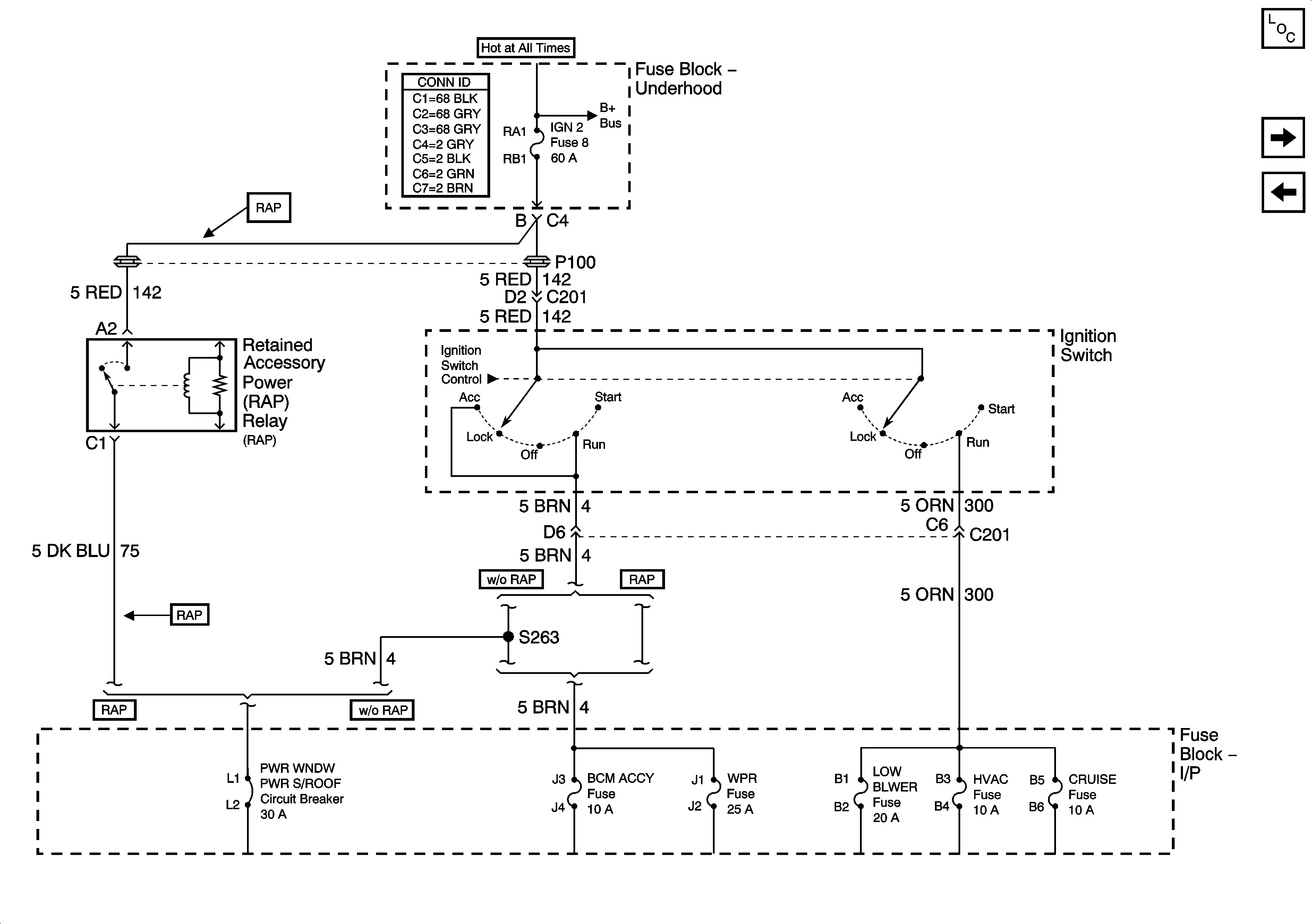
Fuse Block - Underhood IGN 1 Fuse
Fuse Block - Underhood BAT 2 Fuse, Fuse Block - I/P HI/BLWR, HAZRD, STOP LAMPS, DR/LCK, and PWR/MIR Fuses
Fuse Block - Underhood B+ Bus
Figure 5:

Fuse Block - Underhood IGN 1 Fuse


Object Number: 1353723  Size: FS
Master Electrical Component List
Fuse Block - Underhood IGN 2 Fuse
Fuse Block - Underhood BAT 3 Fuse, Fuse Block - I/P ONSTAR, HTD SEAT Fuses, R/DEFOG and PWR/SEAT Circuit Breakers
Fuse Block - Underhood B+ Bus
Figure 6:

Fuse Block - Underhood IGN 2 Fuse


Object Number: 1219576  Size: FS
Master Electrical Component List
Fuse Block - Underhood F/INJR Fuse
Fuse Block - Underhood IGN 1 Fuse
Fuse Block - Underhood B+ Bus
Figure 7:

Fuse Block - Underhood F/INJR Fuse


Object Number: 1276867  Size: FS
Master Electrical Component List
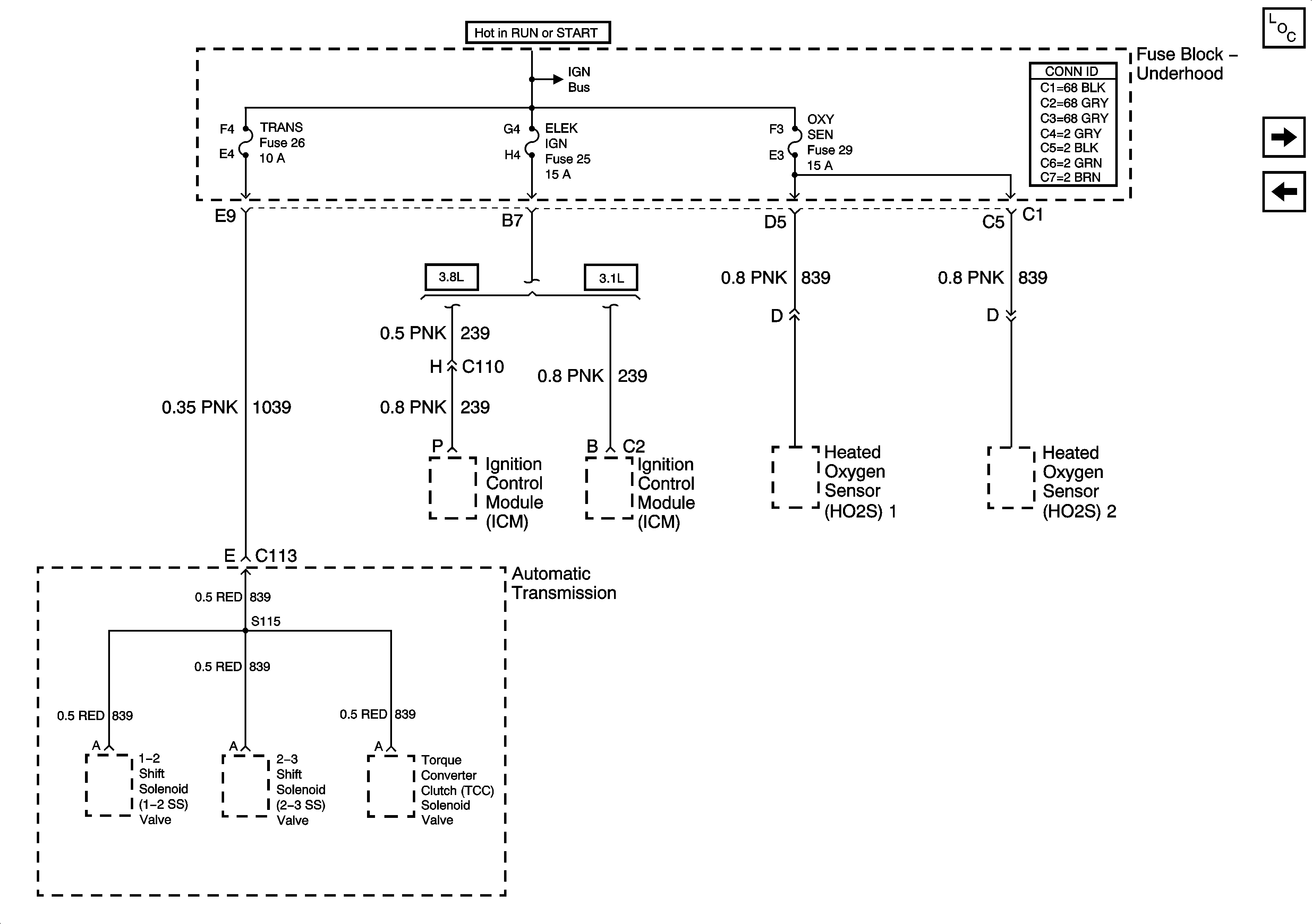
Fuse Block - Underhood TRANS, ELEK IGN, and OXY SEN Fuses
Fuse Block - Underhood IGN 2 Fuse
Fuse Block - Underhood B+ Bus
Figure 8:

Fuse Block - Underhood TRANS, ELEK IGN, and OXY SEN Fuses


Object Number: 1219580  Size: FS
Master Electrical Component List
Fuse Block - Underhood ENG EMIS Fuse
Fuse Block - Underhood F/INJR Fuse
Fuse Block - Underhood B+ Bus
Figure 9:

Fuse Block - Underhood ENG EMIS Fuse


Object Number: 1285551  Size: FS
Master Electrical Component List
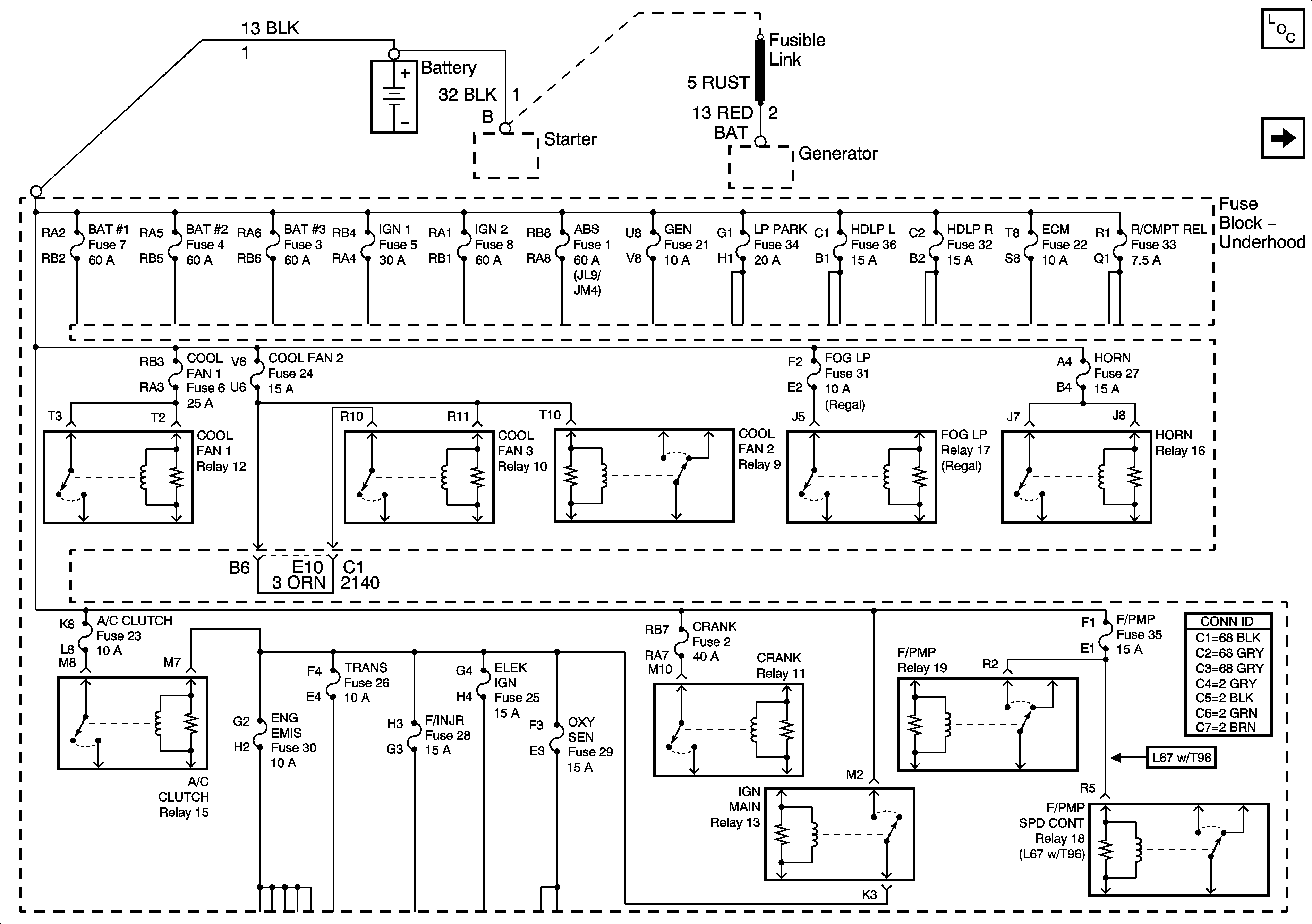
Fuse Block - Underhood HDLP, GEN, ABS, R/CMPT REL, and ECM Fuses
Fuse Block - Underhood TRANS, ELEK IGN, and OXY SEN Fuses
Fuse Block - Underhood B+ Bus
Fuse Block - Underhood B+ Bus
Figure 10:

Fuse Block - Underhood HDLP, GEN, ABS, R/CMPT REL, and ECM Fuses


Object Number: 1219588  Size: FS
Master Electrical Component List
Fuse Block - I/P TRN/SIG, AIR BAG, CLSTR, and PCM, BCM U/H Fuses, Fuse Block - Underhood CRANK and IGN MAIN Relays
Fuse Block - Underhood ENG EMIS Fuse
Fuse Block - Underhood B+ Bus
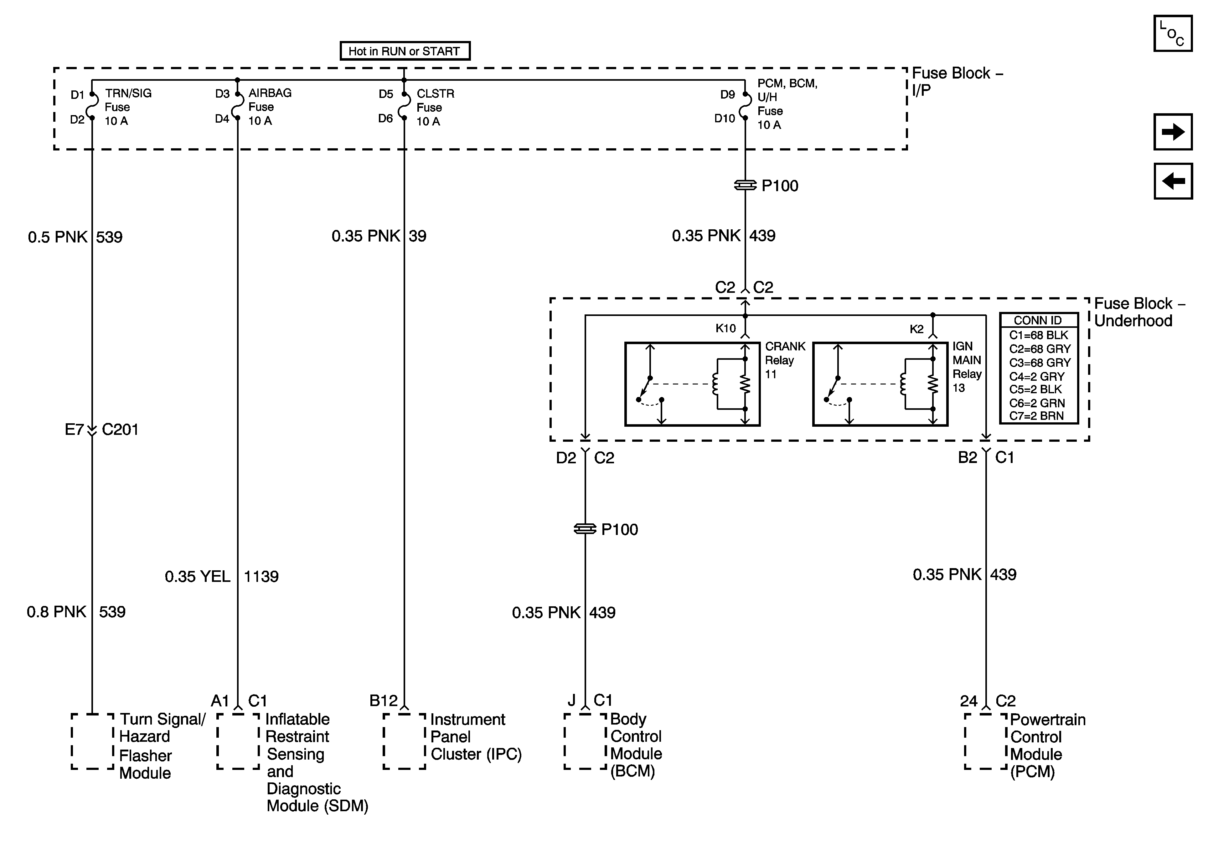
Figure 11:

Fuse Block - I/P TRN/SIG, AIRBAG, CLSTR, and PCM, BCM, U/H Fuses, Fuse Block - Underhood CRANK and IGN MAIN Relays


Object Number: 1353732  Size: FS
Master Electrical Component List
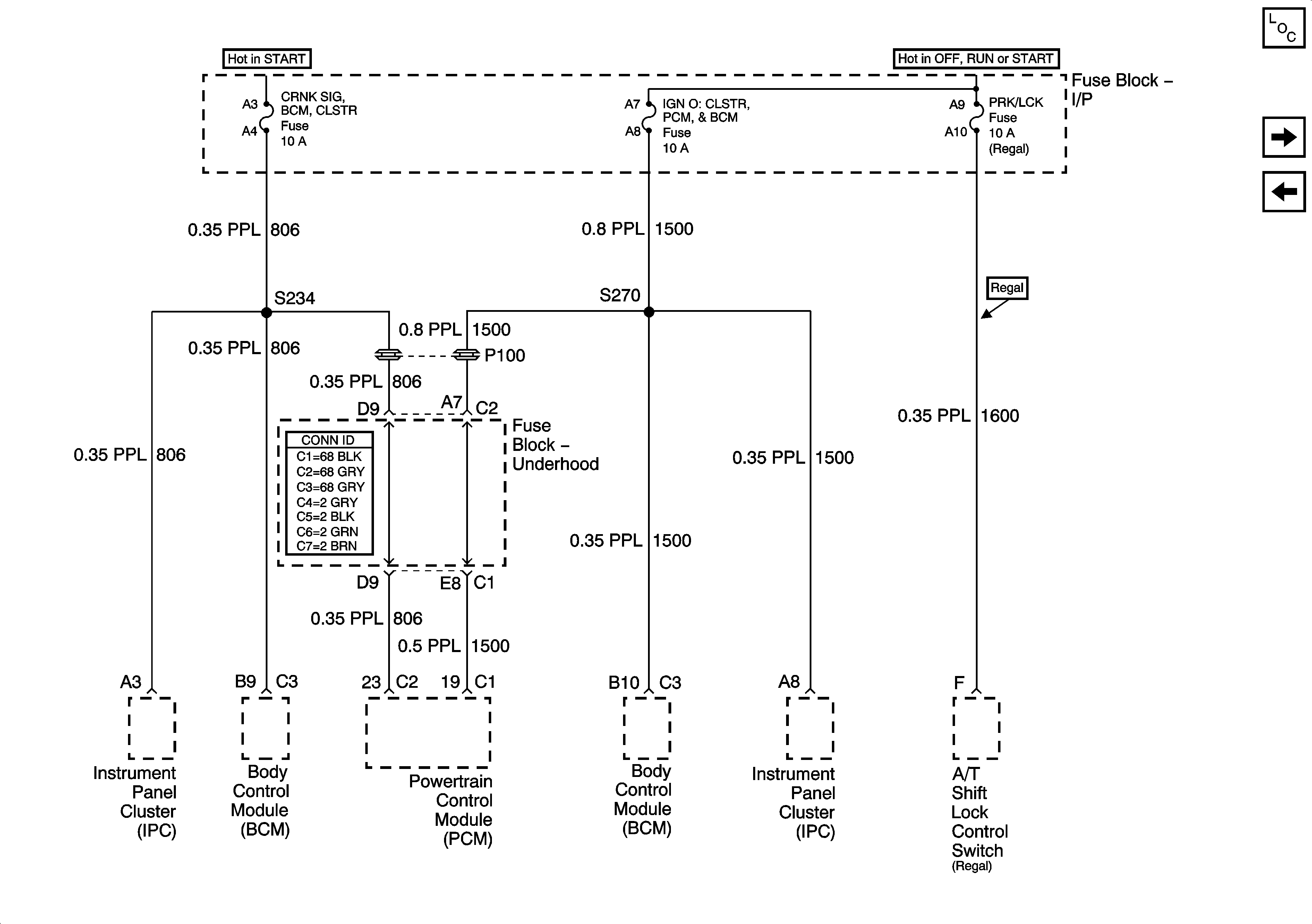
Fuse Block - I/P CRNK SIG, BCM, CLSTR, IGN0:CLSTR, PCM, BCM, and PRK/LCK Fuses
Fuse Block - Underhood HDLP, GEN, ABS, R/CMPT REL, and ECM Fuses
Figure 12:

Fuse Block - I/P CRNK SIG, BCM, CLSTR, IGN 0: CLSTR, PCM, BCM, and PRK/LCK Fuses


Object Number: 1219603  Size: FS
Master Electrical Component List
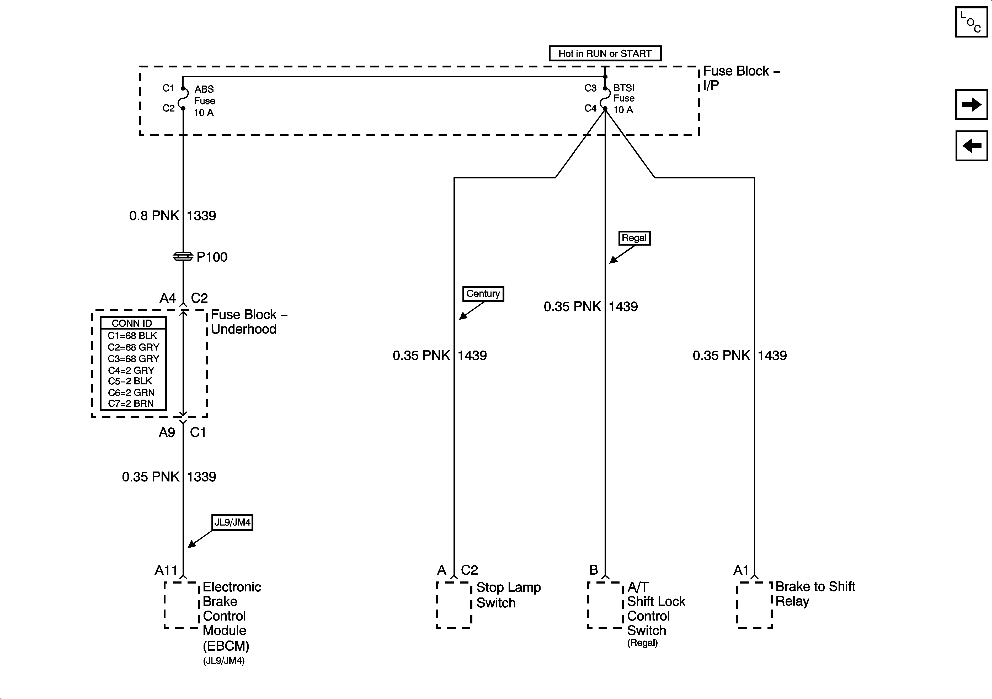
Fuse Block - I/P ABS and BTSI Fuses
Fuse Block - I/P TRN/SIG, AIR BAG, CLSTR, and PCM, BCM U/H Fuses, Fuse Block - Underhood CRANK and IGN MAIN Relays
Figure 13:

Fuse Block - I/P ABS and BTSI Fuses


Object Number: 1219613  Size: FS
Master Electrical Component List
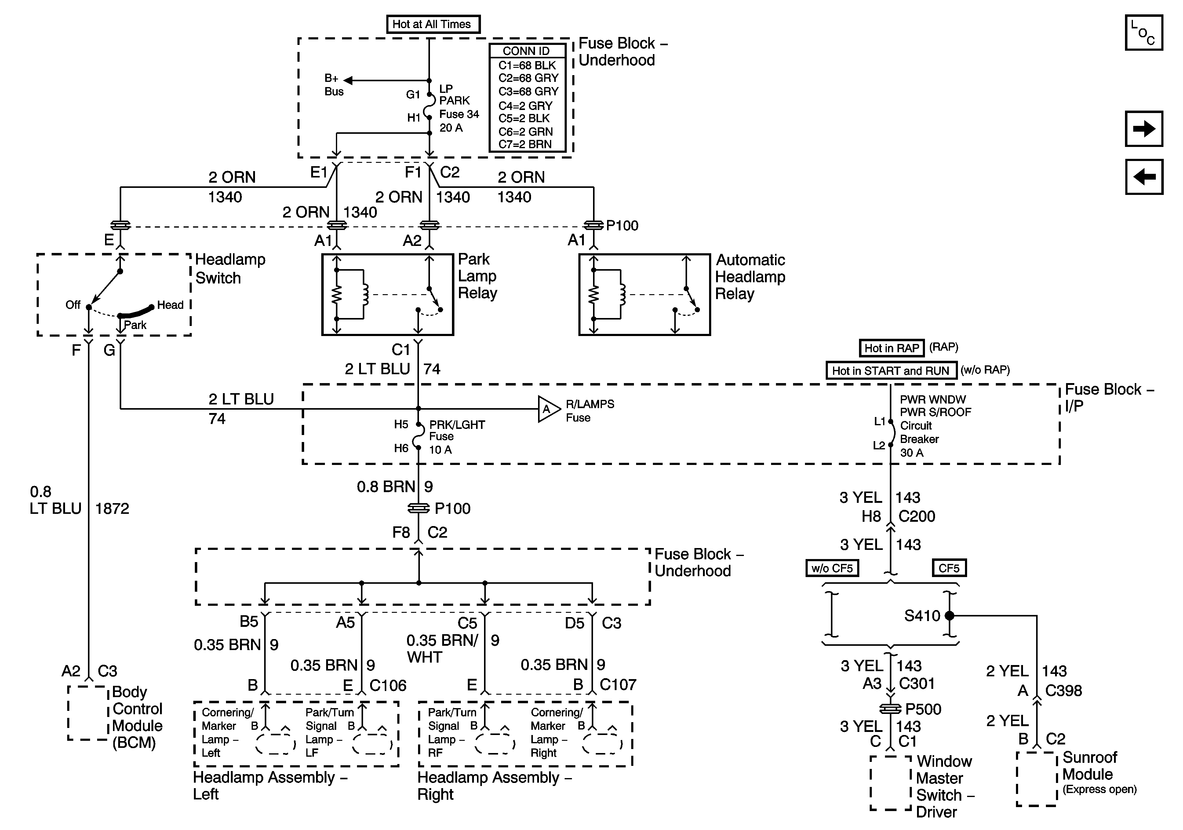
Fuse Block - Underhood LP PARK Fuse, Fuse Block - I/P PRK/LGHT Fuse, PWR WNDOW PWR S/ROOF Circuit Breaker
Fuse Block - I/P CRNK SIG, BCM, CLSTR, IGN0:CLSTR, PCM, BCM, and PRK/LCK Fuses
Figure 14:

Fuse Block - Underhood LP PARK Fuse, Fuse Block - I/P PRK/LGHT Fuse and PWR WNDW PWR S/ROOF Circuit Breaker


Object Number: 1276872  Size: FS
Master Electrical Component List
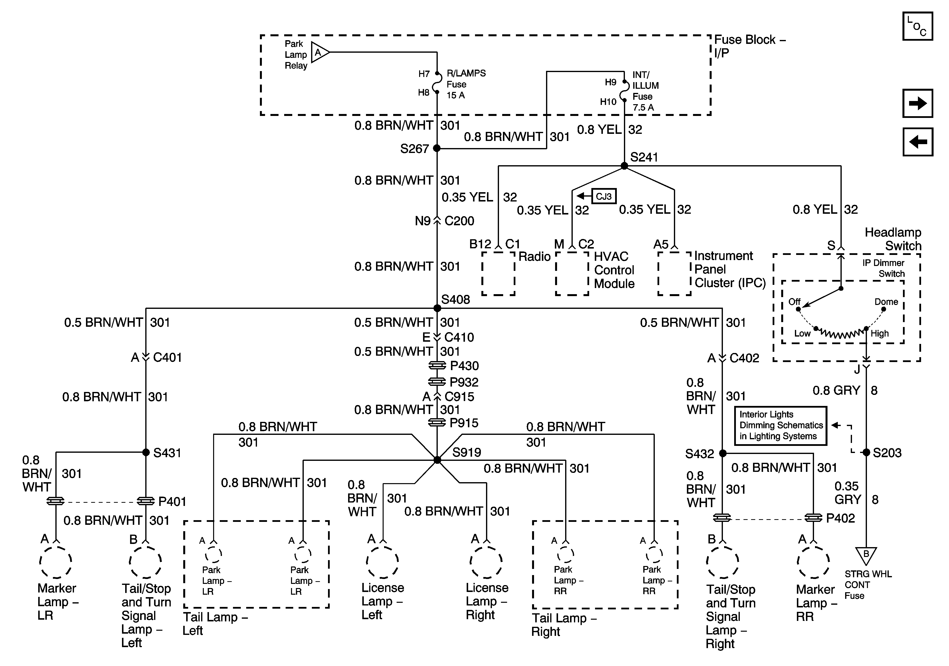
Fuse Block - I/P R/LAMPS and INT/ILLUM Fuses
Fuse Block - I/P ABS and BTSI Fuses
Fuse Block - Underhood B+ Bus
Fuse Block - I/P R/LAMPS and INT/ILLUM Fuses
Figure 15:

Fuse Block - I/P R/LAMPS and INT/ILLUM Fuses


Object Number: 1219615  Size: FS
Master Electrical Component List
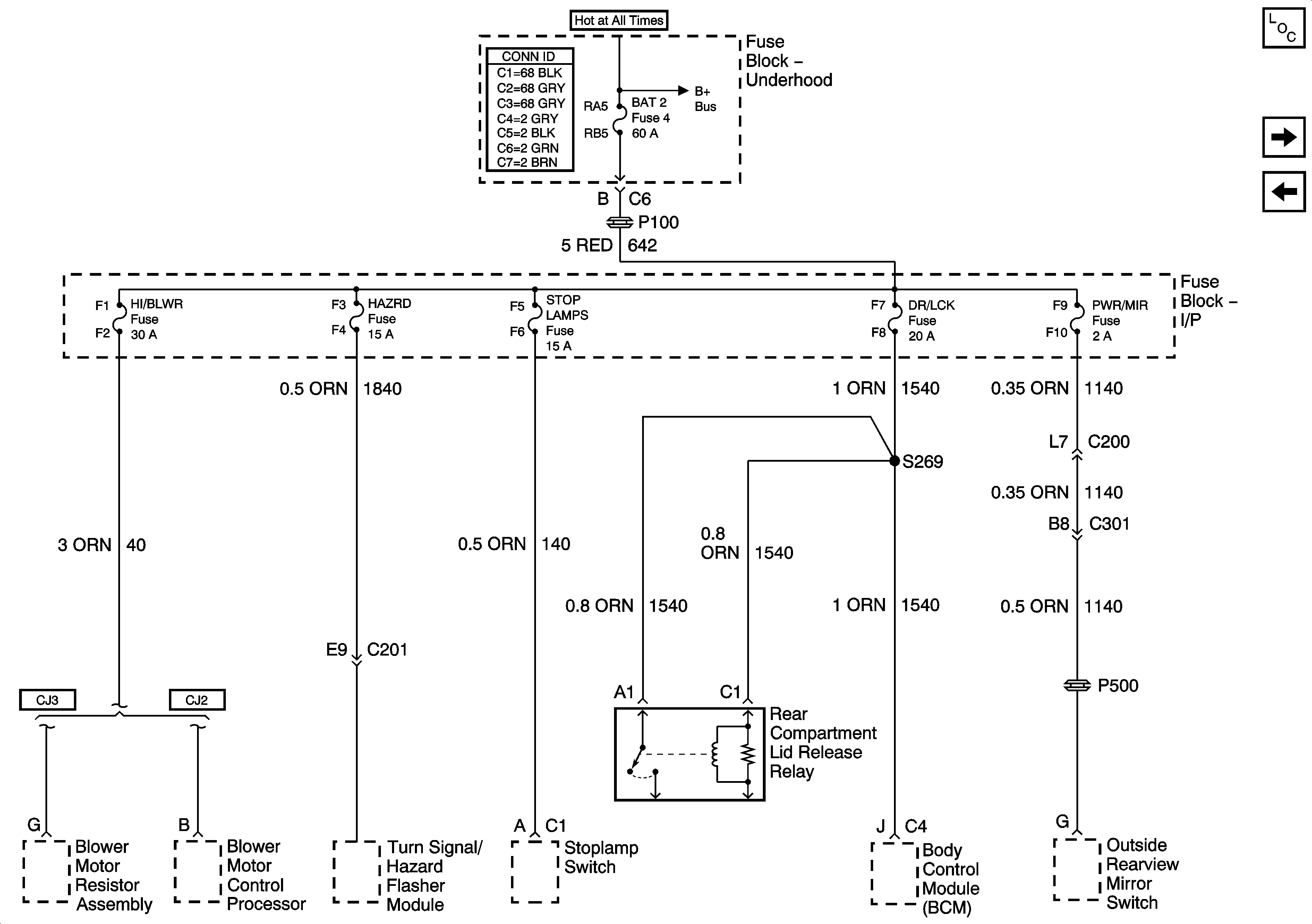
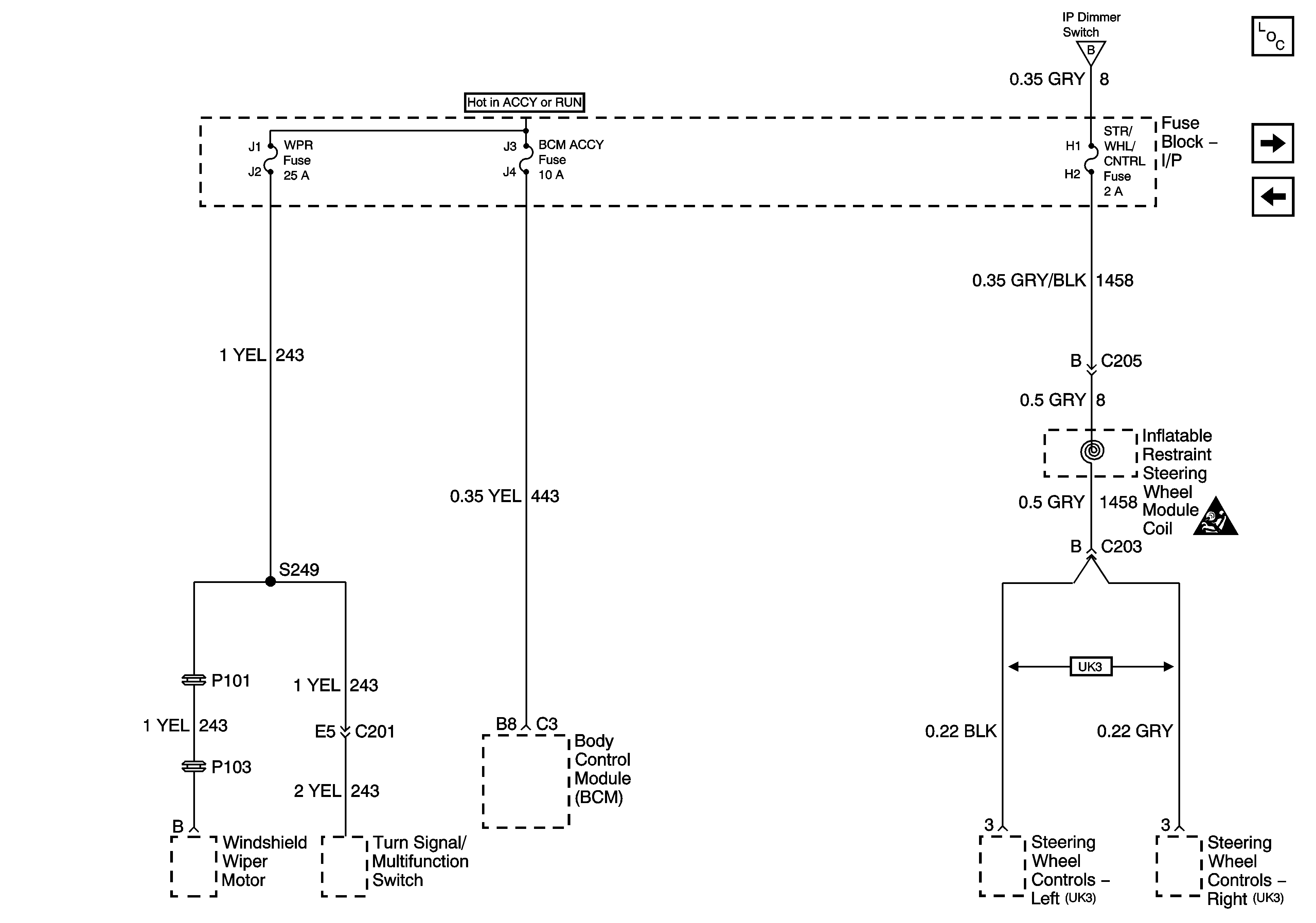
Fuse Block - I/P WPR, BCM ACCY, and STR/WHL/CNTRL Fuses
Fuse Block - Underhood LP PARK Fuse, Fuse Block - I/P PRK/LGHT Fuse, PWR WNDOW PWR S/ROOF Circuit Breaker
Fuse Block - Underhood LP PARK Fuse, Fuse Block - I/P PRK/LGHT Fuse, PWR WNDOW PWR S/ROOF Circuit Breaker
Fuse Block - Underhood B+ Bus
Fuse Block - I/P WPR, BCM ACCY, and STR/WHL/CNTRL Fuses
Figure 16:

Fuse Block - I/P WPR, BCM ACCY, and STR/WHL/CNTRL Fuses


Object Number: 1219620  Size: FS
Master Electrical Component List
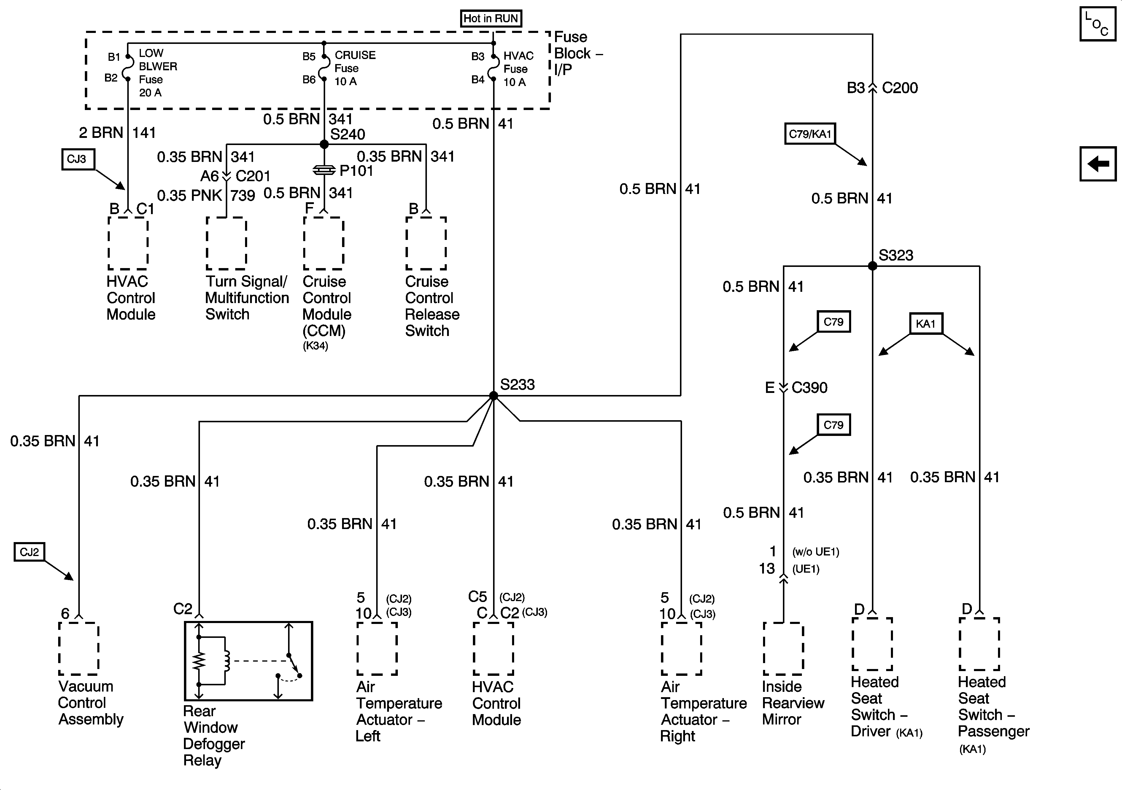
Fuse Block - I/P LOW BLWER, CRUISE, HVAC Fuses
Fuse Block - I/P R/LAMPS and INT/ILLUM Fuses
Fuse Block - I/P R/LAMPS and INT/ILLUM Fuses
SIR Caution for Zoning
Figure 17:

Fuse Block - I/P LOW BLWER, CRUISE, and HVAC Fuses


Object Number: 1353848  Size: FS
Master Electrical Component List
Fuse Block - I/P WPR, BCM ACCY, and STR/WHL/CNTRL Fuses