GM Service Manual Online
For 1990-2009 cars only
Figure 1:

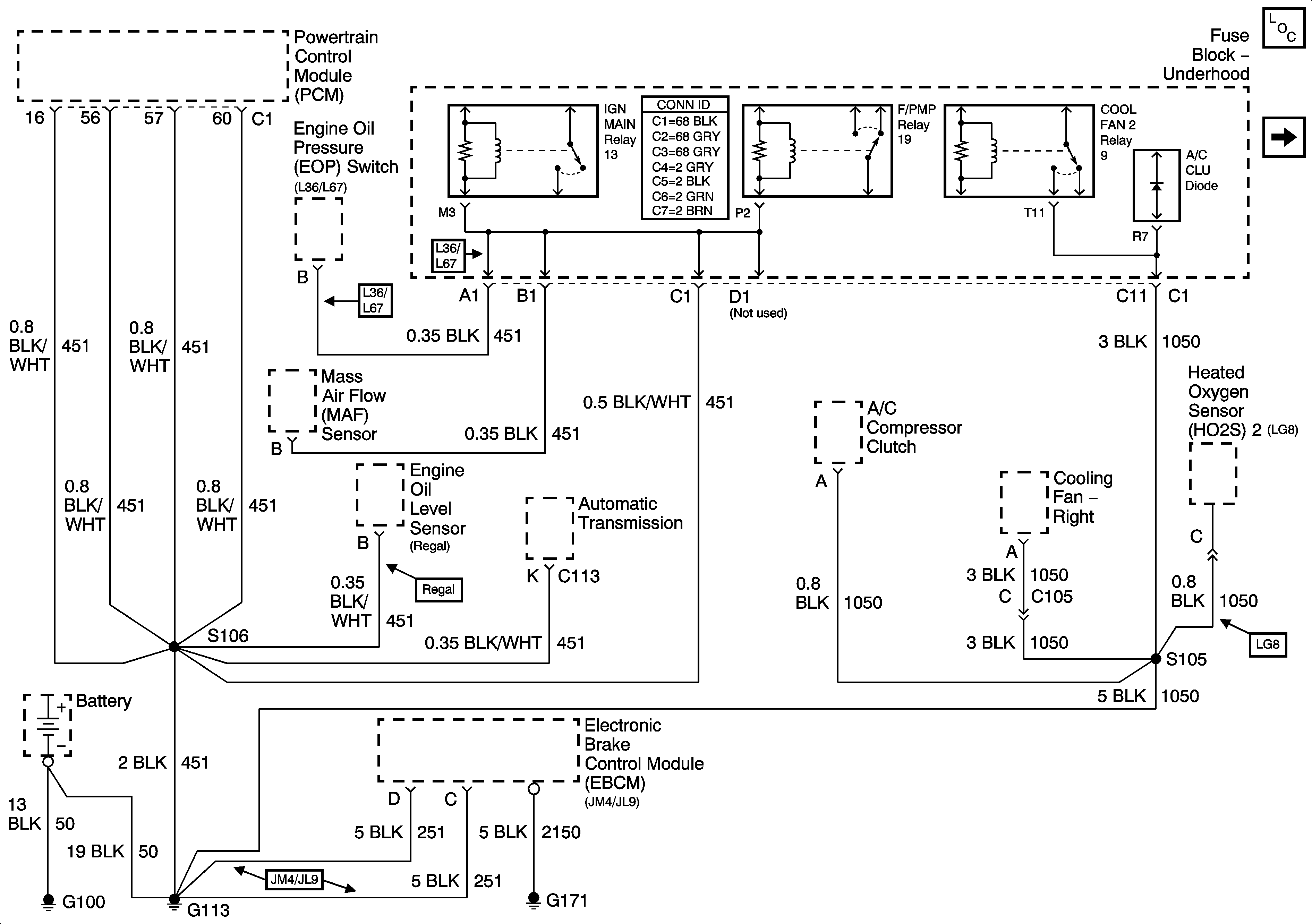
G100, G113, and G171


Object Number: 1220738  Size: FS
Master Electrical Component List
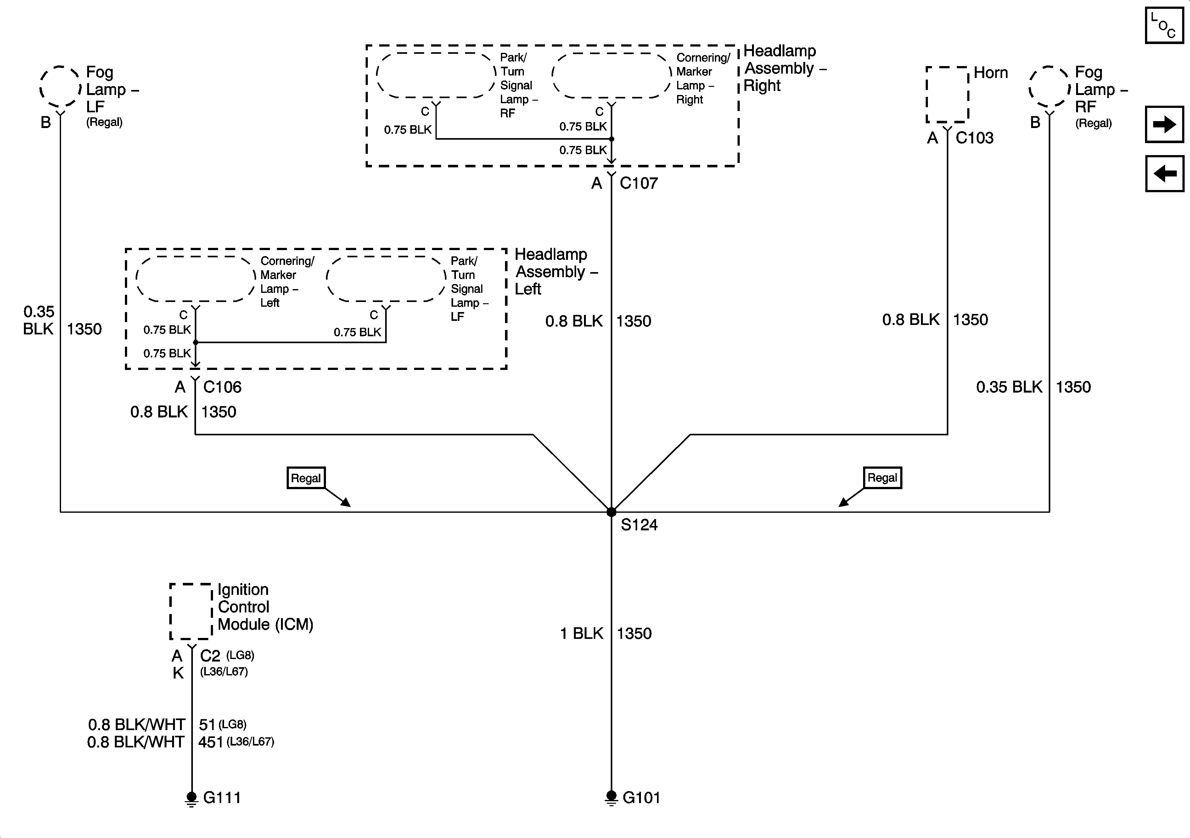
G101 and G111
Figure 2:

G101 and G111


Object Number: 1220744  Size: FS
Master Electrical Component List
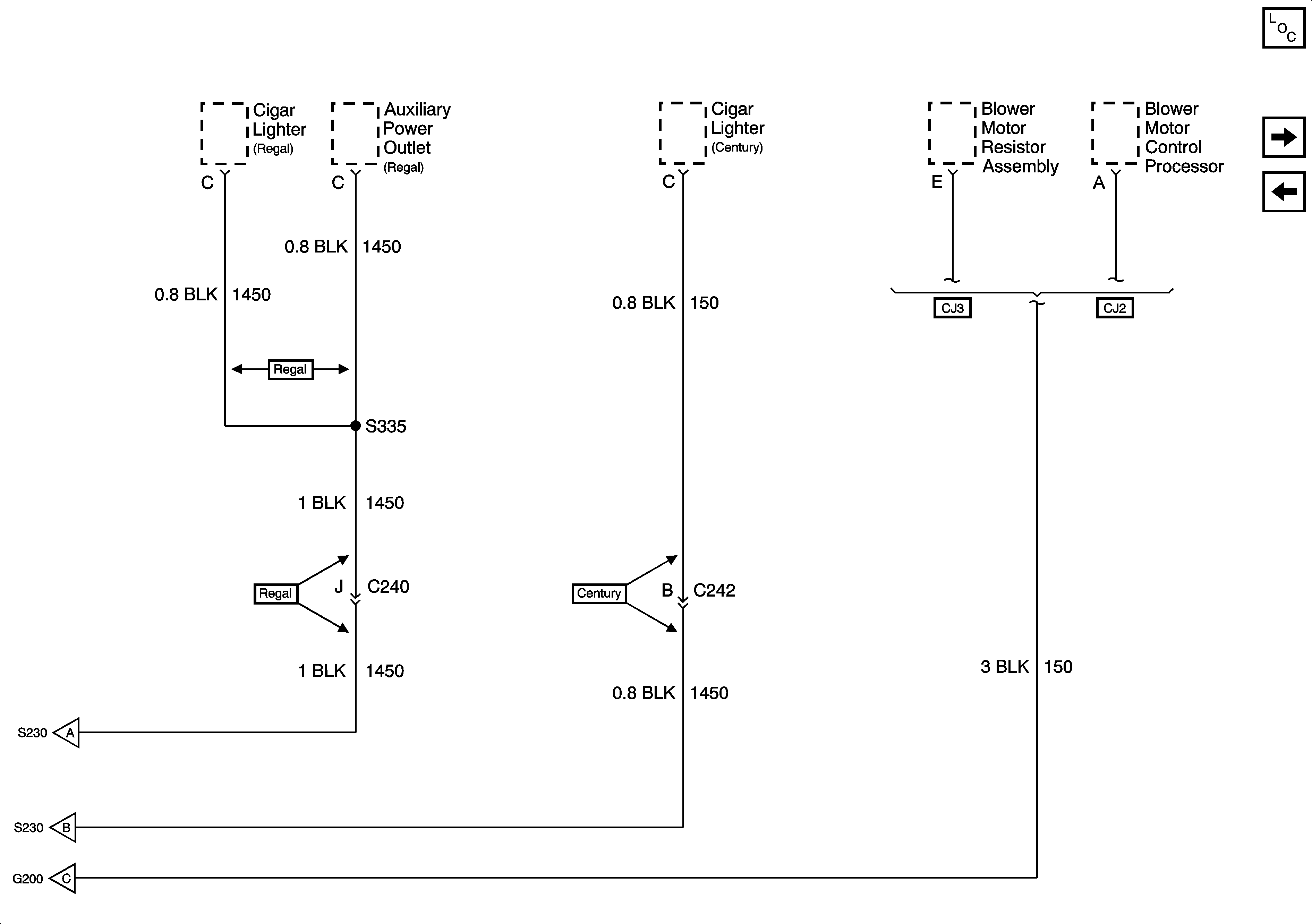
G200, Page 1 of 2
G100, G113, and G171
Figure 3:

G200, Page 1 of 2


Object Number: 1220753  Size: FS
Master Electrical Component List
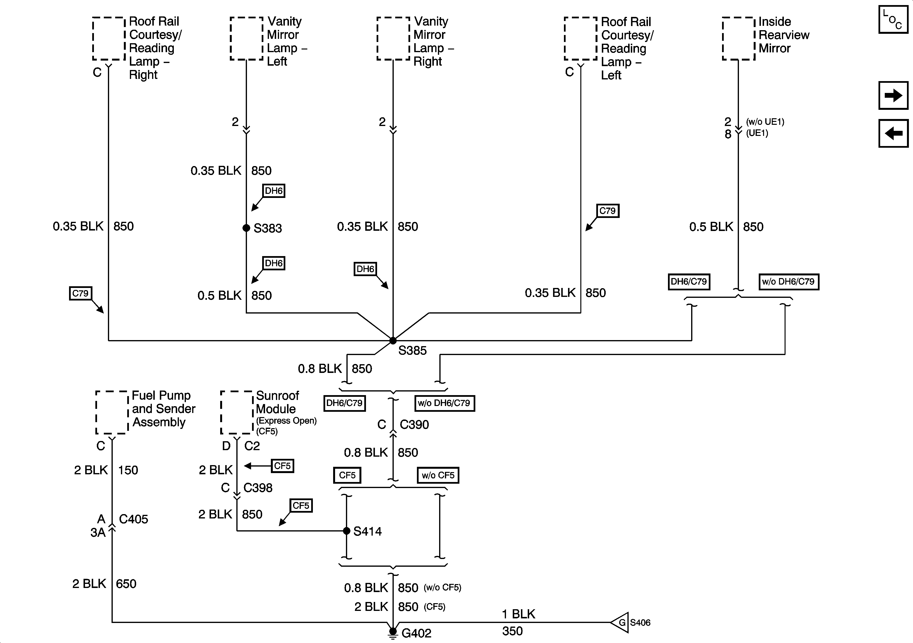
G200, Page 2 of 2
G101 and G111
SIR Caution for Zoning
G200, Page 2 of 2
G200, Page 2 of 2
G200, Page 2 of 2
Figure 4:

G200, Page 2 of 2


Object Number: 1220758  Size: FS
Master Electrical Component List
G201
G200, Page 1 of 2
G200, Page 1 of 2
G200, Page 1 of 2
G200, Page 1 of 2
Figure 5:

G201


Object Number: 1362515  Size: FS
Master Electrical Component List
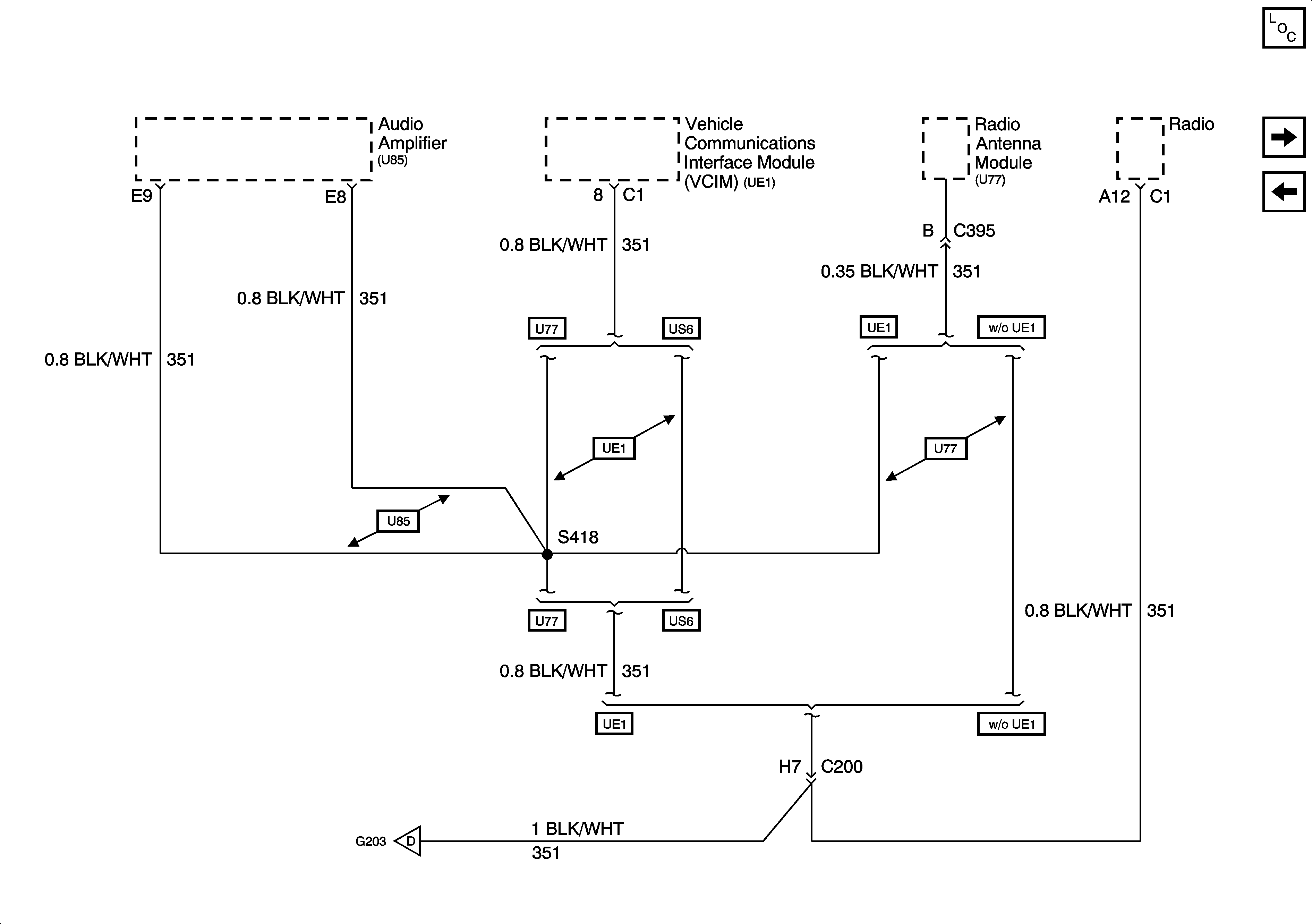
G203, Page 1 of 2
G200, Page 2 of 2
Figure 6:

G203, Page 1 of 2


Object Number: 1220762  Size: FS
Master Electrical Component List
G203, Page 2 of 2
G201
G203, Page 2 of 2
Figure 7:

G203, Page 2 of 2


Object Number: 1220769  Size: FS
Master Electrical Component List
G301, Page 1 of 2
G203, Page 1 of 2
G203, Page 1 of 2
Figure 8:

G301, Page 1 of 2


Object Number: 1276962  Size: FS
Master Electrical Component List
G301, Page 2 of 2
G203, Page 2 of 2
G301, Page 2 of 2
G301, Page 2 of 2
Figure 9:

G301, Page 2 of 2


Object Number: 1276964  Size: FS
Master Electrical Component List
G401
G301, Page 1 of 2
G301, Page 1 of 2
G301, Page 1 of 2
Figure 10:

G401


Object Number: 850394  Size: FS
Master Electrical Component List
G402, Page 1 of 2
G301, Page 2 of 2
Figure 11:

G402, Page 1 of 2


Object Number: 1220777  Size: FS
Master Electrical Component List
G402, Page 2 of 2
G401
G402, Page 2 of 2
Figure 12:

G402, Page 2 of 2


Object Number: 1343616  Size: FS
Master Electrical Component List
G402, Page 1 of 2
G402, Page 1 of 2