GM Service Manual Online
For 1990-2009 cars only
Makes
🢒
Buick
🢒
2004
🢒
Regal
🢒
Body
🢒
Wiring Systems
🢒 Headlights/Daytime Running Lights (DRL) Schematics
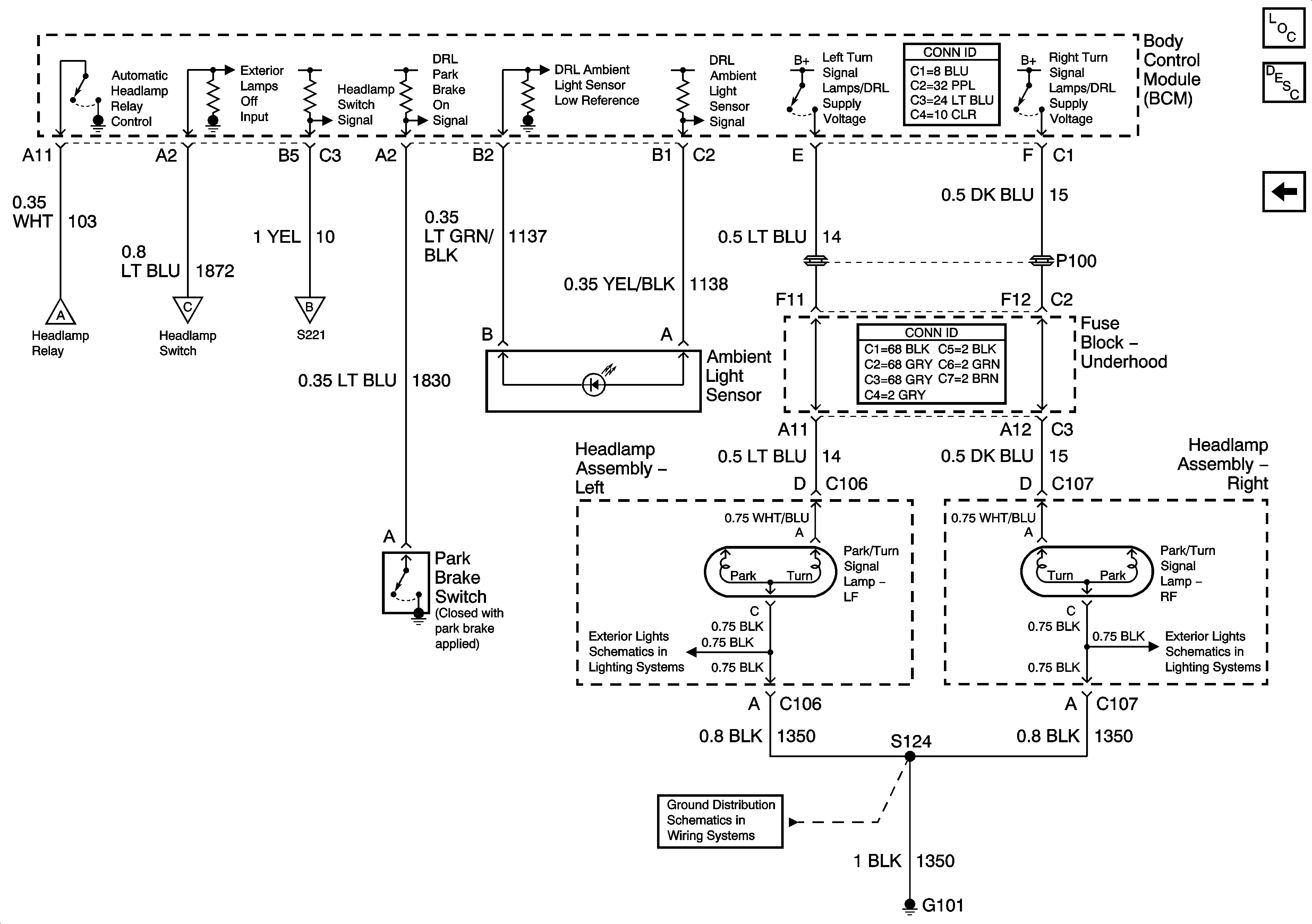
Figure
1:
Headlamps
Master Electrical Component List
Exterior Lighting Systems Description and Operation
Daytime Running Lamps (DRL)
Fog Lights Schematics
Fuse Block - Underhood B+ Bus
Fuse Block - Underhood LP PARK Fuse, Fuse Block - I/P PRK/LGHT Fuse, PWR WNDOW PWR S/ROOF Circuit Breaker
Fuse Block - Underhood LP PARK Fuse, Fuse Block - I/P PRK/LGHT Fuse, PWR WNDOW PWR S/ROOF Circuit Breaker
Daytime Running Lamps (DRL)
Daytime Running Lamps (DRL)
Daytime Running Lamps (DRL)
G201
Figure
2:
Daytime Running Lamps (DRL)
Master Electrical Component List
Exterior Lighting Systems Description and Operation
Headlamps
Headlamps
Headlamps
Headlamps
Front Turn Lamps, Cornering Lamps, DRL
Front Turn Lamps, Cornering Lamps, DRL
G101 and G111