GM Service Manual Online
For 1990-2009 cars only
Makes
🢒
Buick
🢒
2004
🢒
Regal
🢒
Accessories
🢒
Entertainment
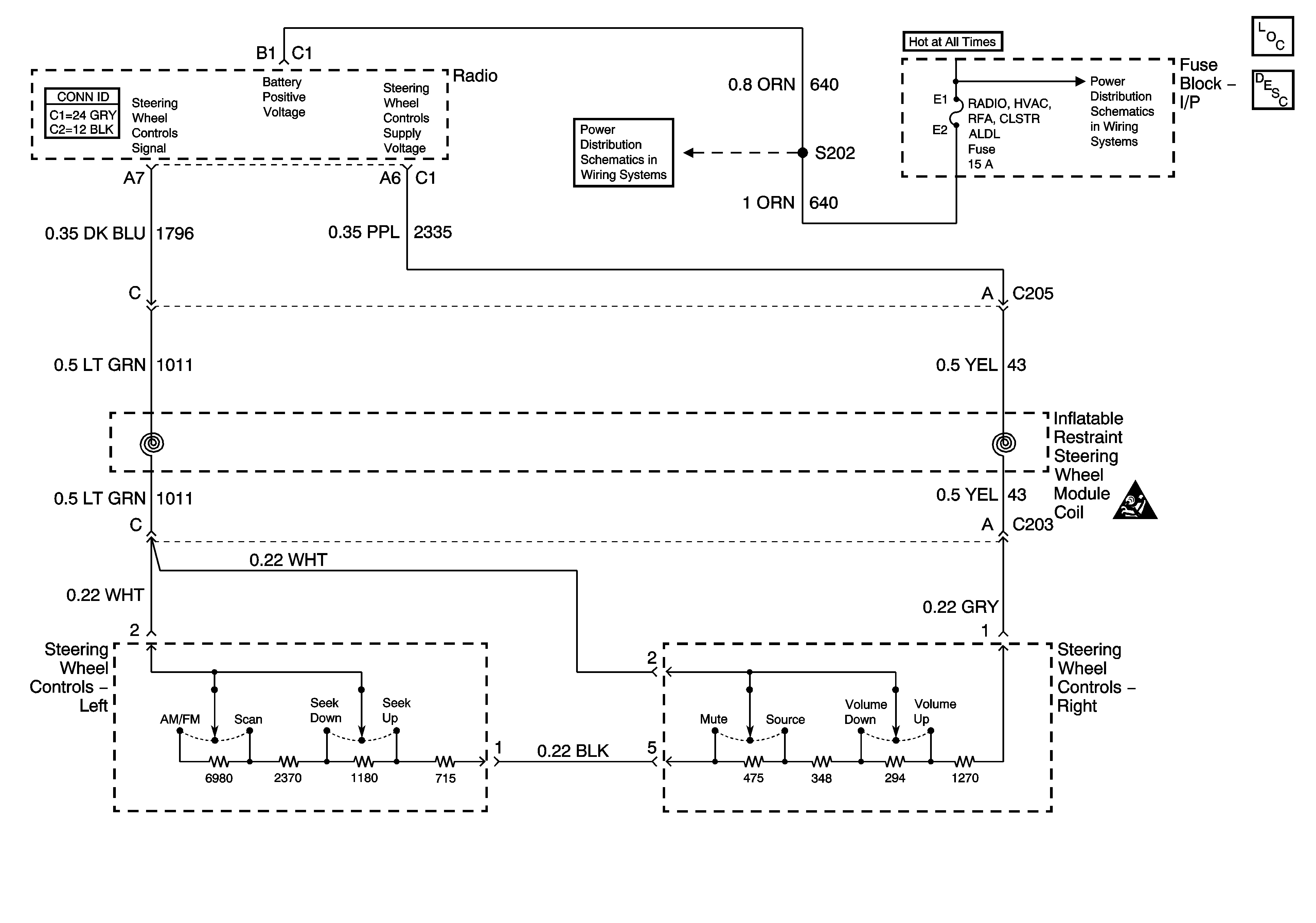
🢒 Steering Wheel Controls Schematics
Master Electrical Component List
Radio/Audio System Description and Operation
Fuse Block - Underhood BAT 1 Fuse, Fuse Block - I/P RADIO, HVAC, RFA, CLSTR, ALDL, BCM PWR, ACCY POWER BUS, RADIO PREM. SOUND, and LTR Fuses
Fuse Block - Underhood BAT 1 Fuse, Fuse Block - I/P RADIO, HVAC, RFA, CLSTR, ALDL, BCM PWR, ACCY POWER BUS, RADIO PREM. SOUND, and LTR Fuses
SIR Caution for Zoning