GM Service Manual Online
For 1990-2009 cars only
Makes
🢒
Buick
🢒
2004
🢒
Regal
🢒
Accessories
🢒
Power Outlets
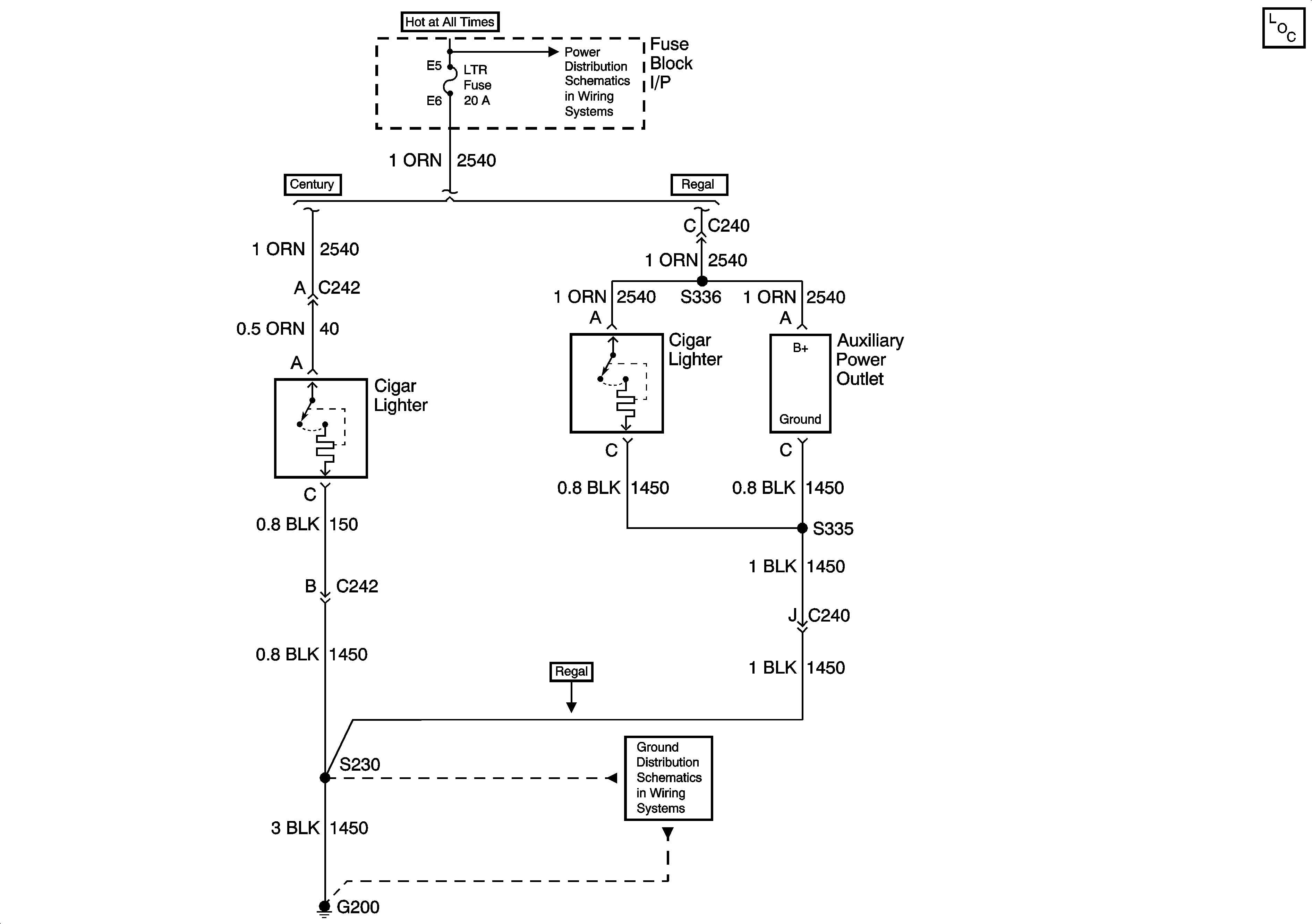
🢒 Cigar Lighter/Power Outlet Schematics
Master Electrical Component List
Fuse Block - Underhood BAT 1 Fuse, Fuse Block - I/P RADIO, HVAC, RFA, CLSTR, ALDL, BCM PWR, ACCY POWER BUS, RADIO PREM. SOUND, and LTR Fuses
G200, Page 1 of 2