GM Service Manual Online
For 1990-2009 cars only
Makes
🢒
Buick
🢒
2004
🢒
Regal
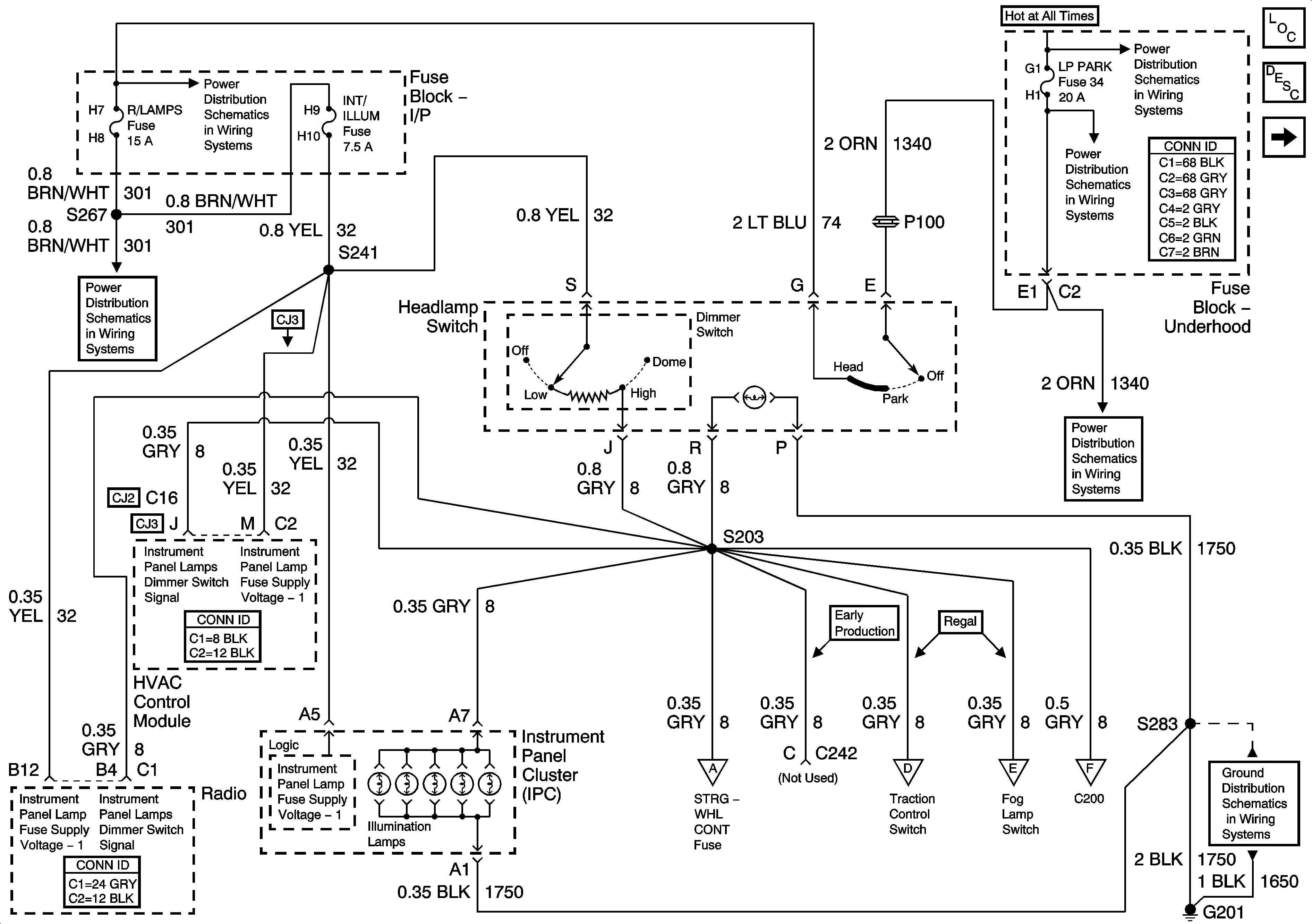
🢒 I/P Dimmer Switch, HVAC, and IPC
I/P Dimmer Switch, HVAC, and IPC
I/P Dimmer Switch, HVAC, and IPC
Master Electrical Component List
Interior Lighting Systems Description and Operation
Passenger Compartment Lamps
Fuse Block - I/P R/LAMPS and INT/ILLUM Fuses
Fuse Block - I/P R/LAMPS and INT/ILLUM Fuses
Passenger Compartment Lamps
Passenger Compartment Lamps
Passenger Compartment Lamps
Door and Seat Switches
Fuse Block - Underhood B+ Bus
Fuse Block - Underhood LP PARK Fuse, Fuse Block - I/P PRK/LGHT Fuse, PWR WNDOW PWR S/ROOF Circuit Breaker
Fuse Block - Underhood LP PARK Fuse, Fuse Block - I/P PRK/LGHT Fuse, PWR WNDOW PWR S/ROOF Circuit Breaker
G201