GM Service Manual Online
For 1990-2009 cars only
Makes
🢒
Buick
🢒
2004
🢒
Regal
🢒 Power Sunroof Schematics
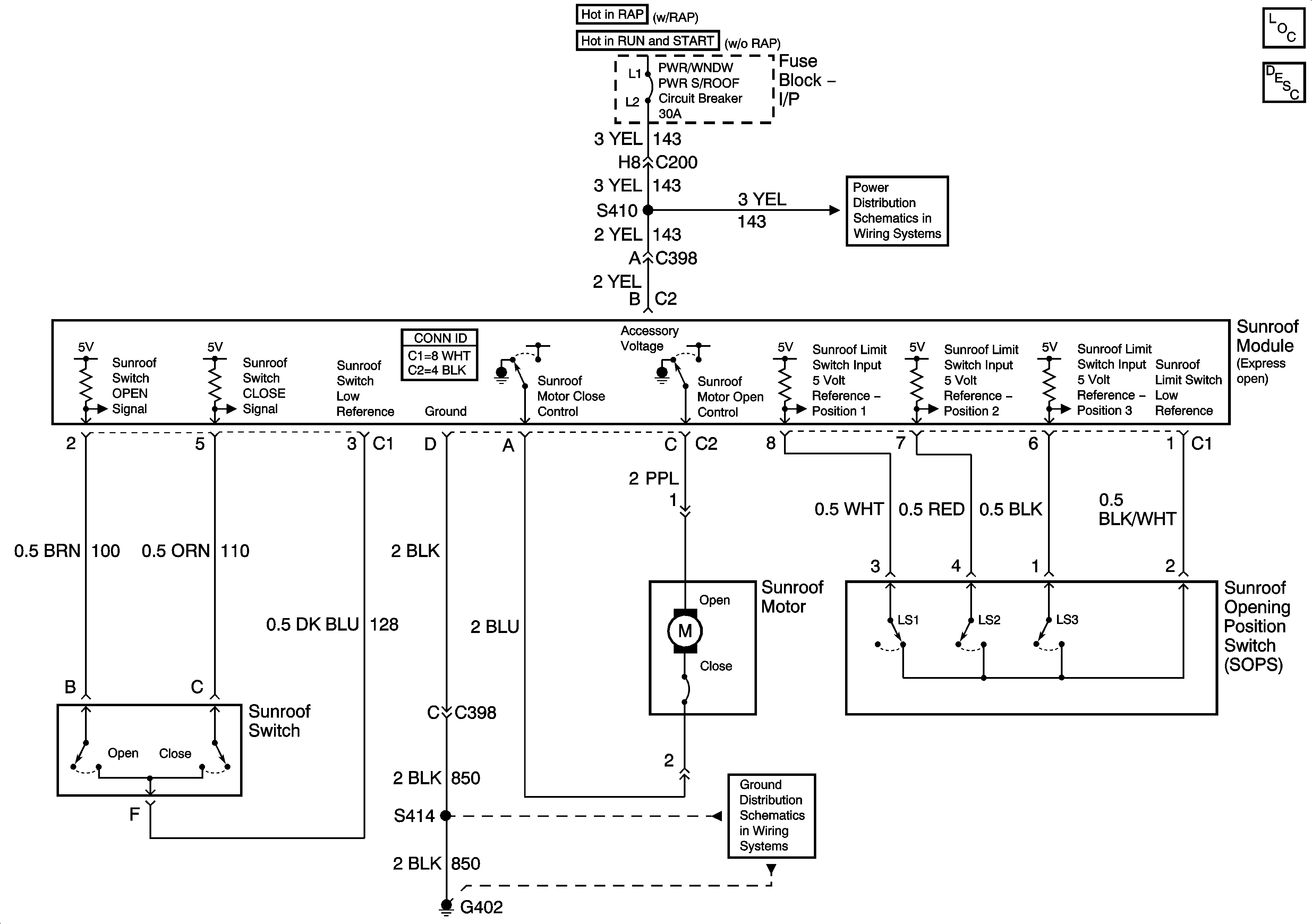
Power Sunroof Schematics
Master Electrical Component List
Sunroof Description and Operation
Fuse Block - Underhood LP PARK Fuse, Fuse Block - I/P PRK/LGHT Fuse, PWR WNDOW PWR S/ROOF Circuit Breaker
G402, Page 1 of 2