GM Service Manual Online
For 1990-2009 cars only
Makes
🢒
Buick
🢒
2009
🢒
Regal
🢒
Engine
🢒
Engine Cooling
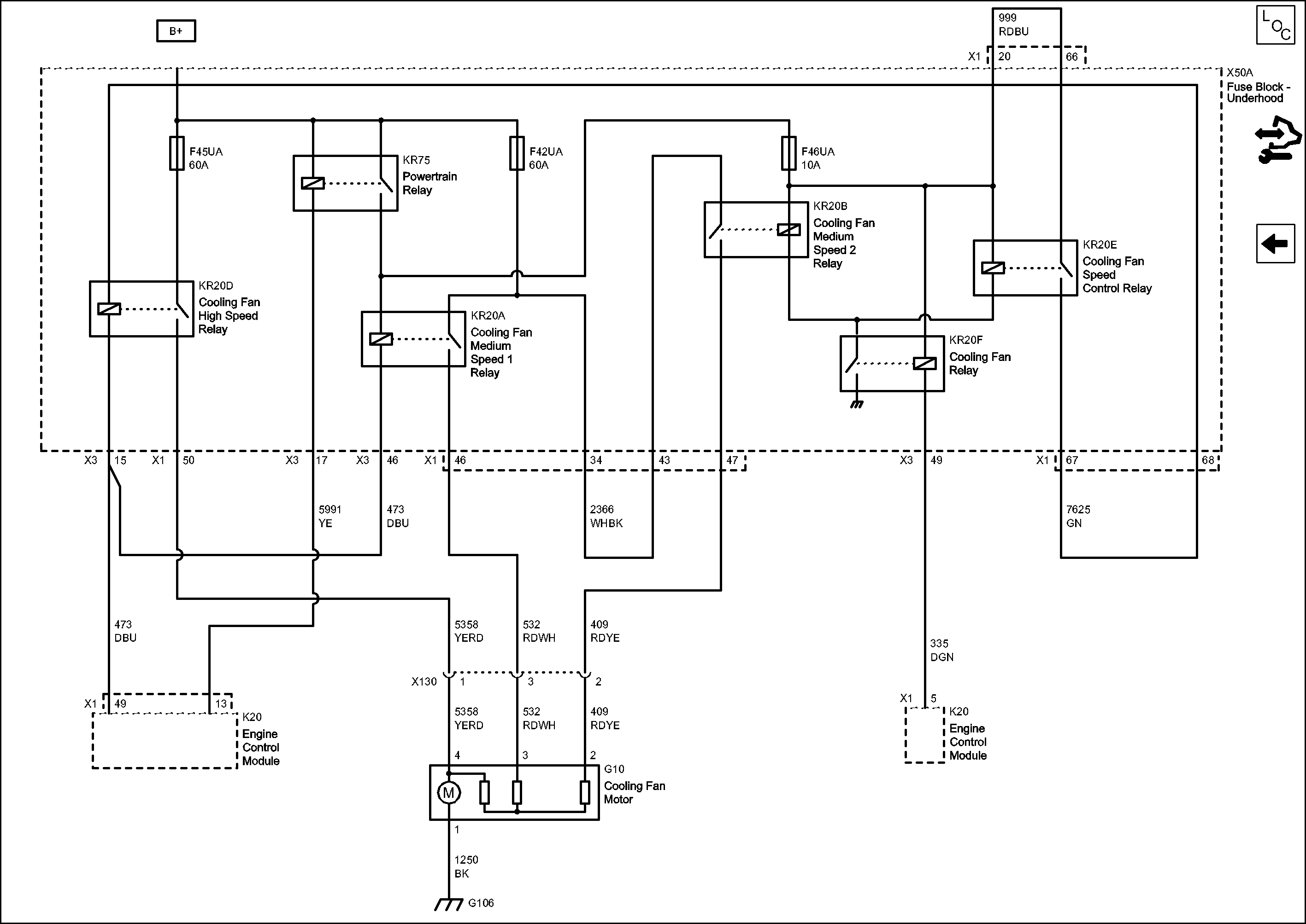
🢒 Engine Cooling Schematics
Figure
1:
Engine Coolant Level
Figure
2:
Engine Cooling, Signal Fan (LTD/LE5)