GM Service Manual Online
For 1990-2009 cars only
Figure 1:

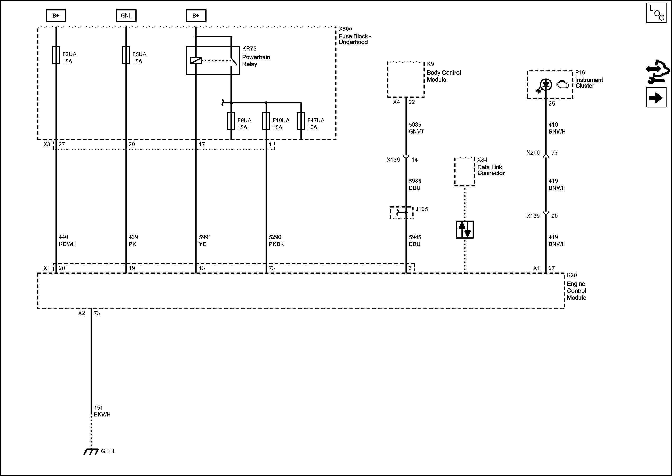
Power, Ground, Serial Data and MIL


Object Number: 2179927  Size: FS
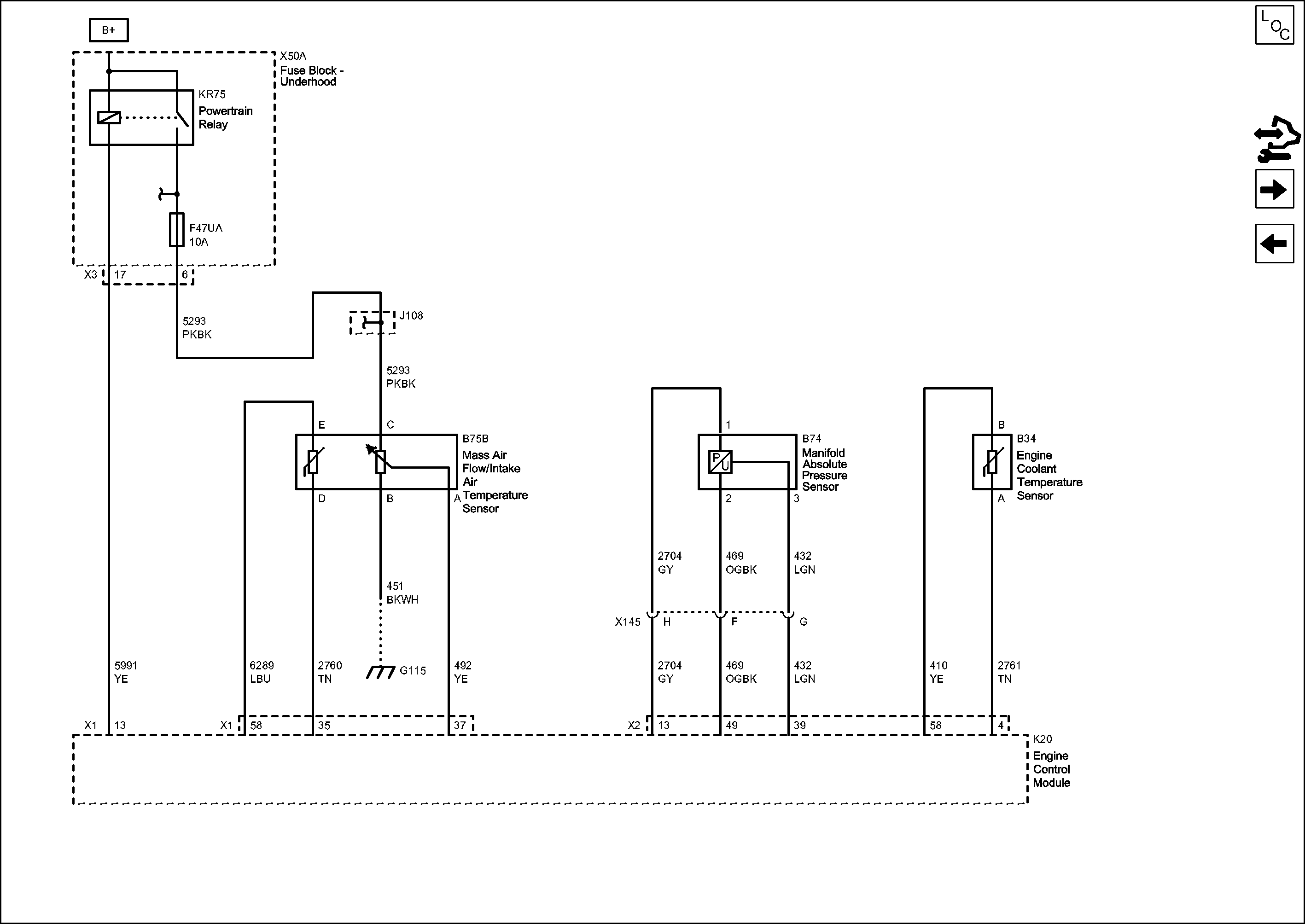
Figure 2:

Engine Data Sensors - MAF, Pressure and Temperature


Object Number: 2179929  Size: FS
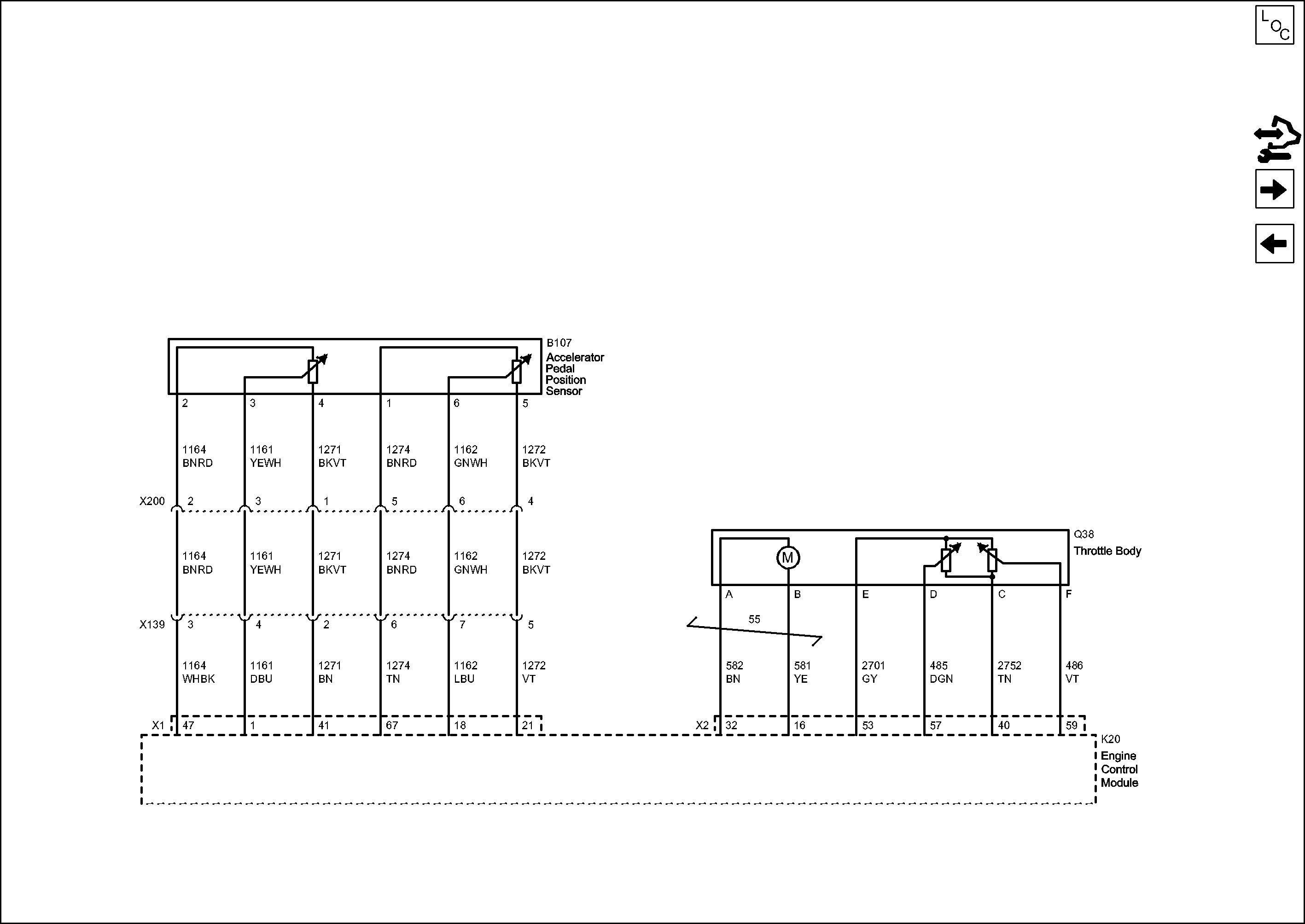
Figure 3:

Engine Data Sensors - Throttle Controls


Object Number: 2179930  Size: FS
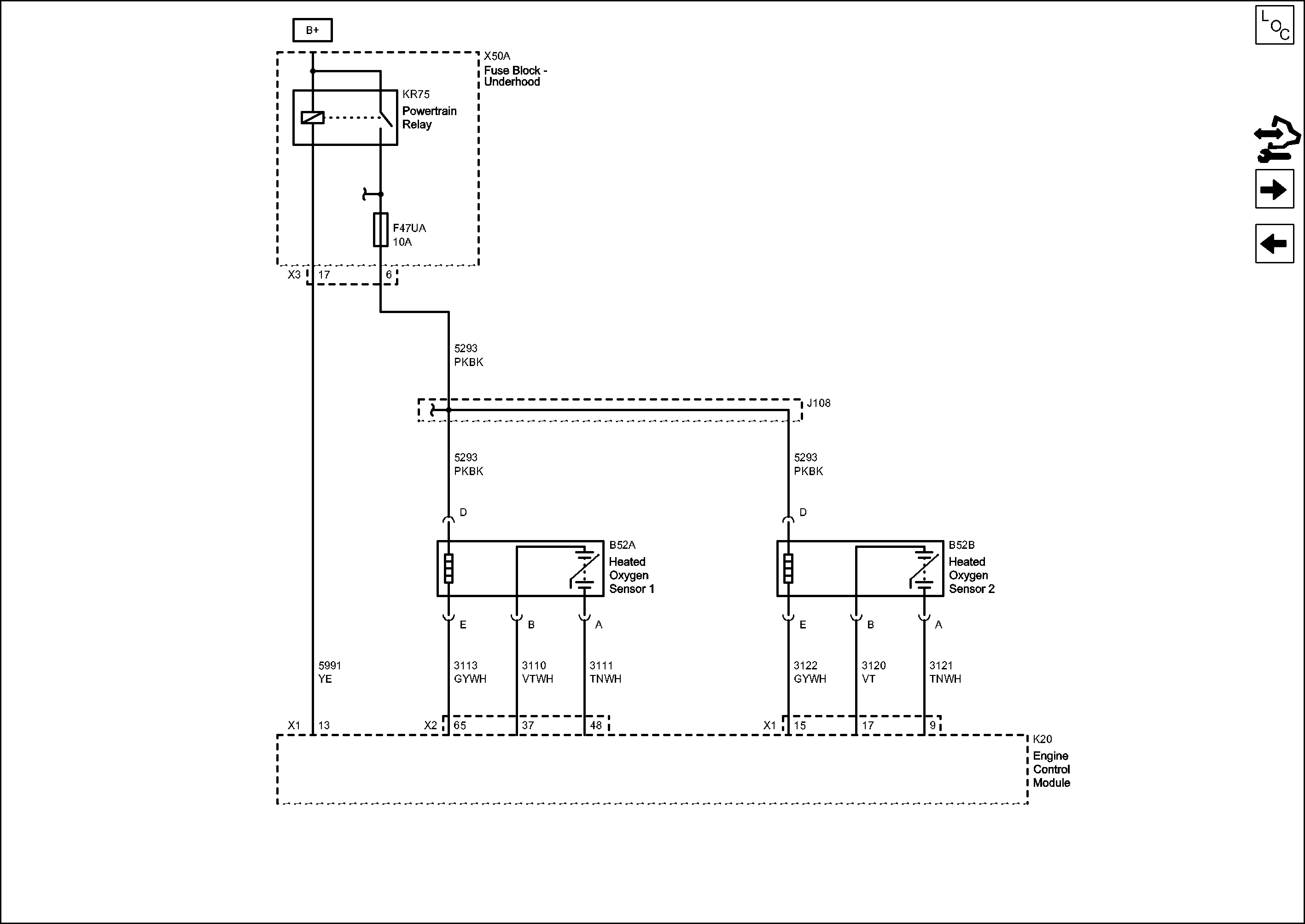
Figure 4:

Engine Data Sensors - Oxygen Sensors


Object Number: 2179932  Size: FS
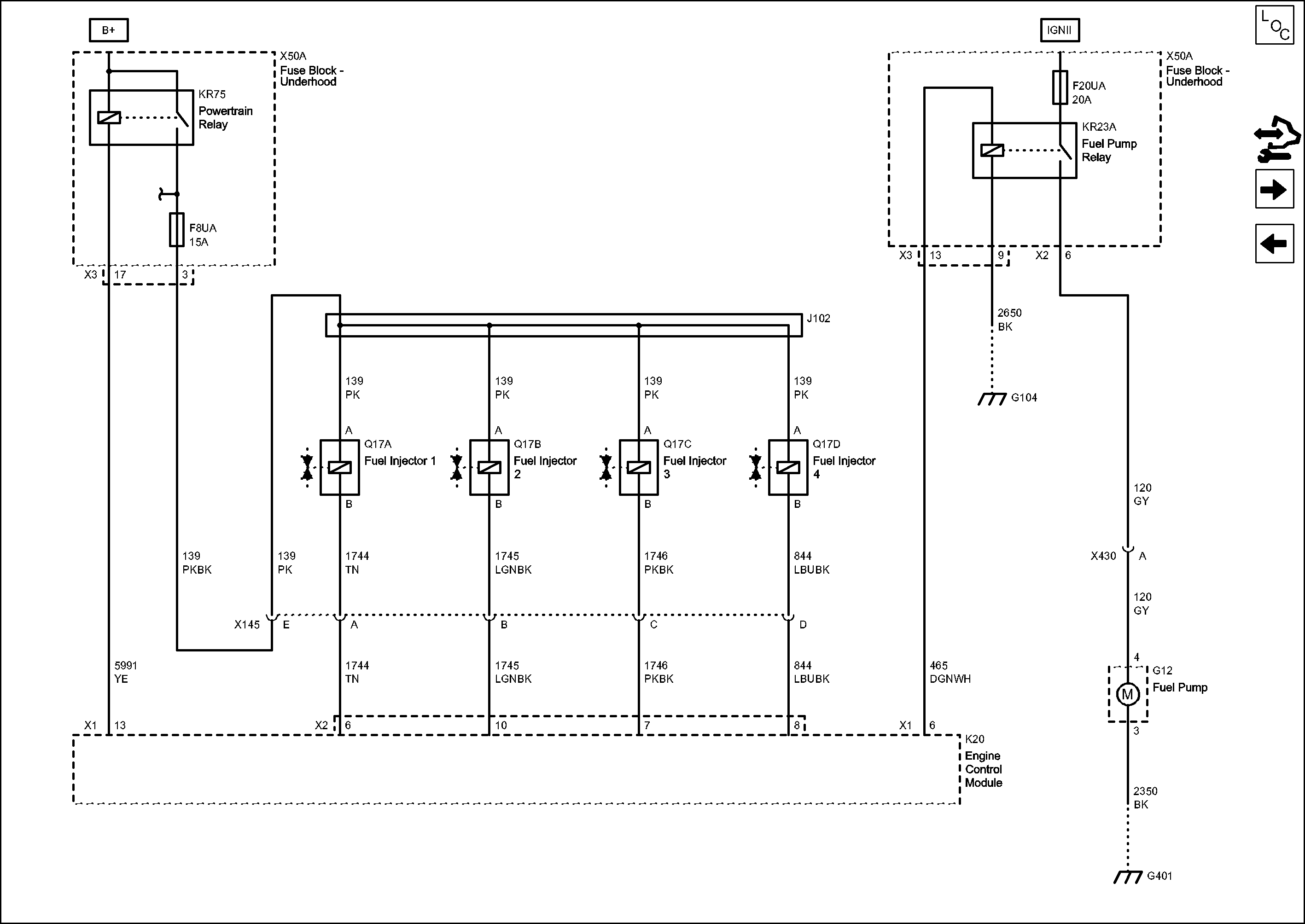
Figure 5:

Fuel Controls - Fuel Pump and Injectors


Object Number: 2179933  Size: FS
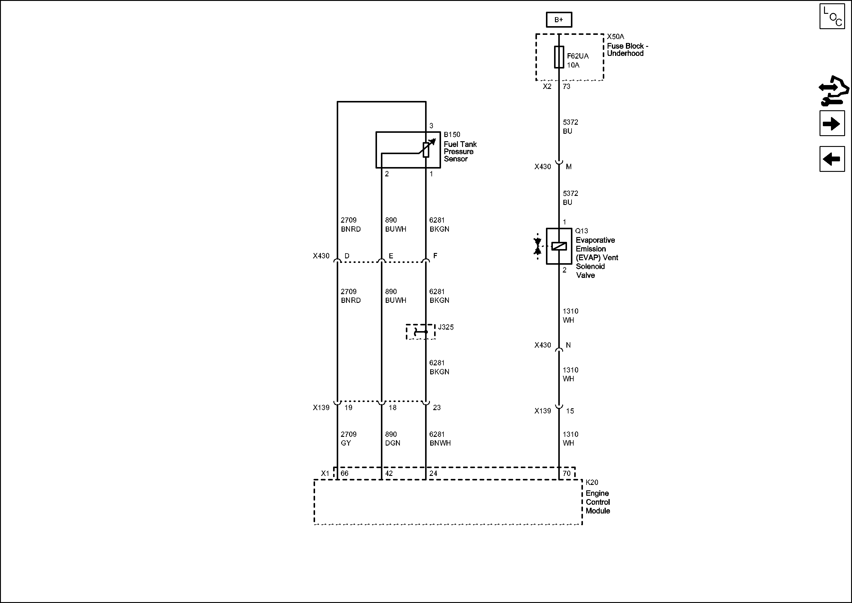
Figure 6:

Fuel Controls - Fuel Pressure Solenoid


Object Number: 2179935  Size: FS
Figure 7:

Ignition Controls - Ignition Sensors


Object Number: 2179936  Size: FS
Figure 8:

Ignition Controls - Ignition System


Object Number: 2179938  Size: FS
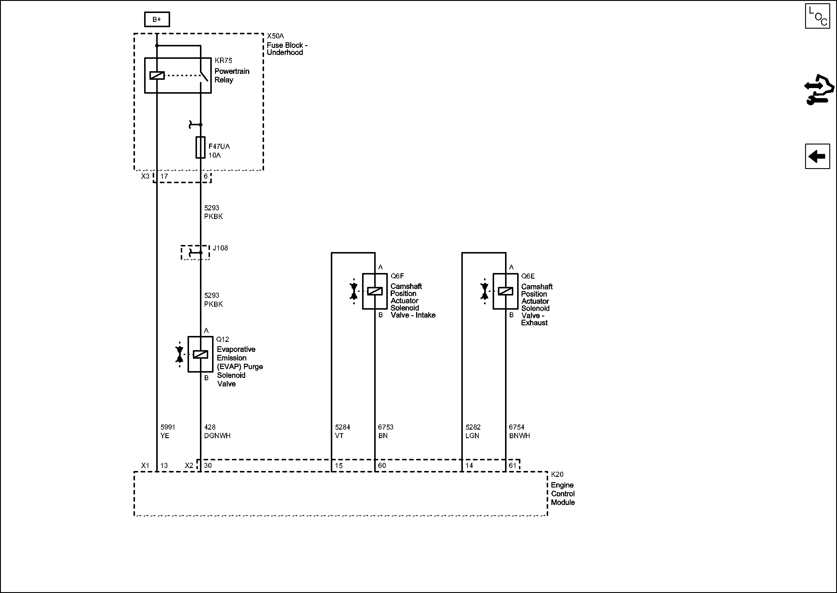
Figure 9:

Engine Data Sensors - Actuators


Object Number: 2179940  Size: FS