GM Service Manual Online
For 1990-2009 cars only

Water Pump Installation LDK

Note: Prior to installing the water pump, read the entire procedure. Pay special attention to avoid part damage and to ensure proper sealing.


    Object Number: 2146303  Size: SH
  1. Install the water pump assembly (1) with a new gasket (2).
  2. Note: Do not install the front water pump bolt until after the engine front cover is on.

  3. Install the water pump bolts. Finger tighten the bolts.
  4. Caution: Refer to Fastener Caution in the Preface section.

  5. Tighten the water pump bolts to 25 N·m (18 lb ft).
  6. Apply sealant to the water pump drain plug. Refer to Adhesives, Fluids, Lubricants, and Sealers.
  7. Install the water pump drain plug and tighten to 20 N·m (15 lb ft) , if necessary.

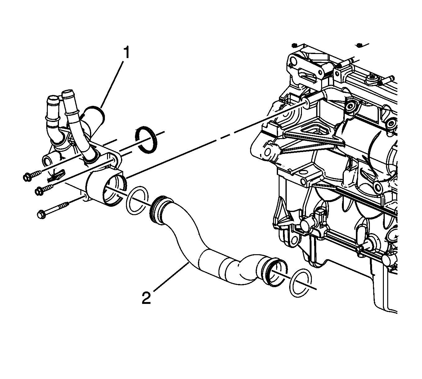
  8. Object Number: 2146302  Size: SH
  9. Install the water feed tube (2).
  10. Lubricate the feed tube O-ring with antifreeze.
  11. Install the water feed tube by twisting and pushing toward the water pump. Take care not to tear or damage the O-ring.
  12. Install the thermostat housing (1) to block bolts and stud and tighten the thermostat housing bolts to 10 N·m (89 lb in).

  13. Object Number: 2146301  Size: SH
  14. Install the coolant temperature sensor (1) by hand.
  15. Tighten the coolant temperature sensor to 20 N·m (15 lb ft).

Water Pump Installation LTD

Prior to installing the water pump, read the entire procedure. Pay special attention to avoid part damage and to ensure proper sealing.


    Object Number: 2148509  Size: SH
  1. Install the water pump assembly (1).
  2. Install the water pump bolts. Finger tighten the bolts.
  3. Caution: Refer to Fastener Caution in the Preface section.

  4. Tighten the water pump bolts to 25 N·m  (18 lb ft).
  5. Apply sealant to the water pump drain plug. Refer to Adhesives, Fluids, Lubricants, and Sealers.
  6. Install the water pump drain plug, if necessary. Tighten to 20 N·m  (15 lb ft).

  7. Object Number: 2148534  Size: SH
  8. Install the water feed tube (1).
  9. Lubricate the feed tube O-ring with antifreeze.
  10. Install the water feed tube by twisting and pushing toward the water pump. Take care not to tear or damage the O-ring.
  11. Install the thermostat housing (2) to block bolts and stud and tighten to 10 N·m  (89 lb in).

  12. Object Number: 2148506  Size: SH
  13. Install the engine coolant temperature sensor (1) by hand.
  14. Tighten the engine coolant temperature sensor and tighten to 20 N·m  (15 lb ft).