GM Service Manual Online
For 1990-2009 cars only

    Object Number: 2146283  Size: SH
  1. Install the engine front cover (1) with a new gasket (2).
  2. Caution: Refer to Fastener Caution in the Preface section.

  3. Install the long water pump bolt and tighten to 25 N·m (18 lb ft).

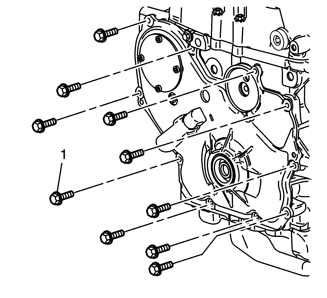
  4. Object Number: 2146282  Size: SH
  5. Install the engine front cover bolts (1) and tighten to 25 N·m (18 lb ft).

  6. Object Number: 2146281  Size: SH
  7. Install the accessory drive belt tensioner (1).
  8. Install the accessory drive belt tensioner bolt and tighten to 45 N·m (33 lb ft).