GM Service Manual Online
For 1990-2009 cars only
Figure 1:

Power Seat (AG1)


Object Number: 2180161  Size: FS
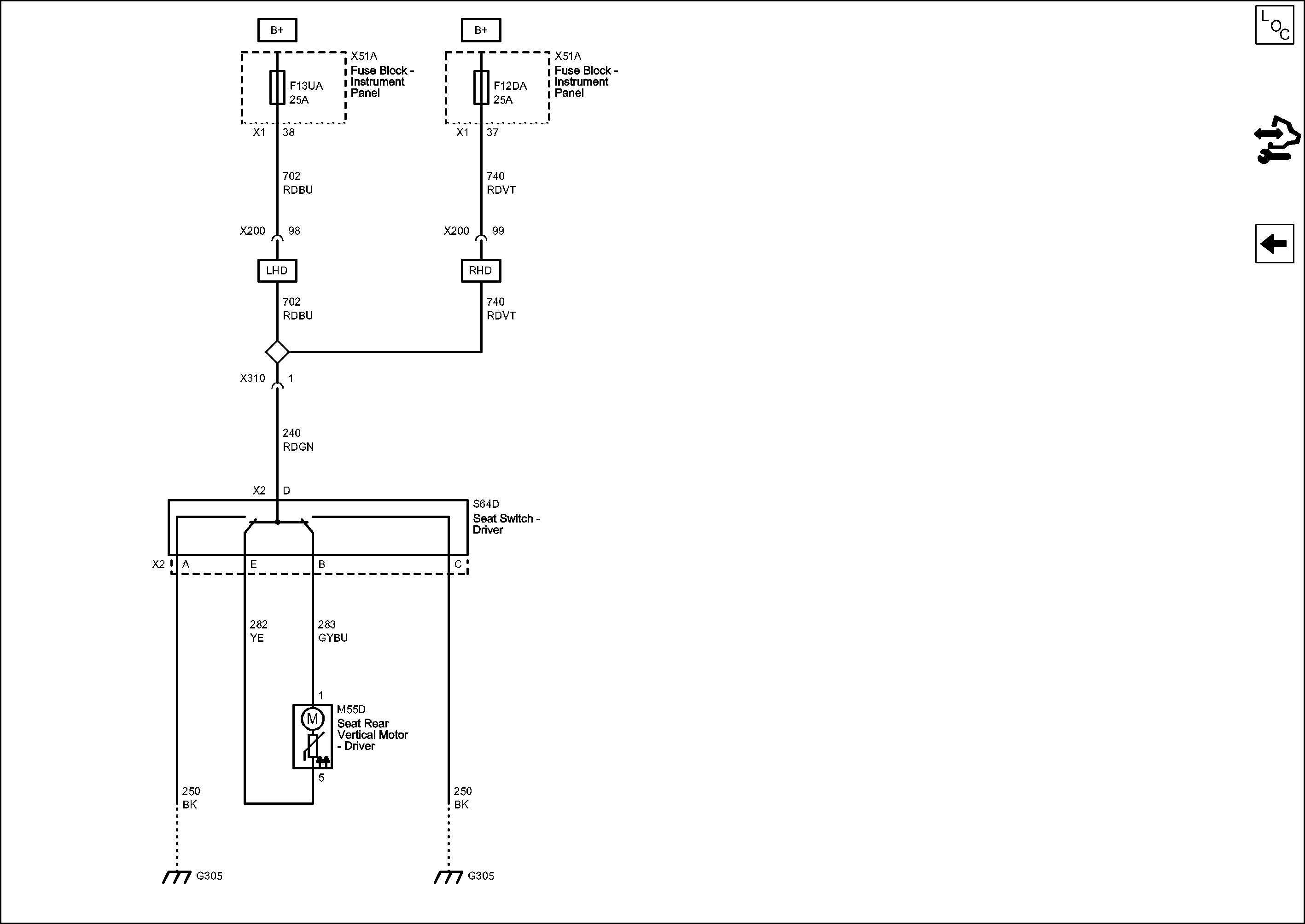
Figure 2:

Power Seat (A6A)


Object Number: 2180162  Size: FS
Figure 3:

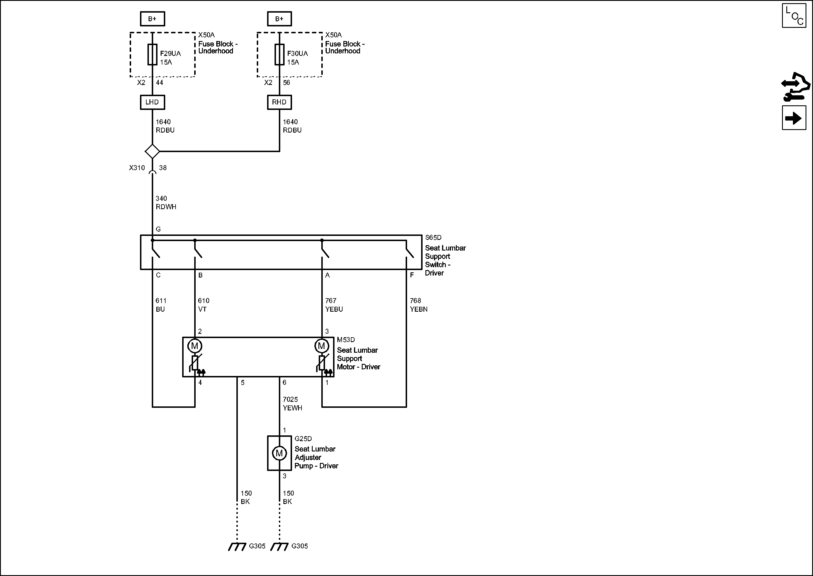
Lumbar Switch and Motors


Object Number: 2180163  Size: FS
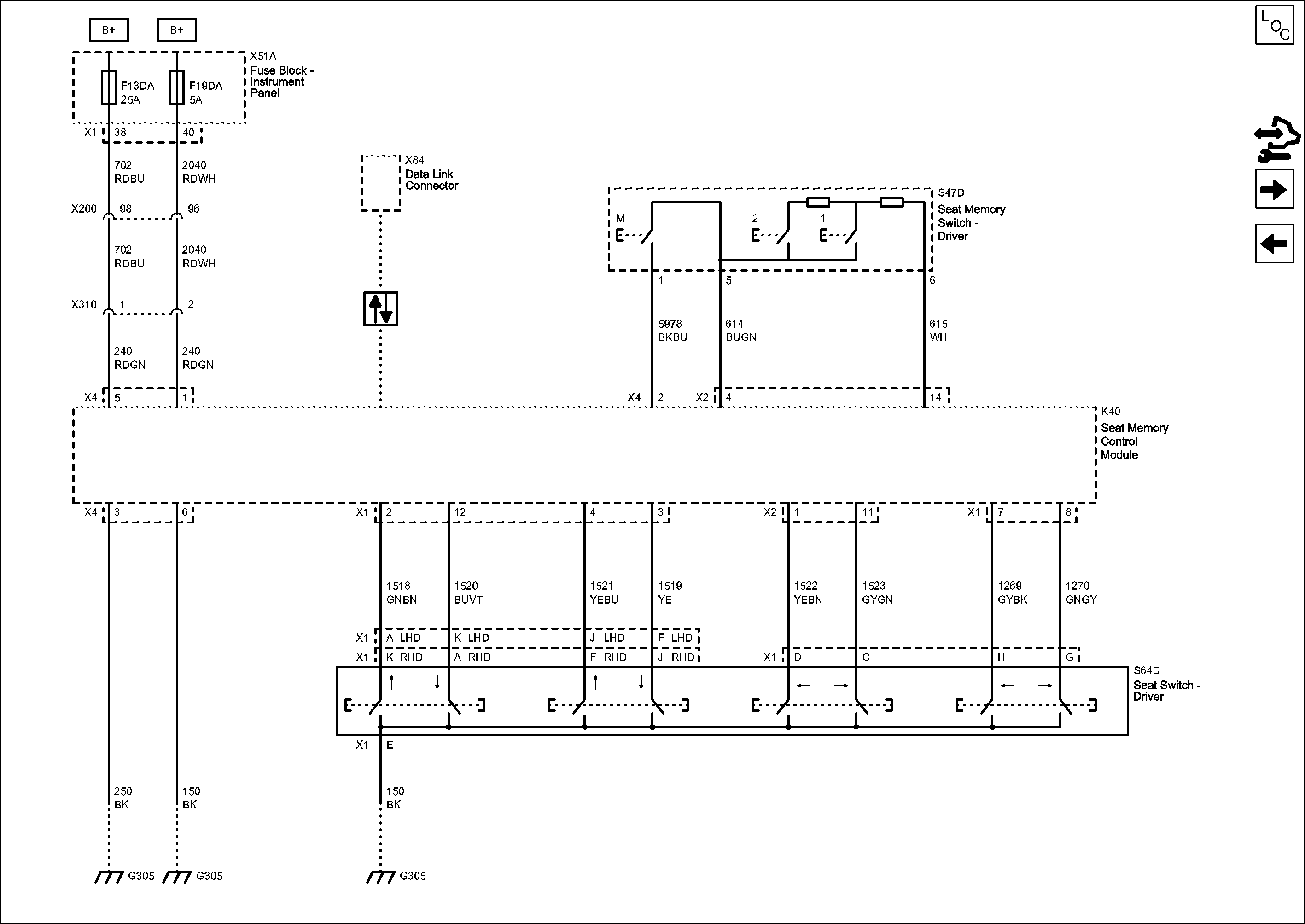
Figure 4:

Memory Seat Module Power, Ground, and Seat Adjuster Switches


Object Number: 2180164  Size: FS
Figure 5:

Memory Seat Position Sensors and Motors


Object Number: 2180166  Size: FS